Настройка и ремонт частотных преобразователей GEFRAN в Тольятти
Ремонт частотных преобразователей GEFRAN в Тольятти
Ремонт частотных преобразователей GEFRAN в Тольятти, одна из многих услуг предлагаемых сервисным центром "РемПромЭл". Преобразователи частоты относятся к сложной промышленной электронике и состоят из двух взаимосвязанных составляющих- это электронная и силовая часть. Подобное конструктивное исполнение значительно усложняет ремонт частотных преобразователей.
Преобразователь частоты достаточно распространенное промышленное оборудование, и как все подвержены износу. В зависимости от интенсивности использования, нагрузки, среды в которой работает оборудования частотные преобразователи выходят из строя останавливая рабочий процесс.
В целях сомнительной "экономии" некоторые пытаются провести ремонт частотного преобразователя GEFRAN самостоятельно на территории производства. Зачастую данные действия приводят к значительному удорожанию ремонта а при самом неблагоприятном исходе могут привести к не ремонтопригодности частотника.
В виду вышесказанного настоятельно рекомендуем, не пытайтесь проводить ремонт частотных преобразователей своими силами, обратитесь за помощью к специалистам. Современный специализированный сервисный центр имеет в наличии весь необходимый инструмент, включая специальное диагностическое оборудование, а компетентный персонал проведет качественный ремонт частотных преобразователей GEFRAN в Тольятти, к тому же сервисные центры дают гарантию на проведенные ремонтные работы.
Ремонт частотных преобразователей GEFRAN в СЦ "РемПромЭл"
Ремонт частотных преобразователей GEFRAN в сервисном центре самое разумное и экономически выгодное решение. Грамотные специалисты со знанием дела проведут глубокую диагностику неисправного блока и последующий ремонт частотного преобразователя GEFRAN в кратчайшие сроки. К написанному можно добавить то, что каждый без исключения ремонт частотного преобразователя GEFRAN в СЦ "РемПромЭл" проводится с применением оригинальных запасных частей.
В 2013-ом году специалистами компании был проведен первый ремонт частотного преобразователя положивший начало дальнейшему развитию в данном направлении. За прошедшее время были отремонтированы сотни единиц промышленного оборудования и накоплен колоссальный, бесценный опыт в ремонте частотных преобразователей различных производителей.
Сервисный центр "РемПромЭл" оснащен самым современным диагностическим и ремонтным оборудованием, имеются в наличии расходные материалы, а так же на складе компании богатый выбор оригинальных запасных частей, что дает возможность провести качественный ремонт частотных преобразователей GEFRAN.
Обратившись в СЦ за ремонтом частотных преобразователей GEFRAN в Тольятти вы получите:
- Глубокую диагностику с выявлением неисправного компонента;
- Чистку неисправного блока;
- Ремонт преобразователя в кратчайшие сроки;
- Настройку частотника;
- Проверку отремонтированного блока на специальном стенде в условиях максимально приближенных к реальным;
- Видео проверки отремонтированного сервопривода.
Отдельное внимание мы уделяем качеству проведения ремонта и даем гарантию на ремонт частотных преобразователей GEFRAN и на замененные в процессе ремонта запасные части и расходные материалы 6 месяцев.
Настройка частотных преобразователей GEFRAN в Тольятти
Настройка частотных преобразователей GEFRAN - это заключительный этап ремонта и в тоже время очень важный. Для правильной работы восстановленного блока просто необходимо провести грамотное программирование частотного преобразователя. Ремонт и дальнейшую настройку преобразователей частоты GEFRAN выполняют разные специалисты, так как подобная работа довольно сложная и имеет свою специфику.
Настройка частотных преобразователей GEFRAN в Тольятти или как еще называют программирование частотников неотъемлемая часть процесса ремонта преобразователя, ввиду того, что ремонт силовой части это только половина мероприятий направленных на восстановление работоспособности преобразователя.
В некоторых случаях возникает необходимость провести программирование частотного преобразователя без его ремонта. Причин по которым может возникнуть подобная необходимость масса.
Настройка частотного преобразователя GEFRAN может быть и отдельной услугой предоставляемой сервисным центром "РемПромЭл". Инженеры компании проведут необходимую настройку преобразователей GEFRAN в Тольятти как на территории сервисного центра так и с выездом на территорию заказчика (по предварительной договоренности).
От качественной настройки преобразователя частоты зависит правильная и безаварийная работа связки частотника и серводвигателя, а для этого требуется не много, просто программирование частотного преобразователя GEFRAN должен проводить компетентный персонал с богатым опытом по настройке частотников.
Подключение частотных преобразователей
Подключение частотных преобразователей GEFRAN к оборудованию заказчика это еще одна услуга предоставляемая нашей компанией. В случае необходимости специалист центра выполнит подключение преобразователя частоты GEFRAN с выездом на территорию заказчика.
В некоторых случаях на производстве может быть дефицит квалифицированны кадров которые могли бы произвести качественное подключение частотного преобразователя, по этому мы предлагаем услуги нашего сервисного центра.
Свяжитесь с нашими менеджерами и закажите выезд специалиста, и подключением частотного преобразователя GEFRAN займется инженер сервисного центра. В случае заказа на подключение частотных преобразователей GEFRAN силами наших специалистов вы получаете гарантию качества и работоспособности вашего оборудования.
Доверяя работу по подключению преобразователей частоты профессионалам, вы избавляетесь от головной боли и гарантированно получаете работающее оборудование в кратчайшие сроки и за разумную цену.
Ошибки частотных преобразователей GEFRAN
Каждый частотник, оснащен информационной панелью с помощью которой проходит процесс программирования частотных преобразователей, а так же на данную информационную панель в случае нештатной ситуации выводятся коды ошибок которые привели к остановке оборудования.
У каждого производителя разные коды ошибок у кого то это могут быть цифровые обозначения у кого то буквенные, но вся прелесть заключается в том, что открыв документацию и расшифровав код ошибки частотного преобразователя мы с большой долей вероятности можем исправить эту ошибку на месте, сбросить ее на частотнике и запустить оборудование заново.
К сожалению не все ошибки частотных преобразователей GEFRAN можно исправить и сбросить самостоятельно, в некоторых случаях придется обращаться к специалистам сервисного центра.
Самые распространенные ошибки частотных преобразователей GEFRAN:
- Превышение тока;
- Перенапряжение или недостаточное напряжение;
- Перегрузка;
- Ошибка сигнала энкодера;
- Превышение температуры IGBT-модуля ;
- Ошибка связи;
- Обрыв фазы питания;
- Короткое замыкание.
Это не полный список распространенных ошибок частотных преобразователей GEFRAN которые можно сбросить самостоятельно без обращения к специалистам.
Коды ошибок частотного преобразователя GEFRAN ADV200
Настройка включения сигнала тревоги на цифровом выходе. Цифровой выход выбирается с помощью параметров Alm dig out mon 1÷4, который можно включить в списке выбора L_DIGSEL1.
| Код ошибки | Описание |
|---|---|
| 0 | No alarm |
| 1 | Overvoltage |
| 2 | Undervoltage |
| 3 | Ground fault |
| 4 | Overcurrent |
| 5 | Desaturation |
| 6 | MultiUndervolt |
| 7 | MultiOvercurr |
| 8 | MultiDesat |
| 9 | Heatsink OT |
| 10 | HeatsinkS OTUT |
| 11 | Intakeair OT |
| 12 | Motor OT |
| 13 | Drive overload |
| 14 | Motor overload |
| 15 | Bres overload |
| 16 | Phaseloss |
| 17 | Opt Bus fault |
| 18 | Opt 1 IO fault |
| 19 | Opt 2 IO fault |
| 20 | Opt Enc fault |
| 21 | External fault |
| 22 | Speed fbk loss |
| 23 | Overspeed |
| 24 | Speed ref loss |
| 25 | Emg stop alarm |
| 26 | Power down |
| 27 | ExtIO fault |
| 28 | FastLink fault |
| 29 | Brake fault |
| 30 | Motor pre OT |
| 31 | Mot phase loss |
| 32 | Condensation |
| 33 | Plc1 fault |
| 34 | Plc2 fault |
| 35 | Plc3 fault |
| 36 | Plc4 fault |
| 37 | Plc5 fault |
| 38 | Plc6 fault |
| 39 | Plc7 fault |
| 40 | Plc8 fault |
| 41 | Watchdog |
| 42 | Trap error |
| 43 | System error |
| 44 | User error |
| 45 | Param error |
| 46 | Load def par |
| 47 | Plc cfg error |
| 48 | Load def plc |
| 49 | Key failed |
| 50 | Encoder error |
| 51 | Opt cfg change |
| 52 | HumTempSensErr |
| 53 | Plc9 fault |
| 54 | Plc10 fault |
| 55 | Plc11 fault |
| 56 | Plc12 fault |
| 57 | Plc13 fault |
| 58 | Plc14 fault |
| 59 | Plc15 fault |
| 60 | Plc16 fault |
| 61 | UV Wng&Restart |
| 62 | An inpLoss |
Документация
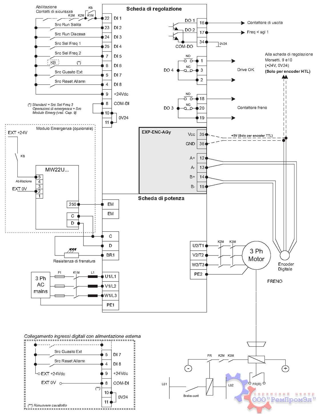
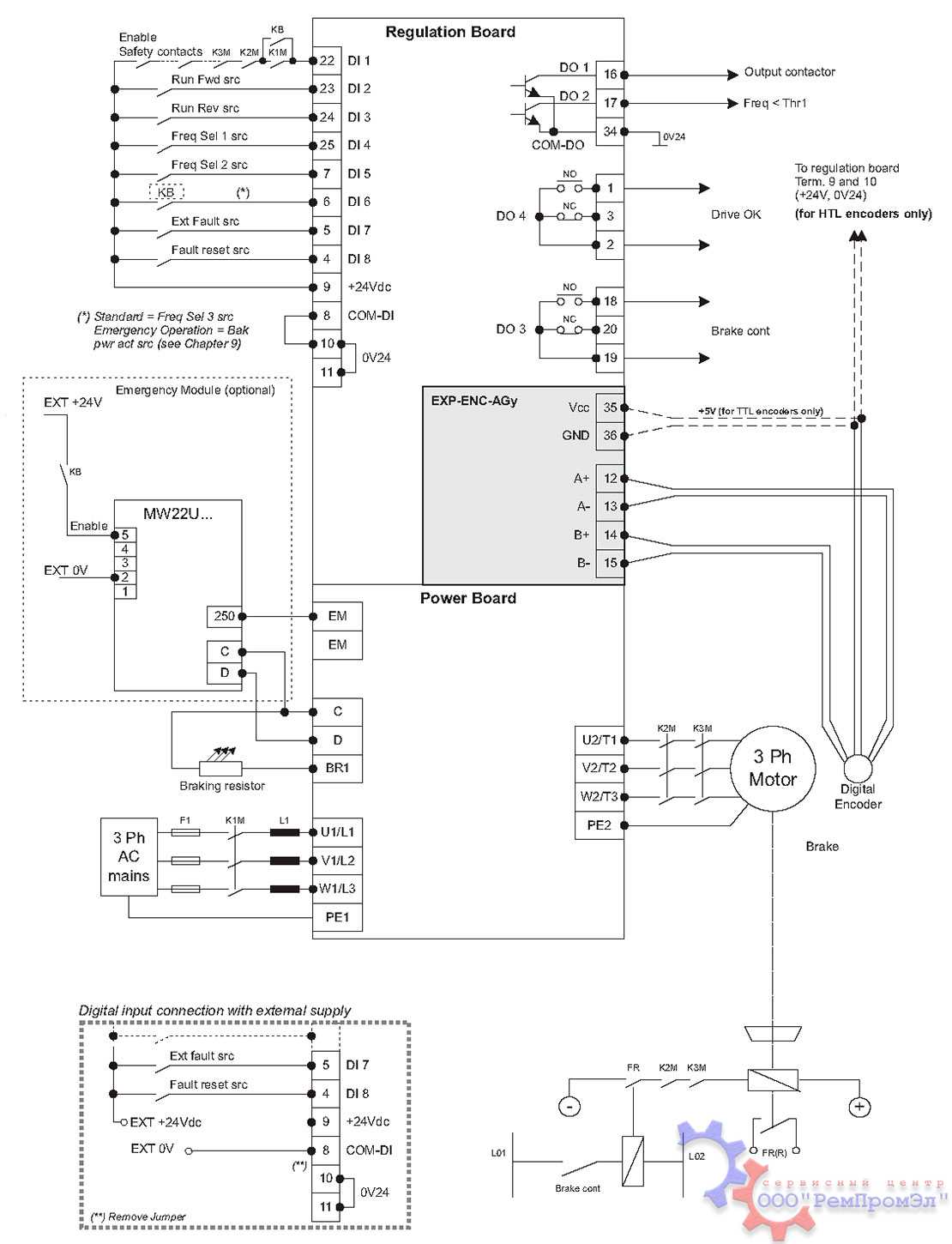
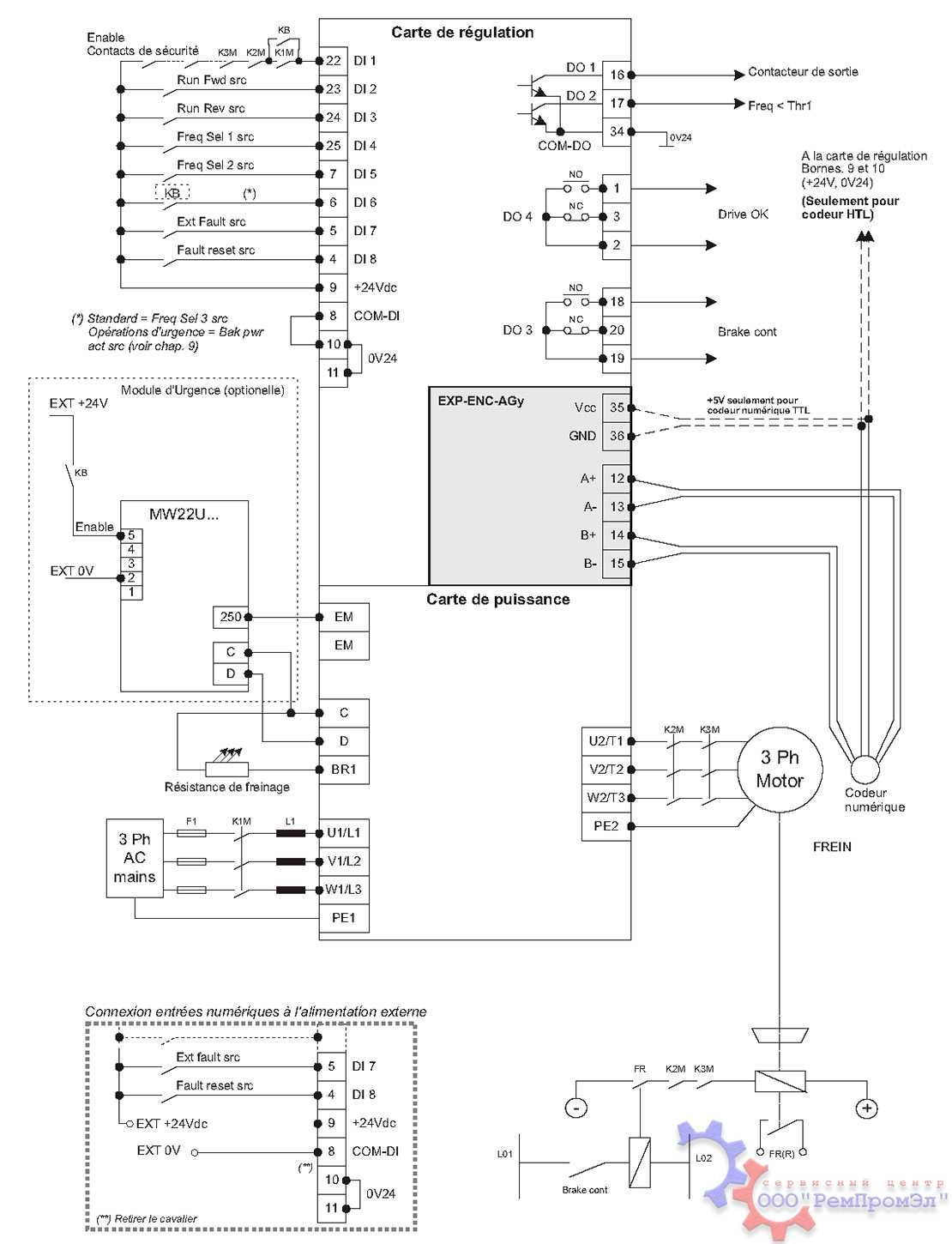
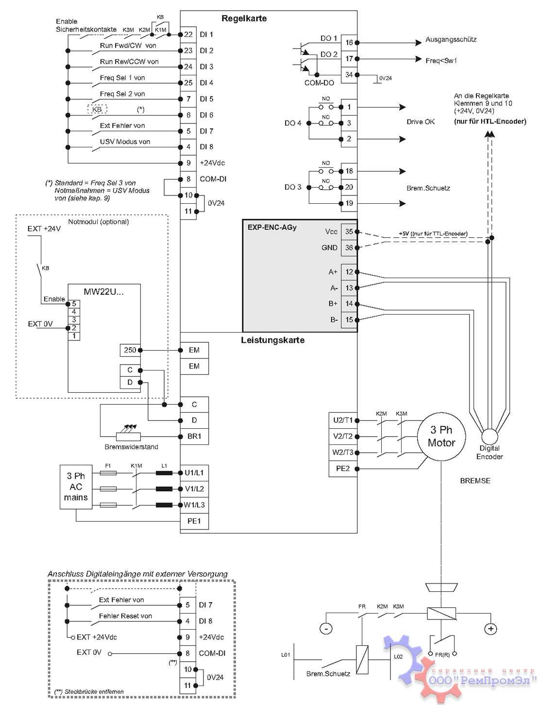
Типовые схемы подключения ПЧ GEFRAN AGy Lift
Типы частотных преобразователей GEFRAN
| Частотник | Тип частотного преобразователя |
|---|---|
|
GEFRAN ADV20 |
ADV20-1004-KXX-1M; ADV20-2007-KXX-1M; ADV20-1004-KXX-2MF; ADV20-1007-KXX-2MF; ADV20-2015-KXX-2MF; ADV20-2022-KXX-2MF; ADV20-1004-KXX-4F; ADV20-1007-KXX-4F; ADV20-2015-KXX-4F; ADV20-2022-KXX-4F; ADV20-2037-KXX-4F |
|
GEFRAN ADV50 |
ADV50-1004-XXX-2MF; ADV50-1007-XXX-2MF; ADV50-2015-XBX-2MF; ADV50-2022-XBX-2MF; ADV50-1007-XXX-2T; ADV50-1015-XXX-2TADV50-2022-XBX-2T; ADV50-3037-XBX-2T; ADV50-3075-XBX-2T; ADV50-2055-XBX-2T; ADV50-1004-XXX-4F; ADV50-1007-XXX-4F; ADV50-1015-XXX-4F; ADV50-2022-XBX-4F; ADV50-2037-XBX-4F; ADV50-3055-XBX-4F; ADV50-3075-XBX-4F; ADV50-3110-XBX-4F |
| GEFRAN ADV80 | ADV80-1004-KB-XXX; ADV80-1005-KB-XXX; ADV80-1007-KB-XXX; ADV80-2015-KB-XXX; ADV80-2022-KB-XXX; ADV80-2030-KB-XXX; ADV80-2040-KB-XXX; ADV80-2055-KB-XXX; ADV80-2075-KB-XXX; ADV80-3110-KB-XXX; ADV80-3150-KB-XXX; ADV80-3180-KB-XXX; ADV80-3220-KB-XXX |
| GEFRAN ADV100 | ADV100-1040; ADV100-1055; ADV100-2075; ADV100-2110; ADV100-3150; ADV100-3185; ADV100-3220; ADV100-4300; ADV100-4370; ADV100-4450; ADV100-5550; ADV100-5750; ADV100-5900 |
| GEFRAN ADV200 | ADV-1007-KBX-4; ADV-1015-KBX-4; ADV-1022-KBX-4; ADV-1030-KBX-4; ADV-1040-KBX-4; ADV-2055-KBX-4; ADV-2075-KBX-4; ADV-2110-KBX-4; ADV-3150-KBX-4; ADV-3185-KBX-4; ADV-3220-KBX-4; ADV-4300-KBX-4; ADV-4370-KBX-4; ADV-4450-KBX-4; ADV-5550-KBX-4; ADV-4300-KXX-4; ADV-4370-KXX-4; ADV-4450-KXX-4; ADV-5550-KXX-4; ADV-5750-KXX-4; ADV-5900-KXX-4; ADV-61100-KXX-4; ADV-61320-KXX-4; ADV-71600-KXX-4; ADV-72000-KXX-4; ADV-72500-KXX-4; ADV-73150-KXX-4; ADV-73550-KXX-4 |
| GEFRAN AFE200 | AFE200-3220-KXX-4; AFE200-4450-KXX-4; AFE200-5900-KXX-4; AFE200-61320-KXX-4; AFE200-71600-KXX-4; AFE200-72000-KXX-4; AFE200-72500-KXX-4; AFE200-73150-KXX-4; AFE200-73550-KXX-4; AFE200-72000-KXX-4-MS; AFE200-72000-XXX-4-SL; AFE200-72500-KXX-4-MS; AFE200-72500-XXX-4-SL; AFE200-73150-KXX-4-MS; AFE200-73150-XXX-4-SL; AFE200-73550-KXX-4-MS; AFE200-73550-XXX-4-SL; AFE200-73150-KXX-4-MS; AFE200-73550-KXX-4-MS; AFE200-71600-KXX-6; AFE200-72000-KXX-6; AFE200-72500-KXX-6; AFE200-73150-KXX-6; AFE200-73550-KXX-6; AFE200-72000-KXX-6-MS; AFE200-72000-XXX-6-SL; AFE200-72500-KXX-6-MS; AFE200-72500-XXX-6-SL; AFE200-73150-KXX-6-MS; AFE200-73150-XXX-6-SL |
| GEFRAN AGy-EV | AGy-EV1007-KBX-4; AGy-EV1015-KBX-4; AGy-EV1022-KBX-4; AGy-EV1030-KBX-4; AGy-EV2040-KBX-4; AGy-EV2055-KBX-4; AGy-EV2075-KBX-4; AGy-EV3110-KBX-4; AGy-EV3150-KBX-4; AGy-EV4185-KBX-4; AGy-EV4220-KBX-4; AGy-EV4300-KBX-4; AGy-EV4370-KBX-4; AGy-EV5450-KBX-4; AGy-EV5550-KBX-4; AGy-EV4185-KXX-4; AGy-EV4220-KXX-4; AGy-EV4300-KXX-4; AGy-EV4370-KXX-4; AGy-EV5450-KXX-4; AGy-EV5550-KXX-4; AGy-EV6750-KXX-4; AGy-EV7900-KXX-4; AGy-EV71100-KXX-4; AGy-EV71320-KXX-4; AGy-EV81600-KXX-4; AGy-EV82000-KXX-4; AGy-EV1007-KBX-4-C; AGy-EV1015-KBX-4-C |
| GEFRAN AVY | AVy-1007-KBX-4; AVy-1015-KBX-4; AVy-1022-KBX-4; AVy-1030-KBX-4; AVy-2040-KBX-4; AVy-2055-KBX-4; AVy-2075-KBX-4; AVy-3110-KBX-4; AVy-3150-KBX-4; AVy-4185-KBX-4; AVy-4220-KBX-4; AVy-4300-KBX-4; AVy-4370-KBX-4; AVy-5450-KBX-4; AVy-5550-KBX-4; AVy-6750-KBX-4; AVy-7900-KBX-4; AVy-71320-KBX-4 |
| GEFRAN AVY LIFT | AVy1007-XBL-AC; AVy1015-XBL-AC; AVy1022-XBL-AC AVY; AVy1030-XBL-AC AVY; AVy2040-XBL-AC4; AVy2055-XBL-AC4; AVy2075-XBL-AC4; AVy3110-XBL-AC4; AVy3150-XBL-AC4; AVy4185-XBL-AC4; AVy4221-XBL-AC4; AVy4301-XBL-AC4; AVy4371-XBL-AC4; AVy5450-XBL-AC4; AVy5550-XBL-AC4; AVy1022-XBL-BR |
| GEFRAN QUIX-QX3 | QUIX-QX3-1004-KBX; QUIX-QX3-1005-KBX; QUIX-QX3-1007-KBX; QUIX-QX3-2015-KBX; QUIX-QX3-2022-KBX; QUIX-QX3-2030-KBL; QUIX-QX3-2040-KBL; QUIX-QX3-2055-KBL |
| GEFRAN AGyL | AGy1007-KBL-AC-4; AGy1015-KBL-AC-4; AGy1022-KBL-AC-4; AGy1030-KBL-AC-4; AGy2040-KBL-AC-4; AGy2055-KBL-AC-4; AGy2075-KBL-AC-4; AGy3110-KBL-AC-4; AGy3150-KBL-AC-4; AGy4185-KBL-AC-4; AGy4221-KBL-AC-4; AGy4301-KBL-AC-4; AGy4371-KBL-AC-4; AGy5450-KBL-AC-4; AGy6750-KBL-AC-4 |
| GEFRAN AGy Lift | AGyL-1007; AGyL-1015; AGyL-1022; AGyL-1030; AGyL-2040; AGyL-2055; AGyL-3110; AGyL-3150; AGyL-4185; AGyL-4221; AGyL-4301; AGyL-4371; AGyL-5450; AGyL-5550; AGyL-6750; AGyL-7900; AGyL-71100; AGyL-71320; AGyL-81600; AGyL-82000 |
В таблице указаны далеко не все типы частотных преобразоватетей GEFRAN ремонт которых предлагает наш сервисный центр. Мы предлагаем качественный ремонт частотных преобразователей GEFRAN в Тольятти абсолютно любого года выпуска.
Оставить заявку на ремонт частотного преобразователя GEFRAN
От того как и из каких комплектующих будет проводиться ремонт преобразователя зависит на сколько долго он сможет проработать в дальнейшем. Сделав правильный выбор, обратившись в сервисный центр "РемПромЭл" вы получите отремонтированный частотник в самые кратчайшие сроки, при этом мы стараемся использовать только оригинальные запасные части, на сколько это возможно, что дает возможность без каких либо рисков давать длинный гарантийный срок.
У вас есть проблемы с частотником? Вам нужен срочный ремонт частотного преобразователя GEFRAN или его настройка? Оставьте заявку на ремонт частотника GEFRAN в Тольятти воспользовавшись одноименной кнопкой на сайте либо обратитесь к нашим менеджерам. Связаться с ними можно несколькими способами:

- Заказав обратный звонок (кнопка в правом верхнем углу сайта)
- Посредством чата (кнопка расположена с левой стороны сайта)
- Позвонив по номеру телефона: +7(927)610-78-70; +7(848)255-80-30
- Написав на электронную почту: Адрес электронной почты защищен от спам-ботов. Для просмотра адреса в вашем браузере должен быть включен Javascript.
















