Ошибки и ремонт сервоприводов KEB в Тольятти
Ремонт сервоприводов KEB в Тольятти

Ремонт сервоприводов KEB в Тольятти, одна из многих услуг предлагаемых сервисным центром "РемПромЭл". Сервопривод относится к сложной промышленной электронике и состоит из двух взаимосвязанных составляющих- это электронная и силовая часть. Подобное конструктивное исполнение значительно усложняет ремонт сервоприводов KEB.
Сервопривода достаточно распространенное промышленное оборудование, и как все подвержены износу. В зависимости от интенсивности использования, нагрузки, среды в которой работает оборудования сервопривода выходят из строя останавливая рабочий процесс.
В целях сомнительной "экономии" некоторые пытаются провести ремонт сервоусилителя KEB самостоятельно на территории производства. Зачастую данные действия приводят к значительному удорожанию ремонта а при самом неблагоприятном исходе могут привести к не ремонтопригодности серводрайвера.
В виду вышесказанного, настоятельно рекомендуем, не пытайтесь проводить ремонт сервоприводов KEB своими силами, обратитесь за помощью к специалистам. Современный специализированный сервисный центр имеет в наличии весь необходимый инструмент, включая специальное диагностическое оборудование, а компетентный персонал проведет качественный ремонт сервоприводов KEB в Тольятти, дополнительно сервисные центры дают гарантию на проведенные ремонтные работы.
Ремонт сервоприводов KEB в СЦ "РемПромЭл"

Ремонт сервоприводов KEB в сервисном центре самое разумное и экономически выгодное решение. Грамотные специалисты со знанием дела проведут глубокую диагностику неисправного блока и последующий ремонт сервопривода KEB в кратчайшие сроки. К написанному можно добавить то, что каждый без исключения ремонт сервопривода KEB в СЦ "РемПромЭл" проводится с применением оригинальных запасных частей.
В 2013-ом году специалистами компании был проведен первый ремонт сервопривода KEB положивший начало дальнейшему развитию в данном направлении. За прошедшее время были отремонтированы сотни единиц промышленного оборудования и накоплен колоссальный, бесценный опыт в ремонте сервоприводов различных производителей.
Сервисный центр "РемПромЭл" оснащен самым современным диагностическим и ремонтным оборудованием, имеются в наличии расходные материалы, а так же на складе компании богатый выбор оригинальных запасных частей, что дает возможность провести качественный ремонт сервоприводов KEB.
Обратившись в СЦ за ремонтом сервоприводов вы получите:
- Глубокую диагностику с выявлением неисправного компонента;
- Чистку неисправного блока;
- Ремонт сервопривода KEB в кратчайшие сроки;
- Настройка сервоусилителя;
- Проверку отремонтированного блока на специальном стенде в условиях максимально приближенных к реальным;
- Видео проверки отремонтированного серводрайвера.
Отдельное внимание мы уделяем качеству проведения ремонта и даем гарантию на ремонт сервоприводов KEB, а так же на замененные в процессе ремонта запасные части и расходные материалы 6 месяцев.
Настройка сервоусилителей KEB в Тольятти

Настройка сервоприводов (сервоусилителей) - это заключительный этап ремонта и в тоже время очень важный. Для правильной работы восстановленного блока просто необходимо провести грамотное программирование сервоусилителя. Ремонт и дальнейшую настройку сервоприводов выполняют разные специалисты, так как подобная работа довольно сложная и имеет свою специфику.
Настройка сервоусилителей или как еще называют программирование сервоприводов KEB, неотъемлемая часть процесса реанимирования, ввиду того, что ремонт силовой части это только половина мероприятий направленных на восстановление работоспособности сервоприводов.
В некоторых случаях возникает необходимость провести программирование сервоусилителя без его ремонта. Причин по которым может возникнуть подобная необходимость масса.
Настройка сервоуслилтелей KEB в Тольятти может быть и отдельной услугой предоставляемой сервисным центром "РемПромЭл". Инженеры компании проведут необходимую настройку сервоприводов не только на территории сервисного центра, при необходимости можно заказать услугу выезда специалиста на территорию заказчика (по предварительной договоренности).
От качественной настройки сервоусилителя зависит правильная и безаварийная работа связки сервопривода и серводвигателя, а для этого требуется не много, просто программирование сервопривода KEB должен проводить компетентный персонал с богатым опытом по настройке сервоуслилтелей.
Подключение сервопривода KEB

Подключение сервопривода KEB к оборудованию заказчика это еще одна услуга предоставляемая нашей компанией.
При необходимости специалист центра выполнит подключение сервопривода KEB с выездом на территорию заказчика.
В некоторых случаях на производстве может быть дефицит квалифицированны кадров которые могли бы произвести качественное подключение сервопривода, именно по этому мы предлагаем услуги нашего сервисного центра.
Свяжитесь с нашими менеджерами, закажите выезд специалиста, и подключением сервопривода KEB займется инженер сервисного центра. В случае заказа на подключение сервопривода KEB силами наших специалистов вы получаете гарантию качества и работоспособности вашего оборудования.
Доверяя работу по подключению сервопривода KEB профессионалам, вы избавляетесь от головной боли и гарантированно получаете работающее оборудование в кратчайшие сроки за разумную цену.
Ошибки сервопривода KEB

Многие сервопривода данного производителя, за редким исключением оснащен информационной панелью с помощью которой проходит процесс программирования сервоприводов, а так же на ней в случае нештатной ситуации отображается код ошибки которая привела к остановке оборудования.
У каждого производителя разные коды ошибок у кого то это могут быть цифровые обозначения у кого то буквенные, но вся прелесть заключается в том, что открыв документацию и расшифровав код ошибки сервопривода мы с большой долей вероятности можем исправить эту ошибку на месте, сбросить ее на сервоприводе и запустить оборудование заново.
К сожалению не все ошибки сервоприводов можно исправить и сбросить самостоятельно, в некоторых случаях придется обращаться к специалистам сервисного центра.
Самые распространенные ошибки сервоприводов:
- Превышение тока;
- Перенапряжение или недостаточное напряжение;
- Перегрузка;
- Ошибка сигнала энкодера;
- Превышение температуры IGBT-модуля ;
- Ошибка связи;
- Обрыв фазы питания;
- Короткое замыкание.
Большинство неисправностей можно определить, наблюдая за четырьмя светодиодными индикаторами неисправности на каждой плате управления сервоприводом и используя VOM.
Если причина неисправности не очевидна и не может быть легко устранена, замените плату управления сервоприводом на новую. Это ускорит запуск системы и сократит время простоя оборудования. Ни при каких обстоятельствах вы не должны модифицировать или заменять какие-либо компоненты платы. Это может усугубить проблему и привести к аннулированию гарантии на оборудование.
Кроме того, если проблема возникает в системе, которая ранее работала нормально, не вносите никаких корректировок без предварительной диагностики причины или причин. Произвольная перенастройка блока только усугубит проблему.
Если во время работы неоднократно повторяются сообщения об ошибках, то в первую очередь необходимо точно выявить источник ошибки. Для этого следует осуществить проверку по следующему контрольному списку:
- Повторяется ли ошибка? Попробуйте сбросить ошибку и вызвать её снова при таких же условиях. Если ошибка является воспроизводимой, следующим шагом нужно определить, на каком этапе работы она возникает.
- Ошибка появляется во время определенной фазы работы (например, во время ускорения)? Если да, то следует просмотреть описание ошибок и устранить перечисленные в них причины.
- Появляется ли ошибка через какое-то определенное время (или же больше не возникает)? Это может указывать на то, что ошибка имеет температурные и т.п. причины. Проверьте, установлен ли частотный преобразователь в соответствии с требуемыми условиями окружающей среды и не происходит ли выделение конденсата.
Ошибки всегда показываются буквой „E“ и указанием на соответствующую ошибку на дисплее KEB COMBIVERT. Сообщения об ошибках приводят к немедленному отключению модуляции. Повторный запуск возможен только после сброса ошибки. Предупреждения о сбое в работе показываются буквой ,,A.” и соответствующим сообщением. Реакция на предупреждение о сбое может быть различной. Сообщения о статусе показывают текущее рабочее состояние преобразователя. Ниже следует описание ошибок и их причины:
Коды ошибок сервопривода KEB COMBIVERT F5-A, F5-E, F5-H
| Код ошибки | Описание | Значение |
|---|---|---|
| E.Acc | ОШИБКА макс. ускорение | 24 |
| E.blc | ОШИБКА блокада | 26 |
| E.br | ОШИБКА управления тормозом | 56 |
| E.buS | ОШИБКА связи цифровой сети | 18 |
| E.Cdd | ОШИБКА вычисления параметров привода | 60 |
| E.dOH | ОШИБКА внешнего перегрева | 9 |
| E.dri | ОШИБКА реле драйвера | 51 |
| E.EF | ОШИБКА по внешнему входу | 31 |
| E.Enc1 | ОШИБКА энкодера 1 | 32 |
| E.EnC2 | ОШИБКА энкодера 2 | 34 |
| E.EncC | ОШИБКА смена энкодера | 35 |
| E.Flc | ОШИБКА управление потоком | 27 |
| E.Hyb | ОШИБКА интерфейс энкодера | 52 |
| E.HybC | ОШИБКА новый интерфейс энкодера | 59 |
| E.iEd | ОШИБКА входа | 53 |
| E.iPH | ОШИБКА неисправность выходной фазы | 5 |
| E.InI | ОШИБКА загрузки MFC | 57 |
| E.LSF | ОШИБКА шунтирования зарядного резистора | 15 |
| E.ndOH | нет ОШИБКИ перегрев привода | 11 |
| E.nOH | нет ОШИБКИ перегрев радиатора | 36 |
| E.nOHI | нет ОШИБКИ внутренний перегрев | 7 |
| E.nOL | нет ОШИБКИ перегрузка | 17 |
| E.nOL2 | нет ОШИБКИ перегрузка 2 | 20 |
| E.OC | ОШИБКА перегрузка по току | 4 |
| E.OF | ОШИБКА! превышение частоты | 61 |
| E.OH | ОШИБКА перегрев теплоотводящего радиатора | 8 |
| E.OH2 | ОШИБКА электронная защита двигателя | 30 |
| E.OHI | ОШИБКА внутренний перегрев | 6 |
| E.OL | ОШИБКА перегрузка (I2xt) | 16 |
| E.OL2 | ОШИБКА перегрузка 2 | 19 |
| E.OP | ОШИБКА перенапряжение | 1 |
| E.OS | ОШИБКА превышение скорости | 58 |
| E.PrF | ОШИБКА блокировка вращения вперед | 46 |
| E.Prr | ОШИБКА pблокировка вращения назад | 47 |
| E. Pu | ОШИБКА силового модуля | 12 |
| E.Puci | ОШИБКА кода силового модуля | 49 |
| E.Puch | ОШИБКА изменения в силовом модуле | 50 |
| E.SbuS | ОШИБКА синхронизации с цифровой сетью | 23 |
| E.SCL | ОШИБКА предел управления скоростью | 25 |
Все возможные ошибки сервопривода KEB COMBIVERT F5-A, F5-E, F5-H - Скачать в формате PDF
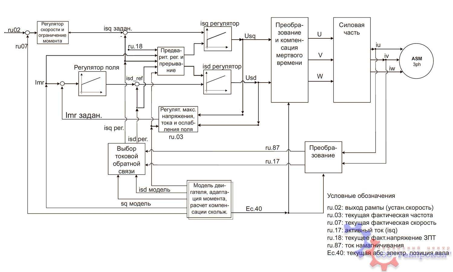
Блок-схемы управления асинхронными двигателями
| Блок-схема управления “ASCL” | Блок-схема управления “M” |
![]() |
![]() |
Типы сервоприводов KEB
| Сервопривод | Тип сервопривода |
|---|---|
|
KEB |
05.H6.GAB-11A0; 04.H6.GAB-11A0; 03.H6.GAB-11A0; 01.H6.GAB-11A0; 01.H6.GCB-11A0; 01.H6.GBB-11A0; 15.F5.M1E-3500; 09.F4.S1D-3420; 16.F5.M1E-34DA; 20.F5.G1R-Y01A; 09.F4.S1D-3420/1.2; 14.F5.MIE-3ADA; 09.F5.M1D-3AEA; 09.F5.A1D-3AEA |
Указанные в таблице типы сервоприводов KEB это далеко не все сервопривода данного производителя, ремонт которых производит наш сервисный центр. Мы предлагаем качественный ремонт сервоприводов в Тольятти выпущенных не только под брендом KEB инженеры центра выполнят ремонт сервоприводов абсолютно любых производителей и года выпуска.
Оставить заявку на ремонт сервопривода KEB

Вы заинтересованы в качественном ремонте дорогостоящего промышленного оборудования силами специалистов нашего сервисного центра, Вы сделали правильный выбор, мы приложим максимум усилий для скорейшего восстановления вышедшего из строя серводрайвера, что позволит Вам максимально сократить простой оборудования и сэкономить значительную сумму.
У вас есть проблемы с сервоприводом? Вам нужен срочный ремонт сервопривода KEB или других серий? Оставьте заявку на ремонт сервопривода KEB в Тольятти воспользовавшись одноименной кнопкой на сайте либо обратитесь к нашим менеджерам. Связаться с ними можно несколькими способами:

- Заказав обратный звонок (кнопка в правом верхнем углу сайта)
- Посредством чата (кнопка расположена с левой стороны сайта)
- Позвонив по номеру телефона: +7(927)610-78-70; +7(848)255-80-30
- Написав на электронную почту: Адрес электронной почты защищен от спам-ботов. Для просмотра адреса в вашем браузере должен быть включен Javascript.













