Настройка и ремонт частотных преобразователей EMERSON в Тольятти
Ремонт частотных преобразователей EMERSON в Тольятти
Ремонт частотных преобразователей EMERSON в Тольятти, одна из многих услуг предлагаемых сервисным центром "РемПромЭл". Преобразователи частоты относятся к сложной промышленной электронике и состоят из двух взаимосвязанных составляющих- это электронная и силовая часть. Подобное конструктивное исполнение значительно усложняет ремонт частотных преобразователей.
Преобразователь частоты достаточно распространенное промышленное оборудование, и как все подвержены износу. В зависимости от интенсивности использования, нагрузки, среды в которой работает оборудования частотные преобразователи выходят из строя останавливая рабочий процесс.
В целях сомнительной "экономии" некоторые пытаются провести ремонт частотного преобразователя EMERSON самостоятельно на территории производства. Зачастую данные действия приводят к значительному удорожанию ремонта а при самом неблагоприятном исходе могут привести к не ремонтопригодности частотника.
В виду вышесказанного настоятельно рекомендуем, не пытайтесь проводить ремонт частотных преобразователей своими силами, обратитесь за помощью к специалистам. Современный специализированный сервисный центр имеет в наличии весь необходимый инструмент, включая специальное диагностическое оборудование, а компетентный персонал проведет качественный ремонт частотных преобразователей EMERSON в Тольятти, к тому же сервисные центры дают гарантию на проведенные ремонтные работы.
Ремонт частотных преобразователей EMERSON в СЦ "РемПромЭл"
Ремонт частотных преобразователей EMERSON в сервисном центре самое разумное и экономически выгодное решение. Грамотные специалисты со знанием дела проведут глубокую диагностику неисправного блока и последующий ремонт частотного преобразователя EMERSON в кратчайшие сроки. К написанному можно добавить то, что каждый без исключения ремонт частотного преобразователя EMERSON в СЦ "РемПромЭл" проводится с применением оригинальных запасных частей.
В 2013-ом году специалистами компании был проведен первый ремонт частотного преобразователя положивший начало дальнейшему развитию в данном направлении. За прошедшее время были отремонтированы сотни единиц промышленного оборудования и накоплен колоссальный, бесценный опыт в ремонте частотных преобразователей различных производителей.
Сервисный центр "РемПромЭл" оснащен самым современным диагностическим и ремонтным оборудованием, имеются в наличии расходные материалы, а так же на складе компании богатый выбор оригинальных запасных частей, что дает возможность провести качественный ремонт частотных преобразователей EMERSON.
Обратившись в СЦ за ремонтом частотных преобразователей EMERSON в Тольятти вы получите:
- Глубокую диагностику с выявлением неисправного компонента;
- Чистку неисправного блока;
- Ремонт преобразователя в кратчайшие сроки;
- Настройку частотника;
- Проверку отремонтированного блока на специальном стенде в условиях максимально приближенных к реальным;
- Видео проверки отремонтированного сервопривода.
Отдельное внимание мы уделяем качеству проведения ремонта и даем гарантию на ремонт частотных преобразователей EMERSON и на замененные в процессе ремонта запасные части и расходные материалы 6 месяцев.
Настройка частотных преобразователей EMERSON в Тольятти
Настройка частотных преобразователей EMERSON - это заключительный этап ремонта и в тоже время очень важный. Для правильной работы восстановленного блока просто необходимо провести грамотное программирование частотного преобразователя. Ремонт и дальнейшую настройку преобразователей частоты EMERSON выполняют разные специалисты, так как подобная работа довольно сложная и имеет свою специфику.
Настройка частотных преобразователей EMERSON в Тольятти или как еще называют программирование частотников неотъемлемая часть процесса ремонта преобразователя, ввиду того, что ремонт силовой части это только половина мероприятий направленных на восстановление работоспособности преобразователя.
В некоторых случаях возникает необходимость провести программирование частотного преобразователя без его ремонта. Причин по которым может возникнуть подобная необходимость масса.
Настройка частотного преобразователя EMERSON может быть и отдельной услугой предоставляемой сервисным центром "РемПромЭл". Инженеры компании проведут необходимую настройку преобразователей EMERSON в Тольятти как на территории сервисного центра так и с выездом на территорию заказчика (по предварительной договоренности).
От качественной настройки преобразователя частоты зависит правильная и безаварийная работа связки частотника и серводвигателя, а для этого требуется не много, просто программирование частотного преобразователя EMERSON должен проводить компетентный персонал с богатым опытом по настройке частотников.
Подключение частотных преобразователей
Подключение частотных преобразователей EMERSON к оборудованию заказчика это еще одна услуга предоставляемая нашей компанией. В случае необходимости специалист центра выполнит подключение преобразователя частоты EMERSON с выездом на территорию заказчика.
В некоторых случаях на производстве может быть дефицит квалифицированны кадров которые могли бы произвести качественное подключение частотного преобразователя, по этому мы предлагаем услуги нашего сервисного центра.
Свяжитесь с нашими менеджерами и закажите выезд специалиста, и подключением частотного преобразователя EMERSON займется инженер сервисного центра. В случае заказа на подключение частотных преобразователей EMERSON силами наших специалистов вы получаете гарантию качества и работоспособности вашего оборудования.
Доверяя работу по подключению преобразователей частоты профессионалам, вы избавляетесь от головной боли и гарантированно получаете работающее оборудование в кратчайшие сроки и за разумную цену.
Ошибки частотных преобразователей
Каждый частотник, оснащен информационной панелью с помощью которой проходит процесс программирования частотных преобразователей, а так же на данную информационную панель в случае нештатной ситуации выводятся коды ошибок которые привели к остановке оборудования.
У каждого производителя разные коды ошибок у кого то это могут быть цифровые обозначения у кого то буквенные, но вся прелесть заключается в том, что открыв документацию и расшифровав код ошибки частотного преобразователя мы с большой долей вероятности можем исправить эту ошибку на месте, сбросить ее на частотнике и запустить оборудование заново.
К сожалению не все ошибки частотных преобразователей EMERSON можно исправить и сбросить самостоятельно, в некоторых случаях придется обращаться к специалистам сервисного центра.
Самые распространенные ошибки частотных преобразователей EMERSON:
- Превышение тока;
- Перенапряжение или недостаточное напряжение;
- Перегрузка;
- Ошибка сигнала энкодера;
- Превышение температуры IGBT-модуля ;
- Ошибка связи;
- Обрыв фазы питания;
- Короткое замыкание.
Это не полный список распространенных ошибок частотных преобразователей EMERSON которые можно сбросить самостоятельно без обращения к специалистам.
Коды ошибок частотного преобразователя EMERSON Unidrive SP
Сообщения с предупреждениями, формируемые приводом
| Код ошибки | Описание |
|---|---|
| OI.AC | Instantaneous output over current detected: peak output current greater than 225% |
| br.th | Internal braking resistor thermistor temperature monitoring fail (size 0 only) |
| C.Acc | SMARTCARD trip: SMARTCARD Read / Write fail |
| C.boot | SMARTCARD trip: The menu 0 parameter modification cannot be saved to the SMARTCARD because the necessary file has not been created on the SMARTCARD |
| C.bUSY | SMARTCARD trip: SMARTCARD can not perform the required function as it is being accessed by a Solutions Module |
| C.Chg | SMARTCARD trip: Data location already contains data |
| C.cPr | SMARTCARD trip: The values stored in the drive and the values in the data block on the SMARTCARD are different |
| C.dAt | SMARTCARD trip: Data location specified does not contain any data |
| C.Err | SMARTCARD trip: SMARTCARD data is corrupted |
| C.Full | SMARTCARD trip: SMARTCARD full |
| cL2 | Analog input 2 current loss (current mode) |
| cL3 | Analog input 3 current loss (current mode) |
| CL.bit | Trip initiated from the control word (Pr 6.42) |
| ConF.P | The number of power modules installed no longer matches the value stored in Pr 11.35 |
| C.OPtn | SMARTCARD trip: Solutions Modules installed are different between source drive and destination drive |
| C.Prod | SMARTCARD trip: The data blocks on the SMARTCARD are not compatible with this product |
| C.rdo | SMARTCARD trip: SMARTCARD has the Read Only bit set |
| C.rtg | SMARTCARD trip: The voltage and/or current rating of the source and destination drives are different |
| C.TyP | SMARTCARD trip: SMARTCARD parameter set not compatible with drive |
| dESt | Two or more parameters are writing to the same destination parameter |
| EEF | EEPROM data corrupted - Drive mode becomes open loop and serial comms will timeout with remote keypad on the drive RS485 comms port. |
| EnC1 | Drive encoder trip: Encoder power supply overload |
| EnC2 | Drive encoder trip: Encoder power supply overload |
| EnC2 | Drive encoder trip: Wire break (Drive encoder terminals 1 & 2, 3 & 4, 5 & 6) |
| EnC3 | Drive encoder trip: Phase offset incorrect while running |
| EnC4 | Drive encoder trip: Feedback device comms failure |
| EnC5 | Drive encoder trip: Checksum or CRC error |
| EnC6 | Drive encoder trip: Encoder has indicated an error |
| EnC7 | Drive encoder trip: Initialisation failed |
| EnC8 | Drive encoder trip: Auto configuration on power up has been requested and failed |
| EnC9 | Drive encoder trip: Position feedback selected is selected from a Solutions Module slot which does not have a speed / position feedback Solutions Module installed |
| EnC10 | Drive encoder trip: Servo mode phasing failure because encoder phase angle (Pr 3.25 or Pr 21.20) is incorrect |
| Enc11 | Drive encoder trip: A failure has occurred during the alignment of the analog signals of a SINCOS encoder with the digital count derived from the sine and cosine waveforms and the comms position (if applicable). This fault is usually due to noise on the sine and cosine signals. |
| Enc12 | Drive encoder trip: Hiperface encoder - The encoder type could not be identified during auto-configuration |
| Enc13 | Drive encoder trip: EnDat encoder - The number of encoder turns read from the encoder during auto-configuration is not a power of 2 |
| Enc14 | Drive encoder trip: EnDat encoder - The number of comms bits defining the encoder position within a turn read from the encoder during auto-configuration is too large. |
| Enc15 | Drive encoder trip: The number of periods per revolution calculated from encoder data during auto-configuration is either less than 2 or greater than 50,000. |
| Enc16 | Drive encoder trip: EnDat encoder - The number of comms bits per period for a linear encoder exceeds 255. |
| Enc17 | Drive encoder trip: The periods per revolution obtained during auto-configuration for a rotary SINCOS encoder is not a power of two. |
| ENP.Er | Data error from electronic nameplate stored in selected position feedback device |
| Et | External trip |
| HF01 | Data processing error: CPU address error |
| HF02 | Data processing error: DMAC address error |
| HF03 | Data processing error: Illegal instruction |
| HF04 | Data processing error: Illegal slot instruction |
| HF05 | Data processing error: Undefined exception |
| HF06 | Data processing error: Reserved exception |
| HF07 | Data processing error: Watchdog failure |
| HF08 | Data processing error: Level 4 crash |
| HF09 | Data processing error: Heap overflow |
| HF10 | Data processing error: Router error |
| HF11 | Data processing error: Access to EEPROM failed |
| HF12 | Data processing error: Main program stack overflow |
| HF13 | Data processing error: Software incompatible with hardware |
| HF17 | Multi-module system thermistor short circuit or open circuit |
| HF18 | Multi-module system interconnect cable error |
| HF19 | Temperature feedback multiplexing failure |
| HF20 | Power stage recognition: serial code error |
| HF21 | Power stage recognition: unrecognised frame size |
| HF22 | Power stage recognition: multi module frame size mismatch |
| HF23 | Power stage recognition: multi module voltage or current rating mismatch |
| HF24 | Power stage recognition: unrecognised drive size |
| HF25 | Current feedback offset error |
| HF26 | Soft start relay failed to close, soft start monitor failed or braking IGBT short circuit at power up |
| HF27 | Power stage thermistor 1 fault |
| HF28 | Power stage thermistor 2 fault |
| HF29 | Control board thermistor fault |
| HF30 | DCCT wire break trip from power module |
| HF31 | Internal capacitor bank fan failure or a module has not powered up in a multi-module parallel drive |
| HF32 | Power stage - Identification and trip information serial code error |
| It.AC | Output current overload timed out (I2t) - accumulator value can be seen in Pr 4.19 |
| It.br | Braking resistor overload timed out (I2t) – accumulator value can be seen in Pr 10.39 |
| L.SYnC | Drive failed to synchronize to the supply voltage in Regen mode |
| O.CtL | Drive control board over temperature |
| O.ht1 | Power device over temperature based on thermal model |
| O.ht2 | Heatsink over temperature |
| Oht2.P | Power module heatsink over temperature |
| O.ht3 | Drive over-temperature based on thermal model |
| Oht4.P | Power module rectifier over temperature or input snubber resistor over temperature (size 4 and above) |
| OI.AC | Instantaneous output over current detected: peak output current greater than 222% |
| OIAC.P | Power module over current detected from the module output currents |
| OI.br | Braking transistor over-current detected: short circuit protection for the braking transistor activated |
| OIbr.P | Power module braking IGBT over current |
| OIdC.P | Power module over current detected from IGBT on state voltage monitoring |
| O.Ld1 | Digital output overload: total current drawn from 24V supply and digital outputs exceeds 200mA |
| O.SPd | Motor speed has exceeded the over speed threshold |
| OV | DC bus voltage has exceeded the peak level or the maximum continuous level for 15 seconds |
| OV.P | Power module DC bus voltage has exceeded the peak level or the maximum continuous level for 15 seconds |
| PAd | Keypad has been removed when the drive is receiving the speed reference from the keypad |
| PH | AC voltage input phase loss or large supply imbalance detected |
| PH.P | Power module phase loss detection |
| PS | Internal power supply fault |
| PS.10V | 10V user power supply current greater than 10mA |
| PS.24V | 24V internal power supply overload |
| PS.P | Power module power supply fail |
| PSAVE.Er | Power down save parameters in the EEPROM are corrupt |
| rS | Failure to measure resistance during autotune or when starting in open loop vector mode 0 or 3 |
| SAVE.Er | User save parameters in the EEPROM are corrupt |
| SCL | Drive RS485 serial comms loss to remote keypad |
| SLX.dF | Solutions Module slot X trip: Solutions Module type installed in slot X changed |
Документация
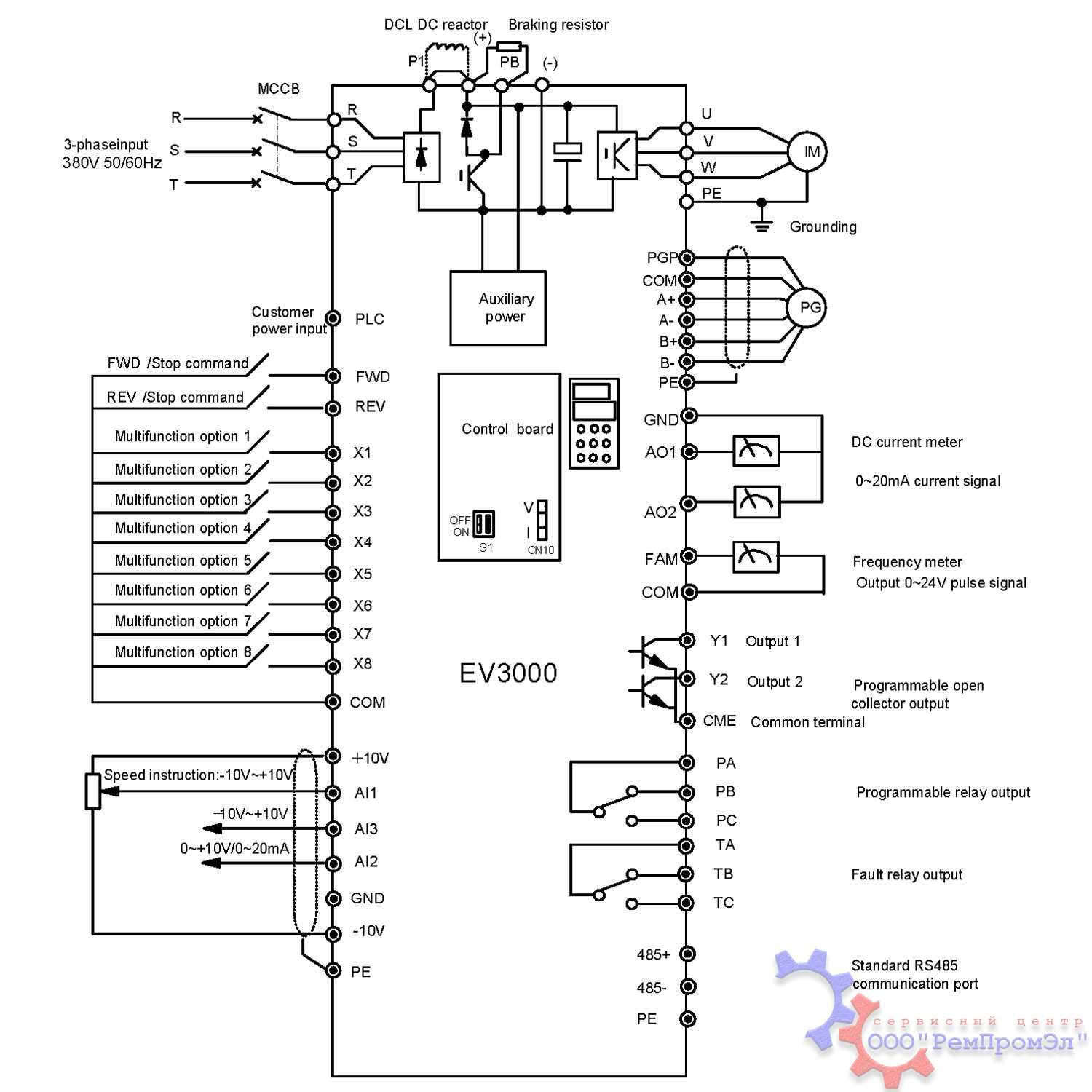
Типовые схемы подключения ПЧ EMERSON
Типы частотных преобразователей EMERSON
| Частотник | Тип частотного преобразователя |
|---|---|
|
EMERSON Unidrive SP |
SP64X1; SP64X2; SP66X1; SP66X2; SP74X1; SP74X2; SP76X1; SP76X2; SP84X1; SP84X2; SP84X3; SP84X4; SP86X1; SP86X2; SP86X3; SP86X4; SP94X1; SP94X3; SP94X4; SP94X5; SP96X1; SP96X3; SP96X4; SP96X5 |
|
EMERSON EV1000 |
EV1000-2S0004G; EV1000-2S0007G; EV1000-2S0015G; EV1000-2S0022G; EV1000-4T0007G; EV1000-4T0015G; EV1000-4T0022G; EV1000-4T0037G; EV1000-4T0037P; EV1000-4T0055G; EV1000-4T0055P; EV1000-2S0022G-E7 |
| EMERSON EV2000 | EV2000-4T0055G/0075P; EV2000-4T0150G/0185P-F1; EV2000-4T0075G/0110P; EV2000-4T0055G/0075P; EV2000-4T0075G/0110P; EV2000-4T0110G/0150P; EV2000-4T0150G/0185P; EV2000-4T0185G1/0220P1; EV2000-4T0220G1/0300P1; EV2000-4T0300G1/0370P1; EV2000-4T0370G1/0450P1; EV2000-4T0450G1/0550P1; EV2000-4T0550G; EV2000-4T0750G; EV2000-4T0900G; EV2000-4T1100G; EV2000-4T1320G; EV2000-4T1600G; EV2000-4T2000G; EV2000-4T2200G; EV2000-4T0750P; EV2000-4T0900P; EV2000-4T1100P; EV2000-4T1320P; EV2000-4T1600P; EV2000-4T2000P; EV2000-4T2200P; EV2000-4T2800P |
| EMERSON EV3000 | EV3000-4T0022G; EV3000-4T0037G; EV3000-4T0055G; EV3000-4T0075G; EV3000-4T0110G; EV3000-4T0150G; EV3000-4T0185G; EV3000-4T0220G; EV3000-4T0300G; EV3000-4T0370G; EV3000-4T0450G; EV3000-4T0550G; EV3000-4T0750G; EV3000-4T0900G; EV3000-4T1100G; EV3000-4T1320G; EV3000-4T1600G; EV3000-4T2000G; EV3000-4T2200G; EV3000-4T0185G1; EV3000-4T0220G1 |
| EMERSON Unidrive M100 | M100-011-00017; M100-011-00024; M100-021-00042; M100-021-00056; M100-012-00017; M100-012-00024; M100-012-00033; M100-012-00042; M100-022-00024; M100-022-00033; M100-022-00042; M100-022-00056; M100-022-00075; M100-032-00100; M100-042-00133; M100-042-00176; M100-024-00013; M100-024-00018; M100-024-00023; M100-024-00032; M100-024-00041; M100-034-00056; M100-034-00073; M100-034-00094; M100-044-00135; M100-044-00170 |
| EMERSON Unidrive M200 | M200-011-00017; M200-011-00024; M200-021-00042; M200-021-00056; M200-012-00017; M200-012-00024; M200-012-00033; M200-012-00042; M200-022-00024; M200-022-00033; M200-022-00042; M200-022-00056; M200-022-00075; M200-032-00100; M200-042-00133; M200-042-00176; M200-052-00250; M200-062-00330; M200-062-00440; M200-024-00013; M200-024-00018; M200-024-00023; M200-024-00032; M200-024-00041; M200-034-00056; M200-034-00073; M200-034-00094; M200-044-00135; M200-044-00170; M200-054-00270 |
| EMERSON Unidrive M300 | M300-024-00018; M300-024-00023; M300-024-00032; M300-024-00041; M300-034-00056; M300-034-00073; M300-034-00094; M300-044-00135; M300-044-00170; M300-054-00270; M300-054-00300; M300-064-00350; M300-064-00420; M300-064-00470; M300-012-00017; M300-012-00024; M300-012-00033; M300-012-00042; M300-022-00024; M300-022-00033; M300-022-00042; M300-022-00056; M300-022-00075; M300-032-00100; M300-042-00133; M300-042-00176; M300-052-00250; M300-062-00330; M300-062-00440; M300-011-00017; M300-011-00024; M300-021-00042; M300-021-00056; M300-055-00030; M300-055-00040; M300-055-00069 |
| EMERSON Unidrive M400 | M400-055-00030; M400-055-00040; M400-055-00069; M400-065-00100; M400-065-00150; M400-065-00190; M400-065-00230; M400-065-00290; M400-065-00350; M400-075-00440; M400-075-00550; M400-085-00630; M400-085-00860; M400-095-01040; M400-095-01310; M400-076-00190; M400-076-00240; M400-076-00290; M400-076-00380; M400-076-00440; M400-076-00540; M400-086-00630; M400-086-00860; M400-096-01040; M400-096-01310; M400-011-00017; M400-011-00024; M400-021-00042; M400-021-00056; M400-012-00017; M400-012-00024; M400-012-00033; M400-012-00042; M400-022-00024; M400-022-00033; M400-022-00042 |
| EMERSON Unidrive M600 | M600-032-00050; M600-032-00066; M600-032-00080; M600-032-00106; M600-042-00137; M600-042-00185; M600-052-00250; M600-062-00330; M600-062-00440; M600-072-00610; M600-072-00750; M600-072-00830; M600-082-01160; M600-082-01320; M600-092-01760; M600-092-02190; M600-034-00025; M600-034-00031; M600-034-00045; M600-034-00062; M600-034-00078; M600-034-00100; M600-044-00150; M600-044-00172; M600-054-00270; M600-054-00300; M600-064-00350; M600-064-00420; M600-065-00150; M600-065-00190; M600-065-00230; M600-065-00290; M600-065-00350; M600-075-00440; M600-075-00550; M600-085-00630; M600-085-00860; M600-095-01040; M600-095-01310; M600-076-00190 |
| EMERSON Unidrive M600 | M700-034-00025-A; M700-034-00031-A; M700-034-00045-A; M700-034-00062-A; M700-034-00078-A; M700-034-00100-A; M700-044-00150-A; M700-044-00172-A; M700-054-00270-A; M700-054-00300-A; M700-064-00350-A; M700-064-00420-A; M700-064-00470-A; M700-074-00660-A; M700-074-00770-A; M700-074-01000-A; M700-084-01340-A; M700-084-01570-A; M700-094-02000-A; M700-094-02240-A; M700-104-02000-A; M700-104-02240-A; M700-104-02700-A; M700-104-03200-A |
В таблице указаны далеко не все типы частотных преобразоватетей EMERSON ремонт которых предлагает наш сервисный центр. Мы предлагаем качественный ремонт частотных преобразователей EMERSON в Тольятти абсолютно любого года выпуска.
Оставить заявку на ремонт частотного преобразователя EMERSON
От того как и из каких комплектующих будет проводиться ремонт преобразователя зависит на сколько долго он сможет проработать в дальнейшем. Сделав правильный выбор, обратившись в сервисный центр "РемПромЭл" вы получите отремонтированный частотник в самые кратчайшие сроки, при этом мы стараемся использовать только оригинальные запасные части, на сколько это возможно, что дает возможность без каких либо рисков давать длинный гарантийный срок.
У вас есть проблемы с частотником? Вам нужен срочный ремонт частотного преобразователя EMERSON или его настройка? Оставьте заявку на ремонт частотника EMERSON в Тольятти воспользовавшись одноименной кнопкой на сайте либо обратитесь к нашим менеджерам. Связаться с ними можно несколькими способами:

- Заказав обратный звонок (кнопка в правом верхнем углу сайта)
- Посредством чата (кнопка расположена с левой стороны сайта)
- Позвонив по номеру телефона: +7(927)610-78-70; +7(848)255-80-30
- Написав на электронную почту: Адрес электронной почты защищен от спам-ботов. Для просмотра адреса в вашем браузере должен быть включен Javascript.















