Настройка и ремонт частотных преобразователей Optimus Drive в Тольятти
Ремонт частотных преобразователей Optimus Drive в Тольятти
Ремонт частотных преобразователей Optimus Drive в Тольятти, одна из многих услуг предлагаемых сервисным центром "РемПромЭл". Преобразователи частоты относятся к сложной промышленной электронике и состоят из двух взаимосвязанных составляющих- это электронная и силовая часть. Подобное конструктивное исполнение значительно усложняет ремонт частотных преобразователей.
Преобразователь частоты достаточно распространенное промышленное оборудование, и как все подвержены износу. В зависимости от интенсивности использования, нагрузки, среды в которой работает оборудования частотные преобразователи выходят из строя останавливая рабочий процесс.
В целях сомнительной "экономии" некоторые пытаются провести ремонт частотного преобразователя Optimus Drive самостоятельно на территории производства. Зачастую данные действия приводят к значительному удорожанию ремонта а при самом неблагоприятном исходе могут привести к не ремонтопригодности частотника.
В виду вышесказанного настоятельно рекомендуем, не пытайтесь проводить ремонт частотных преобразователей своими силами, обратитесь за помощью к специалистам. Современный специализированный сервисный центр имеет в наличии весь необходимый инструмент, включая специальное диагностическое оборудование, а компетентный персонал проведет качественный ремонт частотных преобразователей Optimus Drive в Тольятти, к тому же сервисные центры дают гарантию на проведенные ремонтные работы.
Ремонт частотных преобразователей Optimus Drive в СЦ "РемПромЭл"
Ремонт частотных преобразователей Optimus Drive в сервисном центре самое разумное и экономически выгодное решение. Грамотные специалисты со знанием дела проведут глубокую диагностику неисправного блока и последующий ремонт частотного преобразователя Optimus Drive в кратчайшие сроки. К написанному можно добавить то, что каждый без исключения ремонт частотного преобразователя Optimus Drive в СЦ "РемПромЭл" проводится с применением оригинальных запасных частей.
В 2013-ом году специалистами компании был проведен первый ремонт частотного преобразователя положивший начало дальнейшему развитию в данном направлении. За прошедшее время были отремонтированы сотни единиц промышленного оборудования и накоплен колоссальный, бесценный опыт в ремонте частотных преобразователей различных производителей.
Сервисный центр "РемПромЭл" оснащен самым современным диагностическим и ремонтным оборудованием, имеются в наличии расходные материалы, а так же на складе компании богатый выбор оригинальных запасных частей, что дает возможность провести качественный ремонт частотных преобразователей Optimus Drive.
Обратившись в СЦ за ремонтом частотных преобразователей Optimus Drive в Тольятти вы получите:
- Глубокую диагностику с выявлением неисправного компонента;
- Чистку неисправного блока;
- Ремонт преобразователя в кратчайшие сроки;
- Настройку частотника;
- Проверку отремонтированного блока на специальном стенде в условиях максимально приближенных к реальным;
- Видео проверки отремонтированного сервопривода.
Отдельное внимание мы уделяем качеству проведения ремонта и даем гарантию на ремонт частотных преобразователей Optimus Drive и на замененные в процессе ремонта запасные части и расходные материалы 6 месяцев.
Настройка частотных преобразователей Optimus Drive в Тольятти
Настройка частотных преобразователей Optimus Drive - это заключительный этап ремонта и в тоже время очень важный. Для правильной работы восстановленного блока просто необходимо провести грамотное программирование частотного преобразователя. Ремонт и дальнейшую настройку преобразователей частоты Optimus Drive выполняют разные специалисты, так как подобная работа довольно сложная и имеет свою специфику.
Настройка частотных преобразователей Optimus Drive в Тольятти или как еще называют программирование частотников неотъемлемая часть процесса ремонта преобразователя, ввиду того, что ремонт силовой части это только половина мероприятий направленных на восстановление работоспособности преобразователя.
В некоторых случаях возникает необходимость провести программирование частотного преобразователя без его ремонта. Причин по которым может возникнуть подобная необходимость масса.
Настройка частотного преобразователя Optimus Drive может быть и отдельной услугой предоставляемой сервисным центром "РемПромЭл". Инженеры компании проведут необходимую настройку преобразователей Optimus Drive в Тольятти как на территории сервисного центра так и с выездом на территорию заказчика (по предварительной договоренности).
От качественной настройки преобразователя частоты зависит правильная и безаварийная работа связки частотника и серводвигателя, а для этого требуется не много, просто программирование частотного преобразователя Optimus Drive должен проводить компетентный персонал с богатым опытом по настройке частотников.
Подключение частотных преобразователей
Подключение частотных преобразователей Optimus Drive к оборудованию заказчика это еще одна услуга предоставляемая нашей компанией. В случае необходимости специалист центра выполнит подключение преобразователя частоты Optimus Drive с выездом на территорию заказчика.
В некоторых случаях на производстве может быть дефицит квалифицированны кадров которые могли бы произвести качественное подключение частотного преобразователя, по этому мы предлагаем услуги нашего сервисного центра.
Свяжитесь с нашими менеджерами и закажите выезд специалиста, и подключением частотного преобразователя Optimus Drive займется инженер сервисного центра. В случае заказа на подключение частотных преобразователей Optimus Drive силами наших специалистов вы получаете гарантию качества и работоспособности вашего оборудования.
Доверяя работу по подключению преобразователей частоты профессионалам, вы избавляетесь от головной боли и гарантированно получаете работающее оборудование в кратчайшие сроки и за разумную цену.
Предупреждения, аварии и ошибки частотных преобразователей Optimus Drive
Каждый частотник, оснащен информационной панелью с помощью которой проходит процесс программирования частотных преобразователей, а так же на данную информационную панель в случае нештатной ситуации выводятся коды ошибок которые привели к остановке оборудования.
У каждого производителя разные коды ошибок у кого то это могут быть цифровые обозначения у кого то буквенные, но вся прелесть заключается в том, что открыв документацию и расшифровав код ошибки частотного преобразователя мы с большой долей вероятности можем исправить эту ошибку на месте, сбросить ее на частотнике и запустить оборудование заново.
К сожалению не все ошибки частотных преобразователей Optimus Drive можно исправить и сбросить самостоятельно, в некоторых случаях придется обращаться к специалистам сервисного центра.
Самые распространенные ошибки частотных преобразователей Optimus Drive:
- Превышение тока;
- Перенапряжение или недостаточное напряжение;
- Перегрузка;
- Ошибка сигнала энкодера;
- Превышение температуры IGBT-модуля ;
- Ошибка связи;
- Обрыв фазы питания;
- Короткое замыкание.
ПЧ Optimus Drive серии AD80 разделяет неисправности на три категории: предупреждения, аварии и ошибки. Они отображаются на пульте в виде кодов.
Предупреждения указывают на сбои, близкие к допустимым пределам, но ПЧ может продолжить работу с заданными характеристиками или автоматически восстановиться после исчезновения причины неисправности. Информация о предупреждении может быть выведена на дисплей пульта или считана по шине связи. На дисплее предупреждение будет отображаться как «u.XX», где «U» означает предупреждение, а «XX» — код предупреждения.
Аварии обозначают неисправности, которые могут привести к повреждению преобразователя частоты или другого оборудования в течение короткого времени, поэтому ПЧ должен быть немедленно остановлен. Сброс аварийного сигнала должен быть выполнен принудительно с помощью команды с пульта или последовательной связи, после чего частотник сможет снова работать. На дисплее аварийный сигнал будет отображаться как «A.XX», где «A» означает аварию, а «XX» — код аварии.
Для устранения некоторых аварий необходимо отключить преобразователь и проверить элементы и цепи. Для таких неисправностей ПЧ Optimus Drive серии AD80 использует функцию блокировки, которая предотвращает сброс аварийного сигнала до тех пор, пока не произойдёт цикл выключения-включения питания и причина неисправности не будет устранена. Этот тип неисправностей называется блокирующей неисправностью, и все они всегда рассматриваются как аварии. Функцию блокировки можно отключить, установив параметр P5-30 = 0, но пользователь должен осознавать опасность таких действий.
Несмотря на различные защиты, неправильная эксплуатация частотника может привести к его поломке. Частой причиной поломки при неправильной эксплуатации являются частые повторные пуски при срабатывании защит, связанных с перегрузками (например, A.16, A.37, A.45 и т. д.). После нескольких повторных аварийных пусков за короткое время происходит недопустимый перегрев и разрушение силовых модулей.
Ошибка связана с неправильными действиями пользователя, например, попыткой изменить значение параметра с пульта, которое изменить невозможно. Ошибка отображается на дисплее пульта как «Er.XX», при этом частотный преобразователь продолжит работу, и ошибка не будет записана в журнал.
Ниже приведен список распространенных ошибок частотных преобразователей Optimus Drive серии AD-80.
Коды ошибок частотного преобразователя Optimus Drive серии AD-80
| Индикация | Наименование неисправности |
Причина | Устранение | |
|---|---|---|---|---|
| A.01 | Сброс на заводские значения. | Параметры сброшены на заводские значения без подтверждения. | Нажмите кнопку «STOP» для подтверждения. | |
| A.02* | Внутренняя ошибка. | Обратитесь в сервисный центр. | ||
| u.03 | A.03* | Превышение паузы связи силового модуля (PU) и модуля управления (CU). | PU не может связаться с CU. | |
| A.04* | Ошибка платы питания 24 В. | Внутренняя аппаратная ошибка. |
|
|
| A05* | Ошибка управления напряжением IGBT. | |||
| u.07 | A.07* | Неисправность вентилятора. | Загрязнение вентилятора или он выработал ресурс. | Почистите или замените или замените вентилятор. |
| A.16* | Короткое замыкание. | КЗ между фазами двигателя. | Проверьте моторный кабель и состояние изоляции двигателя. | |
| u.17 | A.17* | Неправильное заземление. | Пробой или короткое замыкание между выходными фазами и заземлением. |
|
| u.19 | A.19* | Короткое замыкание тормозного резистора. | КЗ тормозного резистора (22 кВт и ниже). | Проверьте подключение тормозного резистора или замените его. |
| u.20 | A.20* | Короткое замыкание тормозного транзистора. | Тормозной транзистор вышел из строя (22 кВт и ниже). | Обратитесь в сервисный центр. |
| u.21 | A.21* | Обнаружение торможения. | Тормозной резистор не подключен или не работает. | Проверьте тормозной резистор или замените на подходящий. |
| u.23 | A.23 | Слишком большой ток при низком напряжении. | Перегрузка по току из-за того, что напряжение питания слишком сильно падает. | Проверьте источник питания. |
| u.24 | A.24 | Падение напряжения. | Слишком сильное падение напряжения питания или высокая нагрузка при слишком низком напряжении питания. | |
| u.25 | A.25 | Перегрузка при низком напряжении. | Высокая нагрузка при постоянном низком напряжении питания. | |
| u.26 | A.26* | Потеря фазы питания. | Потеря фазы питания. | |
| u.27 | A.27 | Ошибка рекуперации. | Функция рекуперации сработала, но не смогла удержать напряжение постоянного тока при падении напряжения питания, из-за слишком низкой инерции или двух длительных периодов падения напряжения питания. |
|
| A.28* | Потеря фазы U двигателя. |
|
Проверьте моторный кабель и двигатель. | |
| A.29* | Потеря фазы V двигателя. | |||
| A.30* | Потеря фазы W двигателя. | |||
| u.36 | A.36 | Перенапряжение. |
|
|
| u.37 | A.37 | Перегрев IGBT. | Слишком высокая нагрузка или недостаточное охлаждение. |
|
| u.43 | A.43 | Перегрев силовой платы. | Слишком высокая нагрузка или недостаточное охлаждение. | |
| u.45 | A.45 | Перегрузка по току. |
|
|
| u.46 | A.46 | Перегрузка ПЧ. |
|
|
| u.48 | A.48 | Перегрев двигателя. |
|
|
| u.49 | A.49 | Перегрузка двигателя. |
|
|
| u.50 | A.50 | Превышение токоограничения. | Ток превышает установленный параметром макс. ток (P5-07):
|
Отредактируйте параметр P5-07 или см. решения по аварии A.45. |
| u.51 | A.51 | Превышение ограничения момента. | Момент превышает значение параметров P5-04/P5-05. | Отредактируйте параметры P5-04/P5-05 или см. решения по аварии A.45. |
| u.57 | A.57 | Ошибка аналогового входа. |
|
|
| u.62 | A.62 | Превышение времени ожидания при связи. | Превышение времени ожидания при связи ПЧ с внешним устройством ПК/ПЛК/ Панель оператора и т. д.
|
|
| u.66 | Потеря связи с двигателем. | Проблема подключения двигателя или неисправность двигателя. | Проверьте моторный кабель и двигатель. | |
| A.69 | Низкий ток при механическом торможении (в разработке). | Фактический ток двигателя превышает ток отпускания тормоза (P1-97 ~ P1-98) в те- чение времени задержки пуска. | Отредактируйте параметры механического тормоза (P1-97~P1-98). | |
| u.75 | Истек срок лицензии файла прошивки ПЧ. | Истек срок лицензии файла прошивки ПЧ. | Обратитесь в сервисный центр. | |
| u.76 | A.76 | Внешний аварийный сигнал. | На дискретном входе сигнал внешней аварии. | Проверьте источник аварийного сигнала. |
| Er.90 | Превышение времени ожидания связи силового модуля и модуля управления. | Потеряна связь между силовыми цепями и цепями управления. | Обратитесь в сервисный центр. | |
| Er.93 | Запрет изменения параметров. | Редактирование этого параметра во время работы ПЧ невозможно. | Остановите ПЧ. | |
| A.99 | Ошибка автонастройки двигателя. | Не удалось завершить автонастройку параметров двигателя. | Правильно укажите параметры двигателя в соответствии с его шильдиком. | |
Документация
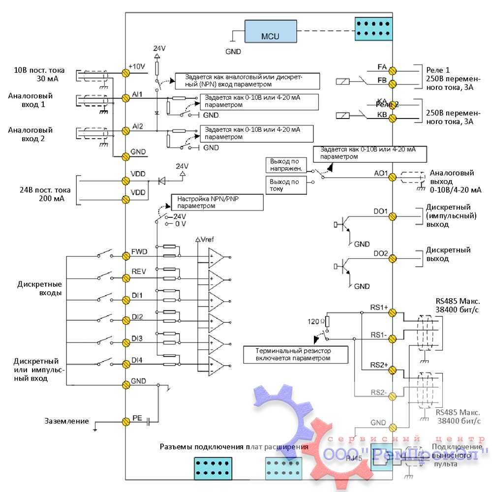
Типовые схемы подключения ПЧ Optimus Drive
| Цепи управления частотного преобразователя Optimus Drive AD20 | |
![]() |
|
| Цепи управления частотного преобразователя Optimus Drive AD80 | Цепи управления частотного преобразователя Optimus Drive AD800 |
![]() |
![]() |
Типы частотных преобразователей Optimus Drive
| Частотник | Тип частотного преобразователя |
|---|---|
|
Optimus Drive серии AD20 |
AD20-2SD40; AD20-2SD75; AD20-2S1D5; AD20-2S2D2; AD20-4TD75; AD20-4T1D5; AD20-4T2D2; AD20-4T4D0; AD20-4T5D5; AD20-4T7D5; AD20-4T011 |
|
Optimus Drive серии AD80 |
AD80-2SD37; AD80-2SD75; AD80-2S1D5; AD80-2S2D2; AD80-4TD75; AD80-4T1D5; AD80-4T2D2; AD80-4T4D0; AD80-4T5D5; AD80-4T7D5 |
| Optimus Drive серии AD800 | AD800-2SD37-PU00CU00; AD800-2SD75-PU00CU00; AD800-2S1D5-PU00CU00; AD800-2S2D2-PU00CU00; AD800-2S4D0-PU00CU00; AD800-4TD75H/1D5L-PU00CU00; AD800-4T1D5H/2D2L-PU00CU00; AD800-4T2D2H/4D0L-PU00CU00; AD800-4T4D0H/5D5L-PU00CU00; AD800-4T5D5H/7D5L-PU00CU00; AD800-4T7D5H/011L-PU00CU00; AD800-4T011H/015L-PU00CU00; AD800-4T015H/18DL-PU00CU00; AD800-4T18DH/022L-PU00CU00; AD800-4T022H/030L-PU00CU00; AD800-4T030H/037L-PU00CU00; AD800-4T037H/045L-PU00CU00; AD800-4T045H/055L-PU00CU00; AD800-4T055H/075L-PU00CU00; AD800-4T075H/090L-PU00CU00; AD800-4T090H/110L-PU00CU00; AD800-4T110H/132L-PU00CU0H; AD800-4T132H/160L-PU00CU0H; AD800-4T160H/185L-PU00CU0H; AD800-4T185H/200L-PU00CU0H; AD800-4T200H/220L-PU00CU0H; AD800-4T220H/250L-PU00CU0H; AD800-4T250H/280L-PU00CU0H; AD800-4T280H/315L-PU00CU0H; AD800-4T315H/355L-PU00CU0H; AD800-4T355H/415L-PU00CU0H; AD800-4T415H/450L-PU00CU0H; AD800-4T450-PU00CU0H; AD800-4T500-PU00CU0H; AD800-4T560-PU00CU0H; AD800-4T630-PU00CU0H; AD800-2SD37-PU01; AD800-2SD75-PU01; AD800-2S1D5-PU01; AD800-2S2D2-PU01; AD800-4TD75H/1D5L-PU01; AD800-4T1D5H/2D2L-PU01; AD800-4T2D2H/4D0L-PU01; AD800-4T4D0H/5D5L-PU01; AD800-4T5D5H/7D5L-PU01; AD800-4T7D5H/011L-PU01; AD800-4T011H/015L-PU01; AD800-4T015H/18DL-PU01; AD800-4T18DH/022L-PU01; AD800-4T022H/030L-PU01; AD800-2SD37-PU00; AD800-2SD75-PU00; AD800-2S1D5-PU00; AD800-2S2D2-PU00; AD800-4TD75H/1D5L-PU00; AD800-4T1D5H/2D2L-PU00; AD800-4T2D2H/4D0L-PU00; AD800-4T4D0H/5D5L-PU00; AD800-4T5D5H/7D5L-PU00; AD800-4T7D5H/011L-PU00; AD800-4T011H/015L-PU00; AD800-4T015H/18DL-PU00; AD800-4T18DH/022L-PU00; AD800-4T022H/030L-PU00; AD800-4T030H/037L-PU00; AD800-4T037H/045L-PU00; AD800-4T045H/055L-PU00; AD800-4T055H/075L-PU00; AD800-4T075H/090L-PU00; AD800-4T090H/110L-PU00 |
| Optimus Drive серии AD800B | AD800B-2SD37-PU0BCU0B; AD800B-2SD75-PU0BCU0B; AD800B-2S1D5-PU0BCU0B; AD800B-2S2D2-PU0BCU0B; AD800B-4TD75H/1D5L-PU0BCU0B; AD800B-4T1D5H/2D2L-PU0BCU0B; AD800B-4T2D2H/4D0L-PU0BCU0B; AD800B-4T4D0H/5D5L-PU0BCU0B; AD800B-4T5D5H/7D5L-PU0BCU0B; AD800B-4T7D5H/011L-PU0BCU0B; AD800B-2S2D2-PU0B; AD800B-4T011H/015L-PU0BCU0B; AD800B-4T015H/18DL-PU0BCU0B; AD800B-4T18DH/022L-PU0BCU0B; AD800B-2S1D5-PU0B; AD800B-4T022H/030L-PU0BCU0B; AD800B-4T030H/037L-PU0BCU0В; AD800B-4T037H/045L-PU0BCU0В; AD800B-2SD75-PU0B; AD800B-4T045H/055L-PU0BCU0В; AD800B-2SD37-PU0B; AD800B-4TD75H/1D5L-PU0B; AD800B-4T1D5H/2D2L-PU0B; AD800B-4T2D2H/4D0L-PU0B; AD800B-4T4D0H/5D5L-PU0B; AD800B-4T5D5H/7D5L-PU0B; AD800B-4T7D5H/011L-PU0B; AD800B-4T011H/015L-PU0B; AD800B-4T015H/18DL-PU0B; AD800B-4T18DH/022L-PU0B; AD800B-4T022H/030L-PU0B; AD800B-4T030H/037L-PU0B; AD800B-4T037H/045L-PU0B; AD800B-4T045H/055L-PU0B |
| Optimus Drive серии AD800P | AD800P-4TD75-PU0PCU0P; AD800P-4T1D5-PU0PCU0P; AD800P-4T2D2-PU0PCU0P; AD800P-4T4D0-PU0PCU0P; AD800P-4T5D5-PU0PCU0P; AD800P-4T7D5-PU0PCU0P; AD800P-4T011-PU0PCU0P; AD800P-4T015-PU0PCU0P; AD800P-4T18D-PU0PCU0P; AD800P-4T022-PU0PCU0P; AD800P-4T030-PU0PCU0P; AD800P-4T037-PU0PCU0P; AD800P-4T045-PU0PCU0P; AD800P-4T055-PU0PCU0P; AD800P-4T075-PU0PCU0P; AD800P-4T090-PU0PCU0P; AD800P-4T110-PU0PCU0P; AD800P-4T132-PU0PCU0P; AD800P-4T160-PU0PCU0P; AD800P-4T185-PU0PCU0P; AD800P-4T200-PU0PCU0P; AD800P-4T220-PU0PCU0P; AD800P-4T250-PU0PCU0P; AD800P-4T280-PU0PCU0P; AD800P-4T315-PU0PCU0P; AD800P-4T355-PU0PCU0P; AD800P-4T415-PU0PCU0P; AD800P-4T450-PU0PCU0P; AD800P-4T500-PU0PCU0P; AD800P-4T560-PU0PCU0P; AD800P-4T630-PU0PCU0P |
В таблице указаны далеко не все типы частотных преобразоватетей Optimus Drive ремонт которых предлагает наш сервисный центр. Мы предлагаем качественный ремонт частотных преобразователей Optimus Drive в Тольятти абсолютно любого года выпуска.
Оставить заявку на ремонт частотного преобразователя Optimus Drive
От того как и из каких комплектующих будет проводиться ремонт преобразователя зависит на сколько долго он сможет проработать в дальнейшем. Сделав правильный выбор, обратившись в сервисный центр "РемПромЭл" вы получите отремонтированный частотник в самые кратчайшие сроки, при этом мы стараемся использовать только оригинальные запасные части, на сколько это возможно, что дает возможность без каких либо рисков давать длинный гарантийный срок.
У вас есть проблемы с частотником? Вам нужен срочный ремонт частотного преобразователя Optimus Drive или его настройка? Оставьте заявку на ремонт частотника Optimus Drive в Тольятти воспользовавшись одноименной кнопкой на сайте либо обратитесь к нашим менеджерам. Связаться с ними можно несколькими способами:

- Заказав обратный звонок (кнопка в правом верхнем углу сайта)
- Посредством чата (кнопка расположена с левой стороны сайта)
- Позвонив по номеру телефона: +7(927)610-78-70; +7(848)255-80-30
- Написав на электронную почту: Адрес электронной почты защищен от спам-ботов. Для просмотра адреса в вашем браузере должен быть включен Javascript.















