Топ-100 Настройка и ремонт частотных преобразователей LENZE в Тольятти

Услуги сервиса

Настройка и ремонт частотных преобразователей LENZE в Тольятти

Ремонт частотных преобразователей LENZE в Тольятти

Ремонт частотных преобразователей lenzeРемонт частотных преобразователей LENZE в Тольятти, одна из многих услуг предлагаемых сервисным центром "РемПромЭл". Преобразователи частоты относятся к сложной промышленной электронике и состоят из двух взаимосвязанных составляющих- это электронная и силовая часть. Подобное конструктивное исполнение значительно усложняет ремонт частотных преобразователей.

Преобразователь частоты достаточно распространенное промышленное оборудование, и как все подвержены износу. В зависимости от интенсивности использования, нагрузки, среды в которой работает оборудования частотные преобразователи выходят из строя останавливая рабочий процесс.

В целях сомнительной "экономии" некоторые пытаются провести ремонт частотного преобразователя LENZE самостоятельно на территории производства. Зачастую данные действия приводят к значительному удорожанию ремонта а при самом неблагоприятном исходе могут привести к не ремонтопригодности частотника.

В виду вышесказанного настоятельно рекомендуем, не пытайтесь проводить ремонт частотных преобразователей своими силами, обратитесь за помощью к специалистам. Современный специализированный сервисный центр имеет в наличии весь необходимый инструмент, включая специальное диагностическое оборудование, а компетентный персонал проведет качественный ремонт частотных преобразователей LENZE в Тольятти, к тому же сервисные центры дают гарантию на проведенные ремонтные работы.

Ремонт частотных преобразователей LENZE в СЦ "РемПромЭл"

Ремонт частотных преобразователей lenzeРемонт частотных преобразователей LENZE в сервисном центре самое разумное и экономически выгодное решение. Грамотные специалисты со знанием дела проведут глубокую диагностику неисправного блока и последующий ремонт частотного преобразователя LENZE в кратчайшие сроки. К написанному можно добавить то, что каждый без исключения ремонт частотного преобразователя LENZE в СЦ "РемПромЭл" проводится с применением оригинальных запасных частей.

В 2013-ом году специалистами компании был проведен первый ремонт частотного преобразователя положивший начало дальнейшему развитию в данном направлении. За прошедшее время были отремонтированы сотни единиц промышленного оборудования и накоплен колоссальный, бесценный опыт в ремонте частотных преобразователей различных производителей.

Сервисный центр "РемПромЭл" оснащен самым современным диагностическим и ремонтным оборудованием, имеются в наличии расходные материалы, а так же на складе компании богатый выбор оригинальных запасных частей, что дает возможность провести качественный ремонт частотных преобразователей LENZE.

Обратившись в СЦ за ремонтом частотных преобразователей LENZE в Тольятти вы получите:

  • Глубокую диагностику с выявлением неисправного компонента;
  • Чистку неисправного блока;
  • Ремонт преобразователя в кратчайшие сроки;
  • Настройку частотника;
  • Проверку отремонтированного блока на специальном стенде в условиях максимально приближенных к реальным;
  • Видео проверки отремонтированного сервопривода.

Отдельное внимание мы уделяем качеству проведения ремонта и даем гарантию на ремонт частотных преобразователей LENZE и на замененные в процессе ремонта запасные части и расходные материалы 6 месяцев.

Настройка частотных преобразователей LENZE в Тольятти

Ремонт частотных преобразователей lenzeНастройка частотных преобразователей LENZE - это заключительный этап ремонта и в тоже время очень важный. Для правильной работы восстановленного блока просто необходимо провести грамотное программирование частотного преобразователя. Ремонт и дальнейшую настройку преобразователей частоты LENZE выполняют разные специалисты, так как подобная работа довольно сложная и имеет свою специфику.

Настройка частотных преобразователей LENZE в Тольятти или как еще называют программирование частотников неотъемлемая часть процесса ремонта преобразователя, ввиду того, что ремонт силовой части это только половина мероприятий направленных на восстановление работоспособности преобразователя.

В некоторых случаях возникает необходимость провести программирование частотного преобразователя без его ремонта. Причин по которым может возникнуть подобная необходимость масса.

Настройка частотного преобразователя LENZE может быть и отдельной услугой предоставляемой сервисным центром "РемПромЭл". Инженеры компании проведут необходимую настройку преобразователей LENZE в Тольятти как на территории сервисного центра так и с выездом на территорию заказчика (по предварительной договоренности).

От качественной настройки преобразователя частоты зависит правильная и безаварийная работа связки частотника и серводвигателя, а для этого требуется не много, просто программирование частотного преобразователя LENZE должен проводить компетентный персонал с богатым опытом по настройке частотников.

Подключение частотных преобразователей

Ремонт частотных преобразователей lenzeПодключение частотных преобразователей LENZE к оборудованию заказчика это еще одна услуга предоставляемая нашей компанией. В случае необходимости специалист центра выполнит подключение преобразователя частоты LENZE с выездом на территорию заказчика.

В некоторых случаях на производстве может быть дефицит квалифицированны кадров которые могли бы произвести качественное подключение частотного преобразователя, по этому мы предлагаем услуги нашего сервисного центра.

Свяжитесь с нашими менеджерами и закажите выезд специалиста, и подключением частотного преобразователя LENZE займется инженер сервисного центра. В случае заказа на подключение частотных преобразователей LENZE силами наших специалистов вы получаете гарантию качества и работоспособности вашего оборудования.

Доверяя работу по подключению преобразователей частоты профессионалам, вы избавляетесь от головной боли и гарантированно получаете работающее оборудование в кратчайшие сроки и за разумную цену.

Ошибки частотных преобразователей

Ремонт частотных преобразователей lenzeКаждый частотник, оснащен информационной панелью с помощью которой проходит процесс программирования частотных преобразователей, а так же на данную информационную панель в случае нештатной ситуации выводятся коды ошибок которые привели к остановке оборудования.

У каждого производителя разные коды ошибок у кого то это могут быть цифровые обозначения у кого то буквенные, но вся прелесть заключается в том, что открыв документацию и расшифровав код ошибки частотного преобразователя мы с большой долей вероятности можем исправить эту ошибку на месте, сбросить ее на частотнике и запустить оборудование заново.

К сожалению не все ошибки частотных преобразователей LENZE можно исправить и сбросить самостоятельно, в некоторых случаях придется обращаться к специалистам сервисного центра.

Самые распространенные ошибки частотных преобразователей LENZE:

  • Превышение тока;
  • Перенапряжение или недостаточное напряжение;
  • Перегрузка;
  • Ошибка сигнала энкодера;
  • Превышение температуры IGBT-модуля ;
  • Ошибка связи;
  • Обрыв фазы питания;
  • Короткое замыкание.

Это не полный список распространенных ошибок частотных преобразователей LENZE которые можно сбросить самостоятельно без обращения к специалистам.

Коды ошибок частотного преобразователя LENZE ESMD

Код ошибки Описание Причина
сF Ошибка данных. Неверные данные.
CF Ошибка данных. Ошибка данных.
FI Ошибка ЕРМ. ЕРМ «завис» либо неисправен.
CFG Неоднозначная конфигурация.
  • Входам E1…E3 присвоены одинаковые ф-ции.
  • Включена ф-ция или UP или DOWN.
dF Ошибка динамического торможения. Перегрев резистора динамического торможения.
EEr Внешняя ошибка. Триггер «Авария» активен СЕ1..3 = 10.
F2
FO
Внутренняя ошибка. -
FС3 Ошибка коммуникации. Вышло время ожидания таймера.
FС5 Ошибка коммуникации. Ошибка последовательного соединения.
JF Ошибка удаленного пульта. Пульт не подсоединен.
LC Блокировка автоматического пуска. c42 = 0.
OC1 Короткое замыкание или перегрузка ПЧ.
  • Короткое замыкание.
  • Слишком высокое емкостное сопротивление кабеля двигателя.
  • Задано слишком малое время разгона C12.
  • Дефекты кабеля двигателя.
  • Неисправность двигателя.
  • Частая и длительная перегрузка.
OC2 Замыкание на землю. Замыкание на землю на выходе ПЧ.
OC6 Перегрузка двигателя.
  • Перегрузка из-за слишком большого значения I2t.
  • Слишком частые или длительные режимы торможения и ускорения.
OH Перегрев ПЧ. Повышенная температура ПЧ.
OU Перегрузка по цепям постоянного тока.
  • Завышенное сетевое напряжение.
  • Малое время торможения.
rSt Невозможен автоматический сброс триггера «Авария». Более 8 ошибок за 10 мин.
SdS Потеря сигнала 4-20мА. Сигнал менее 2мА при 4 – 20мА.
SF Обрыв одной фазы. Обрыв фазы питания.

Все возможные ошибки и предупреждения вы найдете в руководстве пользователя в файлах ниже.

Документация

Руководство по эксплуатации частотного преобразователя LENZE SMV - Скачать в формате PDF pdf
Руководство по эксплуатации частотного преобразователя LENZE SMD - Скачать в формате PDF pdf
Руководство по эксплуатации частотного преобразователя LENZE MCH - Скачать в формате PDF pdf
Руководство по эксплуатации частотного преобразователя LENZE 9400 VECTOR - Скачать в формате PDF pdf
Руководство по эксплуатации частотного преобразователя LENZE 9300 VECTOR - Скачать в формате PDF pdf
Руководство по эксплуатации частотного преобразователя LENZE 8200 VECTOR - Скачать в формате PDF pdf
Руководство по эксплуатации частотного преобразователя LENZE 8200 ESMD - Скачать в формате PDF pdf

Типовые схемы подключения ПЧ LENZE

 

Схема подключения частотного преобразователя LENZE ESMD 220V

 

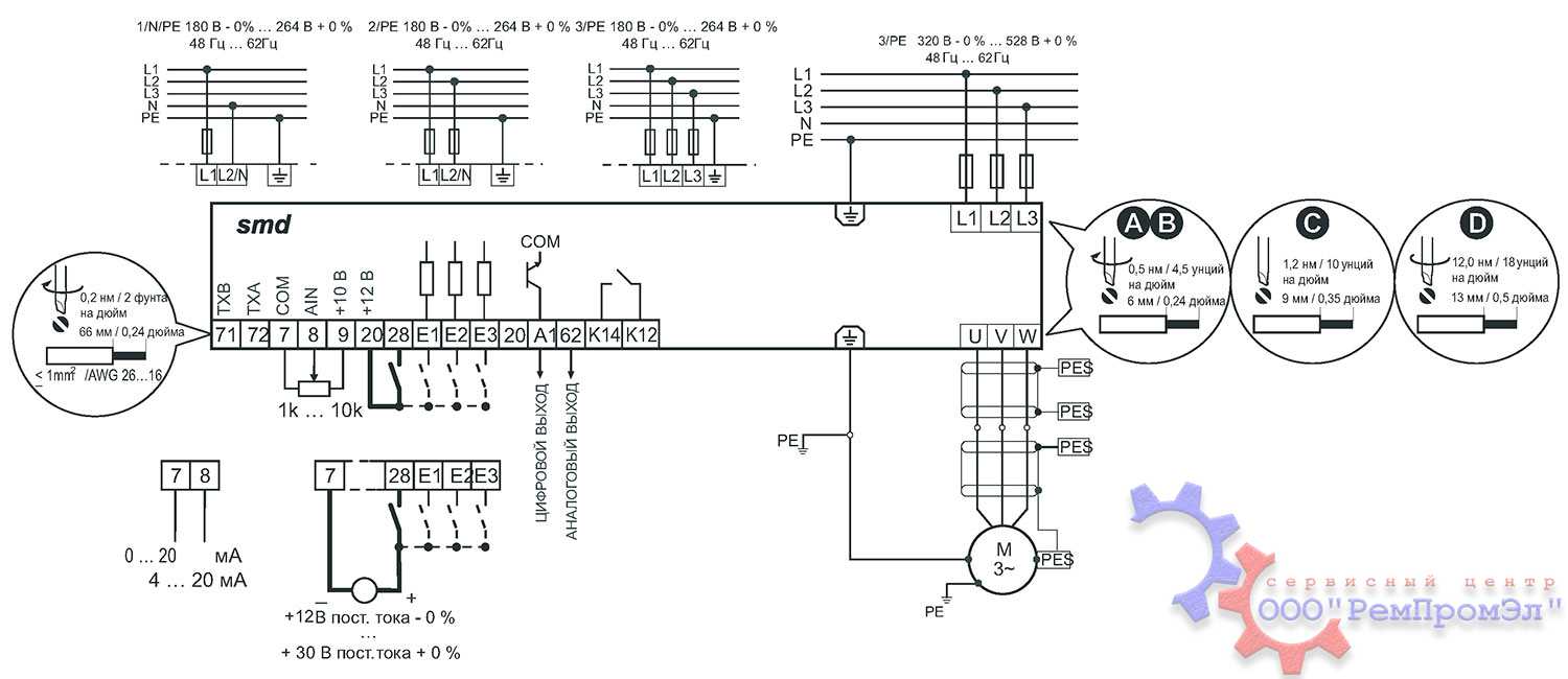
Схема подключения частотного преобразователя LENZE ESMD 380V
Схема подключения инвертора в исполнении IP20 (модель CIMR-E7Z47P51) Схема подключения инвертора в исполнении IP54 (модель CIMR-E7Z47P52)

 

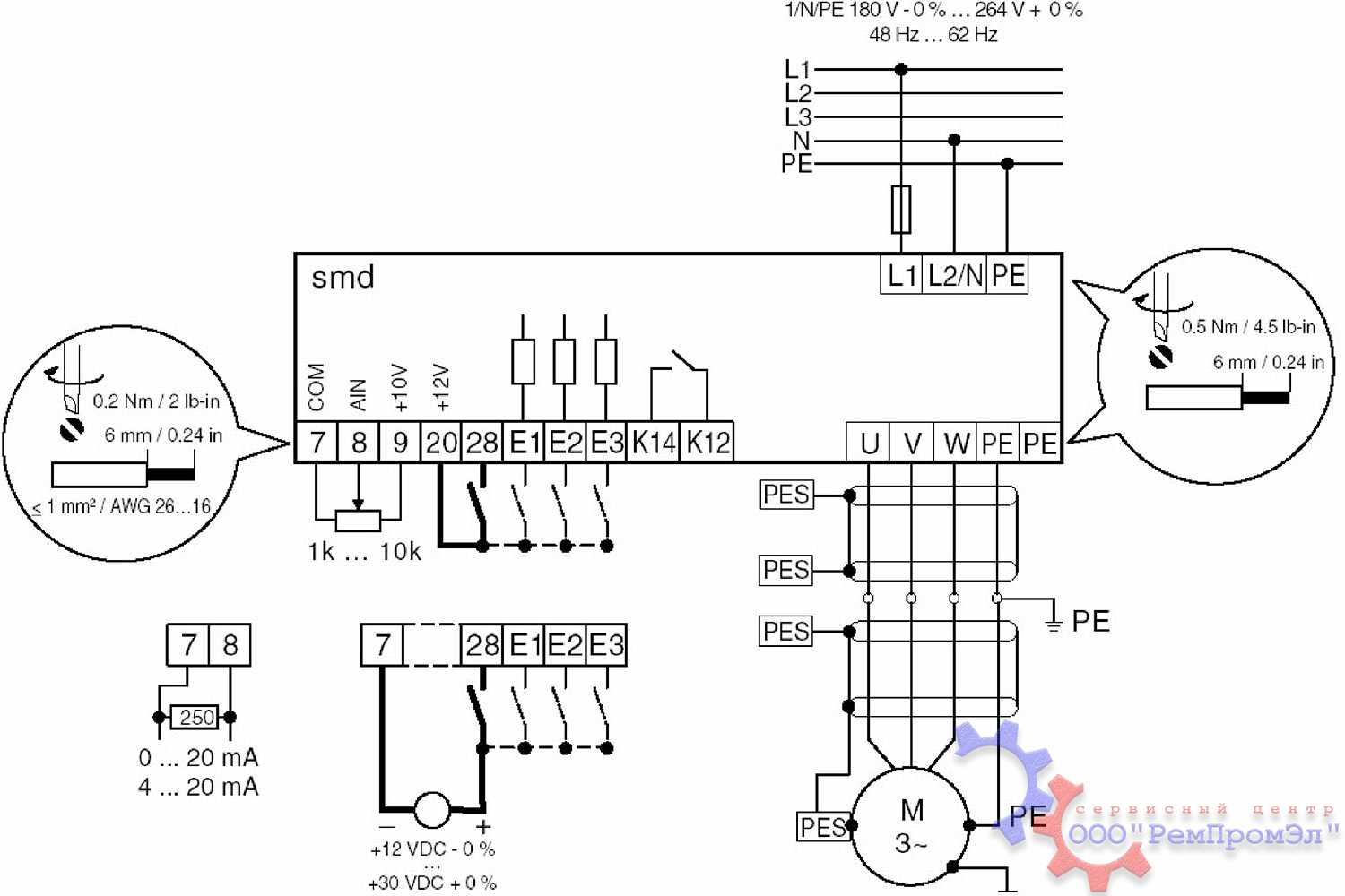
Схема подключения частотного преобразователя LENZE SMD

 

002 EFC 3600

Типы частотных преобразователей LENZE

Частотник Тип частотного преобразователя

LENZE SMV

ESV112N02YXB; ESV152N02YXB; ESV222N02YXB; ESV251N02SXB; ESV371N02YXB; ESV751N02YXB; ESV371N04TXB; ESV751N04TXB; ESV112N04TXB; ESV152N04TXB; ESV222N04TXB; ESV402N04TXB; ESV552N04TXB; ESV183N04TXB; ESV453N04TXB; ESV751N02YXC; ESV371N02YXC; ESV112N02YXC; ESV152N02YXC; ESV222N02YXC; ESV371N02YMC; ESV751N02YMC; ESV112N02YMC; ESV152N02YMC; ESV222N02YMC; ESV371N02SFC; ESV751N02SFC; ESV112N02SFC; ESV152N02SFC; ESV222N02SFC; ESV371N04TMC; ESV751N04TMC; ESV112N04TMC; ESV152N04TMC; ESV222N04TMC; ESV402N04TMC; ESV552N04TMC; ESV152N04TFC; ESV552N04TFC; ESV112N04TLC; ESV152N04TLC; ESV222N04TLC; ESV302N04TLC; ESV371N01SXB; ESV552N02TXB; ESV751N01SXC; ESV751N02YXC; ESV752N04TXB; ESV371N02SL; ESV751N01SM; ESV751N04TL; ESV112N02YM

LENZE SMD-ESMD

ESMD223L4TXA; ESMD223L4TXA513; ESMD251X2SFA; ESMD371X2SFA; ESMD551X2SFA; ESMD751X2SFA; ESMD152X2SFA; ESMD222X2SFA; ESMD371L4TXA; ESMD751L4TXA; ESMD112L4TXA; ESMD152L4TXA; ESMD751W2SFA; ESMD152W2SFA; ESMD222W2SFA; ESMD371C4TXA; ESMD751C4TXA; ESMD112C4TXA; ESMD152C4TXA; ESMD222C4TXA; ESMD302C4TXA; ESMD402C4TXA; ESMD552C4TXA; ESMD752C4TXA; ESMD113C4TXA; ESMD153C4TXA; ESMD183C4TXA; ESMD223C4TXA; ESMD402X2TXA; ESMD302X2TXA; ESMD222X2TXA; ESMD152X2TXA; ESMD112X2TXA; ESMD751X2TXA; ESMD371X2TXA; ESMD222L4TXA; ESMD302L4TXA; ESMD402L4TXA; ESMD552L4TXA; ESMD752L4TXA; ESMD113L4TXA; ESMD153L4TXA; ESMD183L4TXA; ESMD223L4TXA; ESMD251W2SFA; ESMD371W2SFA; ESMD551W2SFA
LENZE 9400 VECTOR E94AMHE0034; E94AMHE0044; E94AMHE0074; E94AMHE0094; E94AMHE0134; E94AMHE0244; E94ASHE0074; E94ASHE0594; E94AYAB/S; E94AYCEN; E94AYFLF; E94AYM33; E94AZHY0025
LENZE 9300 VECTOR EVF9321-EV; EVF9322-EV; EVF9323-EV; EVF9324-EV; EVF9325-EV; EVF9326-EV; EVF9327-EV; EVF9328-EV; EVF9329-EV; EVF9330-EV; EVF9331-EV; EVF9332-EV; EVF9333-EV; EVF9335-EV; EVF9336-EV; EVF9337-EV; EVF9338-EV; EVF9381-EV; EVF9382-EV; EVF9383-EV; EVF9323-EV; EVF9327-EV; EVS9321-EP; EVS9321-ES; EVS9322-ES; EVS9323-EP; EVS9323-ESV004200; EVS9324-EP; EVS9326-ESV004200; EVF9327EV; EVS9326-ES; EVS9325-ES
LENZE 8200 VECTOR E82EV251K2C; E82EV371K2C; E82EV113K4C; E82EV153K4B30X; E82EV223K4B30X; E82EV303K4B302; E82EV453K4B30X; E82EV553K4B302; E82EV753K4B30X; E82EV903K4B302; E82CV251K2C; E82CV371K2C; E82CV551K2C; E82CV751K2C; E82CV223K4B201; E82EV153K4B101; E82EV223K4B101; E82EV303K4B101; E82EV453K4B101; E82EV553K4B101; E82EV753K4B101; E82EV903K4B101; E82DV551K4C; E82DV751K4C; E82DV152K4C; E82DV222K4C; E82EV302K4C040; E82EV402K4C040; E82EV552K4C040; E82EV752K4C040; E82EV113K4C040; E82EV153K4B241; E82EV223K4B241; E82EV303K4B241; E82EV453K4B241; E82EV553K4B241; E82EV753K4B241; E82EV903K4B241; E82EV302K2C; E82EV551K2B; E82EV753K4C; E82EV752K2C; E82EV402K2

В таблице указаны далеко не все типы частотных преобразоватетей LENZE ремонт которых предлагает наш сервисный центр. Мы предлагаем качественный ремонт частотных преобразователей LENZE в Тольятти абсолютно любого года выпуска.

Оставить заявку на ремонт частотного преобразователя LENZE

Ремонт частотных преобразователей lenzeОт того как и из каких комплектующих будет проводиться ремонт преобразователя зависит на сколько долго он сможет проработать в дальнейшем. Сделав правильный выбор, обратившись в сервисный центр "РемПромЭл" вы получите отремонтированный частотник в самые кратчайшие сроки, при этом мы стараемся использовать только оригинальные запасные части, на сколько это возможно, что дает возможность без каких либо рисков давать длинный гарантийный срок.

У вас есть проблемы с частотником? Вам нужен срочный ремонт частотного преобразователя LENZE или его настройка? Оставьте заявку на ремонт частотника LENZE в Тольятти воспользовавшись одноименной кнопкой на сайте либо обратитесь к нашим менеджерам. Связаться с ними можно несколькими способами:

contact

  • Заказав обратный звонок (кнопка в правом верхнем углу сайта)
  • Посредством чата (кнопка расположена с левой стороны сайта)
  • Позвонив по номеру телефона: +7(927)610-78-70; +7(848)255-80-30
  • Написав на электронную почту: Адрес электронной почты защищен от спам-ботов. Для просмотра адреса в вашем браузере должен быть включен Javascript.

Информация

Режим работы: ПН-ПТ с 9-00 до 18-00 СБ-ВС выходной день

Прием онлайн-заказов: ПН-ПТ 24 часа / сутки

Способы оплаты:

Visa Mastercard YandexMoney

Контакты

Адрес: 445030, г. Тольятти, ул. 40 лет Победы 5 офис 1005

Телефоны  для связи с менеджерами

  • +7 (927) 610-78-70
  • +7 (848) 255-80-30

Электронная почта

support@remontservodrive.ru

Популярные услуги

Prev Next Page:

Ремонт газоанализаторов в Тольятти

Ремонт газоанализаторов в Тольятти

Профессиональный ремонт газоанализаторов в Тольятти: восстановление точности...

Ремонт устройств плавного пуска SILIUM в Тольятти

Ремонт устройств плавного пуска SILIUM в Тольятти

Ремонт устройств плавного пуска SILIUM в Тольятти Ремонт...

Настройка и ремонт частотных преобразователей SILIUM в Тольятти

Настройка и ремонт частотных преобразователей SILIUM в Тольятти

Настройка и ремонт частотных преобразователей SILIUM в...

Настройка и ремонт частотных преобразователей Hyundai в Тольятти

Настройка и ремонт частотных преобразователей Hyundai в Тольятти

Настройка и ремонт частотных преобразователей Hyundai в...

Программирование и ремонт панели оператора SEW EURODRIVE в Тольятти

Программирование и ремонт панели оператора SEW EURODRIVE в Тольятти

Программирование и ремонт панели оператора SEW EURODRIVE...

Ремонт ПЛК SEW EURODRIVE в Тольятти

Ремонт ПЛК SEW EURODRIVE в Тольятти

Ремонт ПЛК SEW EURODRIVE в Тольятти Ремонт программируемых...

Настройка и ремонт частотных преобразователей SEW EURODRIVE в Тольятти

Настройка и ремонт частотных преобразователей SEW EURODRIVE в Тольятти

Настройка и ремонт частотных преобразователей SEW EURODRIVE...

Диагностика и ремонт серводвигателей SEW EURODRIVE в Тольятти

Диагностика и ремонт серводвигателей SEW EURODRIVE в Тольятти

Диагностика и ремонт серводвигателей SEW EURODRIVE в...

Программирование и ремонт панели оператора Schneider Electric в Тольятти

Программирование и ремонт панели оператора Schneider Electric в Тольятти

Программирование и ремонт панели оператора Schneider Electric...

Ремонт линейных серводвигателей в Тольятти: профессионализм и надежность от «РемПромЭл»

Ремонт линейных серводвигателей в Тольятти: профессионализм и надежность от «РемПромЭл»

Ремонт линейных серводвигателей в Тольятти: профессионализм и...

Услуги сервиса