Топ-100 Настройка и ремонт частотных преобразователей DELTA в Тольятти

Услуги сервиса

Настройка и ремонт частотных преобразователей DELTA в Тольятти

Ремонт частотных преобразователей DELTA в Тольятти

Ремонт частотных преобразователей OMRONРемонт частотных преобразователей DELTA в Тольятти, одна из многих услуг предлагаемых сервисным центром "РемПромЭл". Преобразователи частоты относятся к сложной промышленной электронике и состоят из двух взаимосвязанных составляющих- это электронная и силовая часть. Подобное конструктивное исполнение значительно усложняет ремонт частотных преобразователей.

Преобразователь частоты достаточно распространенное промышленное оборудование, и как все подвержены износу. В зависимости от интенсивности использования, нагрузки, среды в которой работает оборудования частотные преобразователи выходят из строя останавливая рабочий процесс.

В целях сомнительной "экономии" некоторые пытаются провести ремонт частотного преобразователя DELTA самостоятельно на территории производства. Зачастую данные действия приводят к значительному удорожанию ремонта а при самом неблагоприятном исходе могут привести к не ремонтопригодности частотника.

В виду вышесказанного настоятельно рекомендуем, не пытайтесь проводить ремонт частотных преобразователей своими силами, обратитесь за помощью к специалистам. Современный специализированный сервисный центр имеет в наличии весь необходимый инструмент, включая специальное диагностическое оборудование, а компетентный персонал проведет качественный ремонт частотных преобразователей DELTA в Тольятти, к тому же сервисные центры дают гарантию на проведенные ремонтные работы.

Ремонт частотных преобразователей DELTA в СЦ "РемПромЭл"

Ремонт частотных преобразователей OMRONРемонт частотных преобразователей DELTA в сервисном центре самое разумное и экономически выгодное решение. Грамотные специалисты со знанием дела проведут глубокую диагностику неисправного блока и последующий ремонт частотного преобразователя DELTA в кратчайшие сроки. К написанному можно добавить то, что каждый без исключения ремонт частотного преобразователя DELTA в СЦ "РемПромЭл" проводится с применением оригинальных запасных частей.

В 2013-ом году специалистами компании был проведен первый ремонт частотного преобразователя положивший начало дальнейшему развитию в данном направлении. За прошедшее время были отремонтированы сотни единиц промышленного оборудования и накоплен колоссальный, бесценный опыт в ремонте частотных преобразователей различных производителей.

Сервисный центр "РемПромЭл" оснащен самым современным диагностическим и ремонтным оборудованием, имеются в наличии расходные материалы, а так же на складе компании богатый выбор оригинальных запасных частей, что дает возможность провести качественный ремонт частотных преобразователей DELTA.

Обратившись в СЦ за ремонтом частотных преобразователей DELTA в Тольятти вы получите:

  • Глубокую диагностику с выявлением неисправного компонента;
  • Чистку неисправного блока;
  • Ремонт преобразователя в кратчайшие сроки;
  • Настройку частотника;
  • Проверку отремонтированного блока на специальном стенде в условиях максимально приближенных к реальным;
  • Видео проверки отремонтированного сервопривода.

Отдельное внимание мы уделяем качеству проведения ремонта и даем гарантию на ремонт частотных преобразователей DELTA и на замененные в процессе ремонта запасные части и расходные материалы 6 месяцев.

Настройка частотных преобразователей DELTA в Тольятти

Ремонт частотных преобразователей OMRONНастройка частотных преобразователей DELTA - это заключительный этап ремонта и в тоже время очень важный. Для правильной работы восстановленного блока просто необходимо провести грамотное программирование частотного преобразователя. Ремонт и дальнейшую настройку преобразователей частоты DELTA выполняют разные специалисты, так как подобная работа довольно сложная и имеет свою специфику.

Настройка частотных преобразователей DELTA в Тольятти или как еще называют программирование частотников неотъемлемая часть процесса ремонта преобразователя, ввиду того, что ремонт силовой части это только половина мероприятий направленных на восстановление работоспособности преобразователя.

В некоторых случаях возникает необходимость провести программирование частотного преобразователя без его ремонта. Причин по которым может возникнуть подобная необходимость масса.

Настройка частотного преобразователя DELTA может быть и отдельной услугой предоставляемой сервисным центром "РемПромЭл". Инженеры компании проведут необходимую настройку преобразователей DELTA в Тольятти как на территории сервисного центра так и с выездом на территорию заказчика (по предварительной договоренности).

От качественной настройки преобразователя частоты зависит правильная и безаварийная работа связки частотника и серводвигателя, а для этого требуется не много, просто программирование частотного преобразователя DELTA должен проводить компетентный персонал с богатым опытом по настройке частотников.

Подключение частотных преобразователей

Ремонт частотных преобразователей OMRONПодключение частотных преобразователей DELTA к оборудованию заказчика это еще одна услуга предоставляемая нашей компанией. В случае необходимости специалист центра выполнит подключение преобразователя частоты DELTA с выездом на территорию заказчика.

В некоторых случаях на производстве может быть дефицит квалифицированны кадров которые могли бы произвести качественное подключение частотного преобразователя, по этому мы предлагаем услуги нашего сервисного центра.

Свяжитесь с нашими менеджерами и закажите выезд специалиста, и подключением частотного преобразователя DELTA займется инженер сервисного центра. В случае заказа на подключение частотных преобразователей DELTA силами наших специалистов вы получаете гарантию качества и работоспособности вашего оборудования.

Доверяя работу по подключению преобразователей частоты профессионалам, вы избавляетесь от головной боли и гарантированно получаете работающее оборудование в кратчайшие сроки и за разумную цену.

Ошибки частотных преобразователей

Ремонт частотных преобразователей OMRONКаждый частотник, оснащен информационной панелью с помощью которой проходит процесс программирования частотных преобразователей, а так же на данную информационную панель в случае нештатной ситуации выводятся коды ошибок которые привели к остановке оборудования.

У каждого производителя разные коды ошибок у кого то это могут быть цифровые обозначения у кого то буквенные, но вся прелесть заключается в том, что открыв документацию и расшифровав код ошибки частотного преобразователя мы с большой долей вероятности можем исправить эту ошибку на месте, сбросить ее на частотнике и запустить оборудование заново.

К сожалению не все ошибки частотных преобразователей DELTA можно исправить и сбросить самостоятельно, в некоторых случаях придется обращаться к специалистам сервисного центра.

Самые распространенные ошибки частотных преобразователей DELTA:

  • Превышение тока;
  • Перенапряжение или недостаточное напряжение;
  • Перегрузка;
  • Ошибка сигнала энкодера;
  • Превышение температуры IGBT-модуля ;
  • Ошибка связи;
  • Обрыв фазы питания;
  • Короткое замыкание.

Это не полный список распространенных ошибок частотных преобразователей DELTA которые можно сбросить самостоятельно без обращения к специалистам.

Коды ошибок частотного преобразователя DELTA VFD-CFP2000

Код ошибки Описание Причина

ocA

Oc at accel

Перегрузка по току во время разгона. (Выходной ток превысил 300% номинального тока во время разгона.

1. Короткое замыкание на выходе ПЧ: проверьте кабель и изоляцию обмоток двигателя.
2. Время разгона слишком короткое: Увеличьте время разгона. 3. Не хватает мощности для работы в данном режиме: замените ПЧ на модель большей мощности.

ocd

Oc at decel

Перегрузка по току во время замедления. (Выходной ток превысил 300% номинального тока во время замедления.) 1. Короткое замыкание на выходе ПЧ: проверьте кабель и изоляцию обмоток двигателя.
2. Время торможения слишком короткое: Увеличьте время разгона. 3. Не хватает мощности для работы в данном режиме: замените ПЧ на модель большей мощности.

ocn

Oc at normal SPD

Перегрузка по току в установившемся режиме (Выходной ток превысил 300% номинального тока в установившемся режиме.) 1. Короткое замыкание на выходе ПЧ: проверьте кабель и изоляцию обмоток двигателя.
2. Резкое увеличение нагрузки двигателя: проверьте, не заблокировано ли вращение механизма, подключенного к валу двигателя.
3. Не хватает мощности для работы в данном режиме: замените ПЧ на модель большей мощности.

ocS

Oc at stop

Аппаратный отказ в цепях токовой защиты Обратитесь в сервисный центр.

GFF

Ground fault

Замыкание на землю

Если выходная фаза ПЧ замыкается на землю, и ток короткого замыкания на 50% превысил номинальное значение, может быть поврежден силовой модуль. Примечание: Схема защиты от короткого замыкания обеспечивает защиту привода, но не защищает персонал.

1. Проверьте соединение ПЧ с двигателем на отсутствие коротких замыканий и ошибок подключения.
2. Проверьте работоспособность силового модуля IGBT.
3. Проверьте состояние изоляции выходных каналов привода.

occ

Short Circuit

Короткое замыкание между верхним и нижним полумостом IGBT-модуля Обратитесь в сервисный центр.

ovA

Ov at accel

Превышение напряжения на шине DC во время торможения (230В: DC 450В; 460В: DC 900В) 1. Проверьте, находится ли напряжение сети электропитания в допустимых пределах.
2. Убедитесь в отсутствии выбросов напряжения сети.
3. Перенапряжение в звене постоянного тока в результате регенеративного торможения двигателя. Надлежит увеличить время разгона или применить доп. резистор в цепи торможения.

ovd

Ov at decel

Превышение напряжения на шине DC во время торможения (230В: DC 450В; 460В: DC 900В) 1. Проверьте, находится ли напряжение сети электропитания в допустимых пределах.
2. Убедитесь в отсутствии выбросов напряжения сети.
3. Перенапряжение в звене постоянного тока в результате регенеративного торможения двигателя. Надлежит увеличить время замедления или применить доп. резистор в цепи торможения.

ovn

Ov at normal SPD

Превышение напряжения на шине DC в установившемся режиме (230В: DC 450В; 460В: DC 900В) 1. Проверьте, находится ли напряжение сети электропитания в допустимых пределах.
2. Убедитесь в отсутствии выбросов напряжения сети.
3. Перенапряжение в звене постоянного тока в результате регенеративного торможения двигателя. Надлежит увеличить время замедления или применить доп. резистор в цепи торможения.

ovS

Ov at stop

Аппаратный отказ в цепях защиты по напряжению 1. Проверьте, находится ли напряжение сети электропитания в допустимых пределах.
2. Убедитесь в отсутствии выбросов напряжения сети.

LvA

Lv at accel

Напряжения на шине DC во время разгона ниже параметра 06-00 1. Проверьте, находится ли напряжение сети электропитания в допустимых пределах.
2. Проверьте моментальную нагрузку

Lvd

Lv at decel

Напряжения на шине DC во время торможения ниже параметра 06-00 1. Проверьте, находится ли напряжение сети электропитания в допустимых пределах.
2. Проверьте моментальную нагрузку

Lvn

Lv at normal SPD

Напряжения на шине DC в установившемся режиме ниже параметра 06-00 1. Проверьте, находится ли напряжение сети электропитания в допустимых пределах.
2. Проверьте моментальную нагрузку

LvS

Lv at stop

Напряжения на шине DC в режиме СТОП ниже параметра 06-00 1. Проверьте, находится ли напряжение сети электропитания в допустимых пределах.
2. Проверьте моментальную нагрузку

OrP

Phase lacked

Обрыв фазы электропитания Проверьте наличие и симметрию всех трех фаз напряжения питания на входных клеммах (L1, L2, L3) преобразователя. В моделях от 30кВт проверьте входные предохранители.

oH1

IGBT over heat

Перегрев IGBT-модуля. Температура IGBT модуля превысила уровень защиты 0,75 -11 кВт: 90oC 15 - 75 кВт: 100oC 1. Проверьте, не превышает ли температура окружающей среды (непосредственно вокруг ПЧ) требуемых условий работы преобразователя.
2. Убедитесь в том, что вентиляционные отверстия не загрязнены и ничем не закрыты.
3. Проверьте состояние рёбер радиатора и в случае необходимости очистите их от посторонних тел и грязи.
4. Проверьте работу вентилятора и в случае необходимости очистите его от грязи.
5. Обеспечьте требуемое охлаждающее пространство вокруг преобразователя.

oH2

Heat Sink oH

Перегрев радиатора. Температура радиатора ПЧ превысила 90oC. 1. Проверьте, не превышает ли температура окружающей среды (непосредственно вокруг ПЧ) требуемых условий работы преобразователя.
2. Убедитесь в том, что вентиляционные отверстия не загрязнены и ничем не закрыты. Проверьте состояние рёбер радиатора и в случае необходимости очистите их от посторонних тел и грязи. Проверьте работу вентилятора и в случае необходимости очистите его от грязи.
3. Обеспечьте требуемое охлаждающее пространство вокруг преобразователя.

oH3

Motor over heat

Перегрев двигателя Датчик температуры двигателя зафиксировал превышение значения Pr.06-30 (уровень PTC) или Pr.06-57 (уровень 2 PT100). 1. Обеспечьте требуемое охлаждающее пространство вокруг двигателя, при необходимости очистите его от грязи.
2. Проверьте, не превышает ли температура окружающей среды (непосредственно вокруг двигателя) требуемых условий его эксплуатации.
3. Замените двигатель и преобразователь на модели большей мощности.

tH1o

Thermo 1 open

Аппаратный отказ в цепях тепловой защиты (датчик IGBT) Обратитесь в сервисный центр.

tH2o

Thermo 2 open

Аппаратный отказ в цепях тепловой защиты (датчик радиатора) Обратитесь в сервисный центр.

oL

Over load

Перегрузка привода по току ПЧ отслеживает превы- шение тока и может выдержать это превыше- ние в течение определен- ного времени (см. характеристики ПЧ). 1. Проверьте нагрузку двигателя.
2. Замените преобразователь на модель большей мощности.

EoL1

Thermal relay 1

Электронная тепловая защита двигателя 1 1. Проверьте параметры электронного теплового реле (параметр 06-14)
2. Замените преобразователь на модель большей мощности.

EoL2

Thermal relay 2

Электронная тепловая защита двигателя 2 1. Проверьте параметры электронного теплового реле (параметр 06-28)
2. Замените преобразователь на модель большей мощности.

ot1

Over torque 1

 

ot2

Over torque 2

Данные коды появятся, когда ток нагрузки будет больше уровня превышения момента (параметр 06-07 или 06-10) в течение времени (параметр 06-08 или 06-11) при заданных значениях 2 или 4 в параметре 06-06 или 06-09. 1. Проверьте, не перегружен ли двигатель.
2. Проверьте правильность установки номинального тока двигателя в параметре 05-01.
3. Замените преобразователь на модель большей мощности.

uC

Under torque

Низкий ток нагрузки Проверьте параметры 06-71, 06-72, 06-73.

LMIT

Limit Error

Ошибка позиционирования в "0"

cF1

EEPROM write err

Внутренняя EEPROM не может быть перезаписана. 1. Нажмите кнопку RESET и затем сбросьте все параметры на заводские установки (параметр 00.02).
2. Обратитесьв сервисный центр.

cF2

EEPROM read err

Внутренняя EEPROM не может быть прочитана. 1. Нажмите кнопку RESET и затем сбросьте все параметры на заводские установки (параметр 00.02).
2. Обратитесьв сервисный центр.

cd1

Ias sensor err

Ошибка U-фазы Снимите и затем вновь подайте напряжение питания на ПЧ. Если ошибки не пропала, обратитесь в сервисный центр.

cd2

Ibs sensor err

Ошибка V-фазы Снимите и затем вновь подайте напряжение питания на ПЧ. Если ошибки не пропала, обратитесь в сервисный центр.

cd3

Ics sensor err

Ошибка W-фазы Снимите и затем вновь подайте напряжение питания на ПЧ. Если ошибки не пропала, обратитесь в сервисный центр.

Hd0

cc HW error

Ошибка рампы тока Снимите и затем вновь подайте напряжение питания на ПЧ. Если ошибки не пропала, обратитесь в сервисный центр.

Hd1

Oc HW error

OC аппаратная ошибка Снимите и затем вновь подайте напряжение питания на ПЧ. Если ошибки не пропала, обратитесь в сервисный центр.

Hd2

Ov HW error

OV аппаратная ошибка Снимите и затем вновь подайте напряжение питания на ПЧ. Если ошибки не пропала, обратитесь в сервисный центр.

Hd3

occ HW error

Occ аппаратная ошибка Снимите и затем вновь подайте напряжение питания на ПЧ. Если ошибки не пропала, обратитесь в сервисный центр.

AUE

Auto tuning err

Ошибка автоматической настройки двигателя 1. Проверьте соединение между ПЧ и двигателем.
2. Попробуйте еще раз.

AFE

PID Fbk error

Потеря сигнала на входе ACI при ПИД-регулировании 1. Проверьте соединение и исправность датчика обратной связи на входе ACI.
2. Проверьте настройку параметров ПИД-регулятора.

PGF1

PG Fbk error

Ошибка обратной связи PG (энкодера) Проверьте корректность настройки параметров обратной связи по скорости.

PGF2

PG Fbk loss

Потеря обратной связи PG (энкодера) Проверьте соединение и исправность датчика обратной связи платы PG.

PGF3

PG Fbk over SPD

Срыв сигнала обратной связи платы PG 1. Проверьте соединение и исправность датчика обратной связи платы PG.
2. Проверьте корректность настройки коэффициентов PI регулятора и времени торможения.
3. Обратитесь в сервисный центр.

PGF4

PG Fbk deviate

Ошибка по скольжению платы PG 1. Проверьте соединение и исправность датчика обратной связи платы PG.
2. Проверьте корректность настройки коэффициентов PI регулятора и времени торможения.
3. Обратитесь в сервисный центр.

PGr1

PG Ref error

Ошибка импульсного входа 1. Проверьте соединения на импульсном входе.
2. Обратитесьв сервисный центр.

PGr2

PG Ref loss

Потеря сигнала на импульсном входе 1. Проверьте соединения на импульсном входе.
2. Обратитесьв сервисный центр.

ACE

ACI loss

Потеря сигнала на входе ACI 1. Проверьте соединения на входе ACI.
2. Проверьте уровень сигнала на входе ACI. Сигнал не должен быть ниже 4мА.

EF

External fault

Внешнее аварийное отключение 1. При замыкании дискретного входа EF (Н.О.) на GND, выходы U, V и W будут выключены.
2. Для сброса блокировки надо снять команду внешней аварии и разблокировать привод командой RESET.

EF1

Emergency stop

Аварийный останов 1. Когда на дискретном входе (MI1-MI6) активна команда аварийного отключения привода, выходы U, V и W будут выключены и привод остановится на выбеге.
2. Для сброса блокировки надо снять команду аварии и разблокировать привод командой RESET.

bb

Base block

Внешняя блокировка (пауза в работе) 1. Когда на дискретном входе активна команда паузы (B.B), напряжение с силовых выходов инвертора будет снято.
2. Для возобновления работы привода снимите команду паузы (B.B.) с дискретного входа.

Pcod

Password error

Ошибка ввода пароля. Клавиатура будет заблокирована. Выключите и включите питание ПЧ, и введите правильный пароль. См. параметры 00-07 и 00-08.

ccod

SW Code Error

Ошибка кода ПО

CE1

PC err command

Неправильный код команды Проверьте правильность функционального кода коммуникационных команд (допустимы только 03, 06, 10, 63).

CE2

PC err address

Неправильный адрес данных (00H ... 254H) Проверьте, правильно ли указан адрес данных.

CE3

PC err data

Неправильное значение данных Проверьте, соответствуют ли данные макс./мин. диапазона.

CE4

PC slave fault

Попытка записи данных по адресу «только для чтения» Проверьте, правильно ли указан адрес данных.

CE10

PC time out

Превышение времени ожидания связи по Modbus

CP10

PU time out

Превышение времени ожидания связи с пультом

bF

Braking fault

Сбой в работе тормозного резистора Нажмите кнопку “RESET”. Если ошибка повторится, обратитесь в сервисный центр.

ydc

Y-delta connect

Ошибка переключения Y /Δ (ydc) 1. Проверьте кабели и соединения Y и Δ
2. Проверьте настройки соответствующих параметров.

dEb

Dec. Energy back

Данная индикация появляется во время управляемого торможения двигателя при пропадании питания, если параметр 07-13≠0. 1. Установите параметр 07-13 = 0
2. Проверьте стабильность напряжения питающей сети.

oSL

Over slip error

Индикация при превышении скольжением значения параметра 05-26 в течение времени, заданного в параметре 05-27 1. Проверьте настройки параметров двигателя (при перегрузке двигателя, уменьшите его нагрузку).
2. Проверьте настройки параметров 05-26 и 05-27.

STOL

STO L o ss 1

Внутренняя аппаратная ошибка канала 1 (STO1~SCM1)

STO

STO

STO (безопасное отключение крутящего момента)

STOL

S TO L o ss 2

Внутренняя аппаратная ошибка канала 2 (STO2~SCM2)

STOL

S TO L o ss 3

Внутренняя аппаратная ошибка каналов 1 и 2 (STO1~SCM1 и STO2~SCM2)

Uoc

U phase oc

Короткое замыкание фазы U

Voc

V phase oc

Короткое замыкание фазы V

Woc

W phase oc

Короткое замыкание фазы W

ryF

MC Fault

Магнитный контактор не замкнулся. (Для типоразмеров: E и выше)

PGF5

PG HW Error

Аппаратная ошибка PG карты

ocU

Unknow over Amp

Превышение тока. Причина неизвестна.

ovU

Unknow over volt.

Превышение напряжения. Причина неизвестна.

OPHL

U phase lacked

Обрыв выходной фазы (U)

OPHL

V phase lacked

Обрыв выходной фазы (V)

OPHL

W phase lacked

Обрыв выходной фазы (W)

Ab oF

P G A B Z L in e o ff

Потеря сигнала ABZ энкодера.

Возможные причины и действия по устранению: Проверьте настройки PG-карты и энкодерный кабель.

UvoF

P G UV W L in e o ff

Потеря сигнала UVW энкодера.

Возможные причины и действия по устранению: Проверьте настройки PG-карты и энкодерный кабель.

RoPd

R ot or P o s. Er r or

Внутренняя ошибка определения позиции ротора.

Возможные причины и действия по устранению: Проверьте целостность моторного кабеля. Проверьте исправность обмотки двигателя. Проверьте корректность сигнала на выходе ПЧ.

TRAP

CPU Trap Error

Ошибка прерывания ЦПУ

CGdE

Guarding T-out

Превышено время ожидания сторожевого запроса CANopen

CHbE

Heartbeat T-out

Превышено время ожидания контрольных сообщений (тактирования) CANopen

CSYE

SYNC T-out

CANopen: превышение времени синхронизации

CbFE

Can bus off

Шина CANopen недоступна

CIdE

Can bus Index Err

Ошибка CANopen индекса

CAdE

Can bus Add. Err

Ошибка адреса станции CANopen

CFrE

Can bus off

Ошибка CANopen памяти

SdRv

SpdFbk Dir Rev

Направление вращения отличается от заданного. 1. Убедитесь в правильности настроек ПЧ. 2. При правильных настройках увеличьте полосу пропускания.

SdOr

SpdFbk over SPD

Превышение скорости вращения. 1. Убедитесь в правильности настроек ПЧ. 2. При правильных настройках увеличьте полосу пропускания.

SdDe

SpdFbk deviate

Значительное различие между скоростью вращения и заданной скоростью. 1. Убедитесь в правильности настроек ПЧ. 2. При правильных настройках увеличьте полосу пропускания.

Fstp

For ce Stop

При работе привода с ПЛК и Pr00-32 =`1: принудительная остановка привода кнопкой STOP на пульте

ictE

InrCom Time Out

Превышение времени внутренней связи

Sf LK

PML ess Sh aftL o ck

Блокировка вала двигателя с постоянными магнитами в бессенсорном режиме Возможные причины и действия по устранению: Проверьте правильность задания параметров двигателя.
SwO c Softw ar e OC Программная защита по превышению тока

Все возможные ошибки и предупреждения вы найдете в руководстве пользователя в файлах ниже.

Документация

Руководство по эксплуатации частотного преобразователя DELTA VFD-VL - Скачать в формате PDF pdf
Руководство по эксплуатации частотного преобразователя DELTA VFD-ED - Скачать в формате PDF pdf
Руководство по эксплуатации частотного преобразователя DELTA VFD-DD - Скачать в формате PDF pdf
Руководство по эксплуатации частотного преобразователя DELTA VFD-L - Скачать в формате PDF pdf
Руководство по эксплуатации частотного преобразователя DELTA VFD-E - Скачать в формате PDF pdf
Руководство по эксплуатации частотного преобразователя DELTA VFD-EL - Скачать в формате PDF pdf
Руководство по эксплуатации частотного преобразователя DELTA VFD-B - Скачать в формате PDF pdf
Руководство по эксплуатации частотного преобразователя DELTA VFD-MS300 - Скачать в формате PDF pdf
Руководство по эксплуатации частотного преобразователя DELTA VFD-CP2000 - Скачать в формате PDF pdf
Руководство по эксплуатации частотного преобразователя DELTA VFD-CH2000 - Скачать в формате PDF pdf
Руководство по эксплуатации частотного преобразователя DELTA VFD-CFP2000 - Скачать в формате PDF pdf
Руководство по эксплуатации частотного преобразователя DELTA VFD-C2000 - Скачать в формате PDF pdf

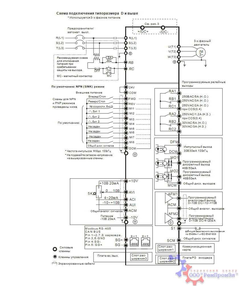
Типовые схемы подключения ПЧ DELTA

Схема подключения частотного преобразователя DELTA VFD-CFP2000 Схема подключения частотного преобразователя DELTA VFD-CH2000 типоразмер A-C
Схема подключения инвертора в исполнении IP20 (модель CIMR-E7Z47P51) Схема подключения инвертора в исполнении IP54 (модель CIMR-E7Z47P52)
Схема подключения частотного преобразователя DELTA VFD-CH2000 типоразмер D и выше
002 EFC 3600

Типы частотных преобразователей DELTA

Частотник Тип частотного преобразователя

DELTA VFD C2000

VFD007C23A; VFD007C43A/E; VFD015C23A; VFD015C43A/E; VFD022C23A; VFD022C43A/E; VFD037C23A; VFD037C43A/E; VFD040C43A/E; VFD055C43A/E; VFD055C23A; VFD75C23A; VFD075C43A/E; VFD110C23A; VFD110C43A/E; VFD150C43A/E; VFD150C23A; VFD185C23A; VFD185C43A/E; VFD220C23A; VFD220C43A/E; VFD300C43A/E; VFD370C43S; VFD450C43S; VFD370C43U; VFD450C43U; VFD300C23A/E; VFD370C23A/E; VFD550C43A/E; VFD750C43A/E; VFD450C23A/E; VFD550C23A/E; VFD750C23A/E; VFD900C43A/E; VFD1100C43A/E; VFD900C23A/E; VFD1320C43A/E; VFD1600C43A/E; VFD1850C43A; VFD2200C43A; VFD1850C43E; VFD2200C43E; VFD2800C43A; VFD3150C43A; VFD3550C43A; VFD4500C43A; VFD2800C43E-1; VFD3150C43E-1; VFD3550C43E-1; VFD4500C43E-1; VFD2800C43E; VFD3150C43E; VFD3550C43E; VFD4500C43E

DELTA VFD CH2000

VFD007CH23A-21; VFD015CH23A-21; VFD022CH23A-21; VFD037CH23A-21; VFD007CH43A-21; VFD015CH43A-21; VFD022CH43A-21; VFD037CH43A-21; VFD055CH43A-21; VFD007CH4EA-21;VFD015CH4EA-21; VFD022CH4EA-21; VFD037CH4EA-21; VFD055CH4EA-21; VFD055CH23A-21;VFD075CH23A-21;VFD110CH23A-21; VFD075CH43A-21; VFD110CH43A-21; VFD150CH43A-21; VFD075CH4EA-21; VFD110CH4EA-21; VFD150CH4EA-21; VFD150CH23A-21; VFD185CH23A-21; VFD185CH43A-21; VFD220CH43A-21;VFD300CH43A-21; VFD185CH4EA-21; VFD220CH4EA-21; VFD300CH4EA-21; VFD220CH23A-00; VFD300CH23A-00; VFD370CH23A-00; VFD370CH43A-00; VFD450CH43A-00; VFD550CH43A-00; VFD750CH43A-00; VFD220CH23A-21; VFD300CH23A-21; VFD370CH23A-21; VFD370CH43A-21;  VFD450CH43A-21; VFD550CH43A-21; VFD750CH43A-21; VFD450CH23A-00; VFD550CH23A-00; VFD900CH43A-00; VFD1100CH43A-00; VFD450CH23A-21; VFD550CH23A-21; VFD900CH43A-21; VFD1100CH43A-21; VFD750CH23A-00; VFD1320CH43A-00; VFD750CH23A-21; VFD1320CH43A-21; VFD1600CH43A-00; VFD1850CH43A-00; VFD2200CH43A-00; VFD1600CH43A-21; VFD1850CH43A-21; VFD2200CH43A-21; VFD2800CH43A-00; VFD2800CH43C-00; VFD2800CH43C-21
DELTA VFD-CР2000 VFD007CP23A-21; VFD015CP23A-21; VFD022CP23A-21; VFD037CP23A-21; VFD055CP23A-21; VFD007CP43A-21; VFD015CP43B-21; VFD022CP43B-21; VFD037CP43B-21; VFD040CP43A-21; VFD055CP43B-21; VFD075CP43B-21; VFD007CP4EA-21; VFD015CP4EB-21; VFD022CP4EB-21; VFD037CP4EB-21; VFD040CP4EA-21; VFD055CP4EB-21; VFD075CP4EB-21; VFD015CP53A-21; VFD022CP53A-21; VFD037CP53A-21; VFD075CP23A-21; VFD110CP23A-21; VFD150CP23A-21; VFD110CP43B-21; VFD150CP43B-21; VFD185CP43B-21; VFD110CP4EB-21; VFD150CP4EB-21; VFD185CP4EB-21; VFD055CP53A-21; VFD075CP53A-21; VFD110CP53A-21; VFD150CP53A-21; VFD185CP23A-21; VFD220CP23A-21; VFD300CP23A-21; VFD220CP43A-21; VFD300CP43B-21; VFD370CP43B-21; VFD220CP4EB-21; VFD300CP4EB-21; VFD370CP4EB-21; VFD185CP63A-21; VFD220CP63A-21; VFD300CP63A-21; VFD370CP63A-21; VFD450CP43S-00; VFD550CP43S-00; VFD450CP43S-21; VFD550CP43S-21; VFD550CP23A-00; VFD750CP23A-00; VFD900CP23A-00; VFD1100CP43A-00; VFD1320CP43B-00; VFD750CP63A-00; VFD900CP63A-00; VFD1100CP63A-00; VFD1320CP63A-00; VFD550CP23A-21; VFD750CP23A-21; VFD900CP23A-21; VFD1100CP43A-21; VFD1320CP43B-21; VFD750CP63A-21; VFD900CP63A-21; VFD1100CP63A-21; VFD1320CP63A-21; VFD1600CP43A-00; VFD1850CP43B-00; VFD1600CP63A-00; VFD2000CP63A-00; VFD1600CP43A-21; VFD1850CP43B-21; VFD1600CP63A-21; VFD2000CP63A-21
DELTA VFD-MS300 VFD1A6MS11ANSAA; VFD1A6MS11ENSAA; VFD1A6MS21ANSAA; VFD1A6MS21ENSAA; VFD1A6MS23ANSAA; VFD1A6MS23ENSAA; VFD2A8MS23ANSAA; VFD2A8MS23ENSAA; VFD2A5MS11ANSAA; VFD2A5MS11ENSAA; VFD2A8MS21ANSAA; VFD2A8MS21ENSAA; VFD1A5MS43ANSAA; VFD1A5MS43ENSAA; VFD4A8MS23ANSAA; VFD4A8MS23ENSAA; VFD2A7MS43ANSAA; VFD2A7MS43ENSAA; VFD7A5MS23ANSAA; VFD7A5MS23ENSAA; VFD4A2MS43ANSAA; VFD4A2MS43ENSAA; VFD4A8MS21ANSAA; VFD4A8MS21ENSAA; VFD1A6MS21AFSAA; VFD2A8MS21AFSAA; VFD4A8MS21AFSAA; VFD1A5MS43AFSAA; VFD2A7MS43AFSAA; VFD4A2MS43AFSAA; VFD4A8MS11ANSAA; VFD4A8MS11ENSAA; VFD7A5MS21ANSAA; VFD7A5MS21ENSAA; VFD11AMS21ANSAA; VFD11AMS21ENSAA; VFD11AMS23ANSAA; VFD11AMS23ENSAA; VFD17AMS23ANSAA; VFD17AMS23ENSAA; VFD5A5MS43ANSAA; VFD5A5MS43ENSAA; VFD9A0MS43ANSAA; VFD9A0MS43ENSAA; VFD7A5MS21AFSAA; VFD11AMS21AFSAA; VFD5A5MS43AFSAA; VFD9A0MS43AFSAA; VFD25AMS23ANSAA; VFD25AMS23ENSAA; VFD13AMS43ANSAA; VFD13AMS43ENSAA; VFD17AMS43ANSAA; VFD17AMS43ENSAA; VFD13AMS43AFSAA; VFD17AMS43AFSAA
DELTA VFD-B VFD007B23A; VFD007B43A; VFD007B23A; VFD007B53A; VFD007B21A; VFD015B23A; VFD015B43A; VFD015B53A; VFD007B21A; VFD015B21A; VFD015B23A; VFD015B43A; VFD015B53A; VFD015B21B; VFD015B23B; VFD022B43B; VFD022B53A; VFD015B21B; VFD015B23B; VFD022B43B; VFD022B53A; VFD022B21A; VFD037B43A; VFD037B53A; VFD055B43A; VFD055B53A; VFD075B43A; VFD075B53A; VFD075B23A; VFD075B43A; VFD075B53A; VFD150B23A; VFD150B43A; VFD185B53A; VFD300B43A; VFD300B53A; VFD370B43A; VFD370B53A; VFD450B43A; VFD450B53A; VFD300B23A; VFD370B23A; VFD550B43C; VFD550B53A; VFD750B43C; VFD750B53A
DELTA VFD-EL VFD002EL11A; VFD002EL21A; VFD002EL23A; VFD004EL11A; VFD004EL21A; VFD004EL23A; VFD004EL43A; VFD007EL21A; VFD007EL23A; VFD007EL43A; VFD015EL23A; VFD015EL43A; VFD007EL11A; VFD015EL21A; VFD022EL21A; VFD022EL23A; VFD022EL43A; VFD037EL23A; VFD037EL43A
DELTA VFD-E VFD002E11A/21A/23A; VFD004E11A/21A/23A/43A; VFD007E21A/23A/43A; VFD015E23A/43A; VFD002E11C/21C/23C; VFD004E11C/21C/23C/43C; VFD007E21C/23C/43C; VFD015E23C/43C; VFD002E11T/21T/23T; VFD004E11T/21T/23T/43T; VFD007E21T/23T/43T; VFD015E23T/43T; VFD002E11P/21P/23P; VFD004E11P/21P/23P/43P; VFD007E21P/23P/43P; VFD015E23P; VFD007E11A; VFD015E21A; VFD022E21A/23A/43A; VFD037E23A/43A; VFD007E11C; VFD015E21C; VFD022E21C/23C/43C; VFD037E23C/43C; VFD055E23A/43A; VFD075E23A/43A; VFD110E43A; VFD055E23C/43C; VFD075E23C/43C; VFD110E43C; VFD150E23A/43A; VFD150E23C/43C; VFD185E43A/43C; VFD220E43A/43C
DELTA VFD-L VFD002L21; VFD004L21; VFD007L21; VFD40WL11; VFD40WL21; VFD001L11; VFD001L21
DELTA VFD-DD VFD002DD21A; VFD002DDDD21AB; VFD002DD21C; VFD002DD21CB; VFD004DD21A; VFD004DD21AB; VFD004DD21C; VFD004DD21CB; VFD002DD21E; VFD004DD21E
DELTA VFD-ED VFD022ED21S; VFD037ED21S; VFD040ED23S; VFD040ED43S; VFD055ED23S; VFD055ED43S; VFD075ED23S; VFD075ED43S; VFD110ED23S; VFD110ED43S; VFD185ED43S; VFD150ED23S; VFD185ED23S; VFD220ED23S; VFD220ED43S; VFD300ED43S; VFD300ED23S; VFD370ED23S; VFD370ED43S; VFD450ED43S; VFD550ED43S; VFD750ED43S
DELTA VFD-VL VFD055VL23A; VFD055VL43A; VFD075VL23A; VFD075VL43A; VFD110VL23A; VFD110VL43A; VFD150VL23A; VFD150VL43A; VFD185VL23A; VFD185VL43A; VFD220VL23A; VFD220VL43A; VFD300VL43A; VFD370VL43A; VFD450VL43A; VFD300VL23A; VFD370VL23A; VFD550VL43A; VFD750VL43A

В таблице указаны далеко не все типы частотных преобразоватетей DELTA ремонт которых предлагает наш сервисный центр. Мы предлагаем качественный ремонт частотных преобразователей DELTA в Тольятти абсолютно любого года выпуска.

Оставить заявку на ремонт частотного преобразователя DELTA

Ремонт частотных преобразователей OMRONОт того как и из каких комплектующих будет проводиться ремонт преобразователя зависит на сколько долго он сможет проработать в дальнейшем. Сделав правильный выбор, обратившись в сервисный центр "РемПромЭл" вы получите отремонтированный частотник в самые кратчайшие сроки, при этом мы стараемся использовать только оригинальные запасные части, на сколько это возможно, что дает возможность без каких либо рисков давать длинный гарантийный срок.

У вас есть проблемы с частотником? Вам нужен срочный ремонт частотного преобразователя DELTA или его настройка? Оставьте заявку на ремонт частотника DELTA в Тольятти воспользовавшись одноименной кнопкой на сайте либо обратитесь к нашим менеджерам. Связаться с ними можно несколькими способами:

contact

  • Заказав обратный звонок (кнопка в правом верхнем углу сайта)
  • Посредством чата (кнопка расположена с левой стороны сайта)
  • Позвонив по номеру телефона: +7(927)610-78-70; +7(848)255-80-30
  • Написав на электронную почту: Адрес электронной почты защищен от спам-ботов. Для просмотра адреса в вашем браузере должен быть включен Javascript.

Информация

Режим работы: ПН-ПТ с 9-00 до 18-00 СБ-ВС выходной день

Прием онлайн-заказов: ПН-ПТ 24 часа / сутки

Способы оплаты:

Visa Mastercard YandexMoney

Контакты

Адрес: 445030, г. Тольятти, ул. 40 лет Победы 5 офис 1005

Телефоны  для связи с менеджерами

  • +7 (927) 610-78-70
  • +7 (848) 255-80-30

Электронная почта

support@remontservodrive.ru

Популярные услуги

Prev Next Page:

Ремонт устройств плавного пуска SILIUM в Тольятти

Ремонт устройств плавного пуска SILIUM в Тольятти

Ремонт устройств плавного пуска SILIUM в Тольятти Ремонт...

Настройка и ремонт частотных преобразователей SILIUM в Тольятти

Настройка и ремонт частотных преобразователей SILIUM в Тольятти

Настройка и ремонт частотных преобразователей SILIUM в...

Настройка и ремонт частотных преобразователей Hyundai в Тольятти

Настройка и ремонт частотных преобразователей Hyundai в Тольятти

Настройка и ремонт частотных преобразователей Hyundai в...

Программирование и ремонт панели оператора SEW EURODRIVE в Тольятти

Программирование и ремонт панели оператора SEW EURODRIVE в Тольятти

Программирование и ремонт панели оператора SEW EURODRIVE...

Ремонт ПЛК SEW EURODRIVE в Тольятти

Ремонт ПЛК SEW EURODRIVE в Тольятти

Ремонт ПЛК SEW EURODRIVE в Тольятти Ремонт программируемых...

Настройка и ремонт частотных преобразователей SEW EURODRIVE в Тольятти

Настройка и ремонт частотных преобразователей SEW EURODRIVE в Тольятти

Настройка и ремонт частотных преобразователей SEW EURODRIVE...

Диагностика и ремонт серводвигателей SEW EURODRIVE в Тольятти

Диагностика и ремонт серводвигателей SEW EURODRIVE в Тольятти

Диагностика и ремонт серводвигателей SEW EURODRIVE в...

Программирование и ремонт панели оператора Schneider Electric в Тольятти

Программирование и ремонт панели оператора Schneider Electric в Тольятти

Программирование и ремонт панели оператора Schneider Electric...

Ремонт линейных серводвигателей в Тольятти: профессионализм и надежность от «РемПромЭл»

Ремонт линейных серводвигателей в Тольятти: профессионализм и надежность от «РемПромЭл»

Ремонт линейных серводвигателей в Тольятти: профессионализм и...

Ремонт промышленных компьютеров SCHNEIDER ELECTRIC в Тольятти

Ремонт промышленных компьютеров SCHNEIDER ELECTRIC в Тольятти

Ремонт промышленных компьютеров SCHNEIDER ELECTRIC в Тольятти Ремонт...

Услуги сервиса