Настройка и ремонт частотных преобразователей YASKAWA в Тольятти
Ремонт частотных преобразователей YASKAWA в Тольятти
Ремонт частотных преобразователей YASKAWA в Тольятти, одна из многих услуг предлагаемых сервисным центром "РемПромЭл". Преобразователи частоты относятся к сложной промышленной электронике и состоят из двух взаимосвязанных составляющих- это электронная и силовая часть. Подобное конструктивное исполнение значительно усложняет ремонт частотных преобразователей.
Преобразователь частоты достаточно распространенное промышленное оборудование, и как все подвержены износу. В зависимости от интенсивности использования, нагрузки, среды в которой работает оборудования частотные преобразователи выходят из строя останавливая рабочий процесс.
В целях сомнительной "экономии" некоторые пытаются провести ремонт частотного преобразователя YASKAWA самостоятельно на территории производства. Зачастую данные действия приводят к значительному удорожанию ремонта а при самом неблагоприятном исходе могут привести к не ремонтопригодности частотника.
В виду вышесказанного настоятельно рекомендуем, не пытайтесь проводить ремонт частотных преобразователей своими силами, обратитесь за помощью к специалистам. Современный специализированный сервисный центр имеет в наличии весь необходимый инструмент, включая специальное диагностическое оборудование, а компетентный персонал проведет качественный ремонт частотных преобразователей YASKAWA в Тольятти, к тому же сервисные центры дают гарантию на проведенные ремонтные работы.
Ремонт частотных преобразователей YASKAWA в СЦ "РемПромЭл"
Ремонт частотных преобразователей YASKAWA в сервисном центре самое разумное и экономически выгодное решение. Грамотные специалисты со знанием дела проведут глубокую диагностику неисправного блока и последующий ремонт частотного преобразователя YASKAWA в кратчайшие сроки. К написанному можно добавить то, что каждый без исключения ремонт частотного преобразователя YASKAWA в СЦ "РемПромЭл" проводится с применением оригинальных запасных частей.
В 2013-ом году специалистами компании был проведен первый ремонт частотного преобразователя положивший начало дальнейшему развитию в данном направлении. За прошедшее время были отремонтированы сотни единиц промышленного оборудования и накоплен колоссальный, бесценный опыт в ремонте частотных преобразователей различных производителей.
Сервисный центр "РемПромЭл" оснащен самым современным диагностическим и ремонтным оборудованием, имеются в наличии расходные материалы, а так же на складе компании богатый выбор оригинальных запасных частей, что дает возможность провести качественный ремонт частотных преобразователей YASKAWA.
Обратившись в СЦ за ремонтом частотных преобразователей YASKAWA в Тольятти вы получите:
- Глубокую диагностику с выявлением неисправного компонента;
- Чистку неисправного блока;
- Ремонт преобразователя в кратчайшие сроки;
- Настройку частотника;
- Проверку отремонтированного блока на специальном стенде в условиях максимально приближенных к реальным;
- Видео проверки отремонтированного сервопривода.
Отдельное внимание мы уделяем качеству проведения ремонта и даем гарантию на ремонт частотных преобразователей YASKAWA и на замененные в процессе ремонта запасные части и расходные материалы 6 месяцев.
Настройка частотных преобразователей YASKAWA в Тольятти
Настройка частотных преобразователей YASKAWA - это заключительный этап ремонта и в тоже время очень важный. Для правильной работы восстановленного блока просто необходимо провести грамотное программирование частотного преобразователя. Ремонт и дальнейшую настройку преобразователей частоты YASKAWA выполняют разные специалисты, так как подобная работа довольно сложная и имеет свою специфику.
Настройка частотных преобразователей YASKAWA в Тольятти или как еще называют программирование частотников неотъемлемая часть процесса ремонта преобразователя, ввиду того, что ремонт силовой части это только половина мероприятий направленных на восстановление работоспособности преобразователя.
В некоторых случаях возникает необходимость провести программирование частотного преобразователя без его ремонта. Причин по которым может возникнуть подобная необходимость масса.
Настройка частотного преобразователя YASKAWA может быть и отдельной услугой предоставляемой сервисным центром "РемПромЭл". Инженеры компании проведут необходимую настройку преобразователей YASKAWA в Тольятти как на территории сервисного центра так и с выездом на территорию заказчика (по предварительной договоренности).
От качественной настройки преобразователя частоты зависит правильная и безаварийная работа связки частотника и серводвигателя, а для этого требуется не много, просто программирование частотного преобразователя YASKAWA должен проводить компетентный персонал с богатым опытом по настройке частотников.
Подключение частотных преобразователей
Подключение частотных преобразователей YASKAWA к оборудованию заказчика это еще одна услуга предоставляемая нашей компанией. В случае необходимости специалист центра выполнит подключение преобразователя частоты YASKAWA с выездом на территорию заказчика.
В некоторых случаях на производстве может быть дефицит квалифицированны кадров которые могли бы произвести качественное подключение частотного преобразователя, по этому мы предлагаем услуги нашего сервисного центра.
Свяжитесь с нашими менеджерами и закажите выезд специалиста, и подключением частотного преобразователя YASKAWA займется инженер сервисного центра. В случае заказа на подключение частотных преобразователей YASKAWA силами наших специалистов вы получаете гарантию качества и работоспособности вашего оборудования.
Доверяя работу по подключению преобразователей частоты профессионалам, вы избавляетесь от головной боли и гарантированно получаете работающее оборудование в кратчайшие сроки и за разумную цену.
Ошибки частотных преобразователей
Каждый частотник, оснащен информационной панелью с помощью которой проходит процесс программирования частотных преобразователей, а так же на данную информационную панель в случае нештатной ситуации выводятся коды ошибок которые привели к остановке оборудования.
У каждого производителя разные коды ошибок у кого то это могут быть цифровые обозначения у кого то буквенные, но вся прелесть заключается в том, что открыв документацию и расшифровав код ошибки частотного преобразователя мы с большой долей вероятности можем исправить эту ошибку на месте, сбросить ее на частотнике и запустить оборудование заново.
К сожалению не все ошибки частотных преобразователей YASKAWA можно исправить и сбросить самостоятельно, в некоторых случаях придется обращаться к специалистам сервисного центра.
Самые распространенные ошибки частотных преобразователей YASKAWA:
- Превышение тока;
- Перенапряжение или недостаточное напряжение;
- Перегрузка;
- Ошибка сигнала энкодера;
- Превышение температуры IGBT-модуля ;
- Ошибка связи;
- Обрыв фазы питания;
- Короткое замыкание.
Это не полный список распространенных ошибок частотных преобразователей YASKAWA которые можно сбросить самостоятельно без обращения к специалистам.
Коды ошибок частотного преобразователя YASKAWA GA500
| Код ошибки | Ошибка | Причина |
|---|---|---|
| bb | Блокировка | Поступила команда внешней блокировки через один из входов Sx интерфейса MFDI, и вывод напряжения привода прекращен в соответствии с указаниями команды внешней блокировки. |
| CrST | Сброс невозможен | На привод поступила команда сброса неисправности при активной команде Run (Ход). |
| EF | Ош.ввода ком. прям./ обратн. хода | В течение более 0,5 с одновременно подавались команды на прямой и на обратный ход. |
| EF1 - EF7 | Внешний отказ (клемма Sx) | Произошел отказ внешнего устройства, подключенного к одному из многофункциональных цифровых входов Sx. Внешний отказ [H1-xx = 20 по 2B] настроена на клеммную многофункционального цифрового входа, однако клемма не используется. |
| GF | Неисправность заземления |
|
| oC | Превышение по току |
|
| oL1 | Перегрузка двигателя |
|
| oL2 | Перегрузка привода |
|
| ov | Превышение по напряжению |
|
| PF | Обрыв входной фазы |
|
| STo | Безоп. отключ. крутящего момента | Входы безопасной блокировки H1-HC и H2-HC разомкнуты. |
| SToF | Неполадка оборуд. для безоп.откл. |
|
Документация
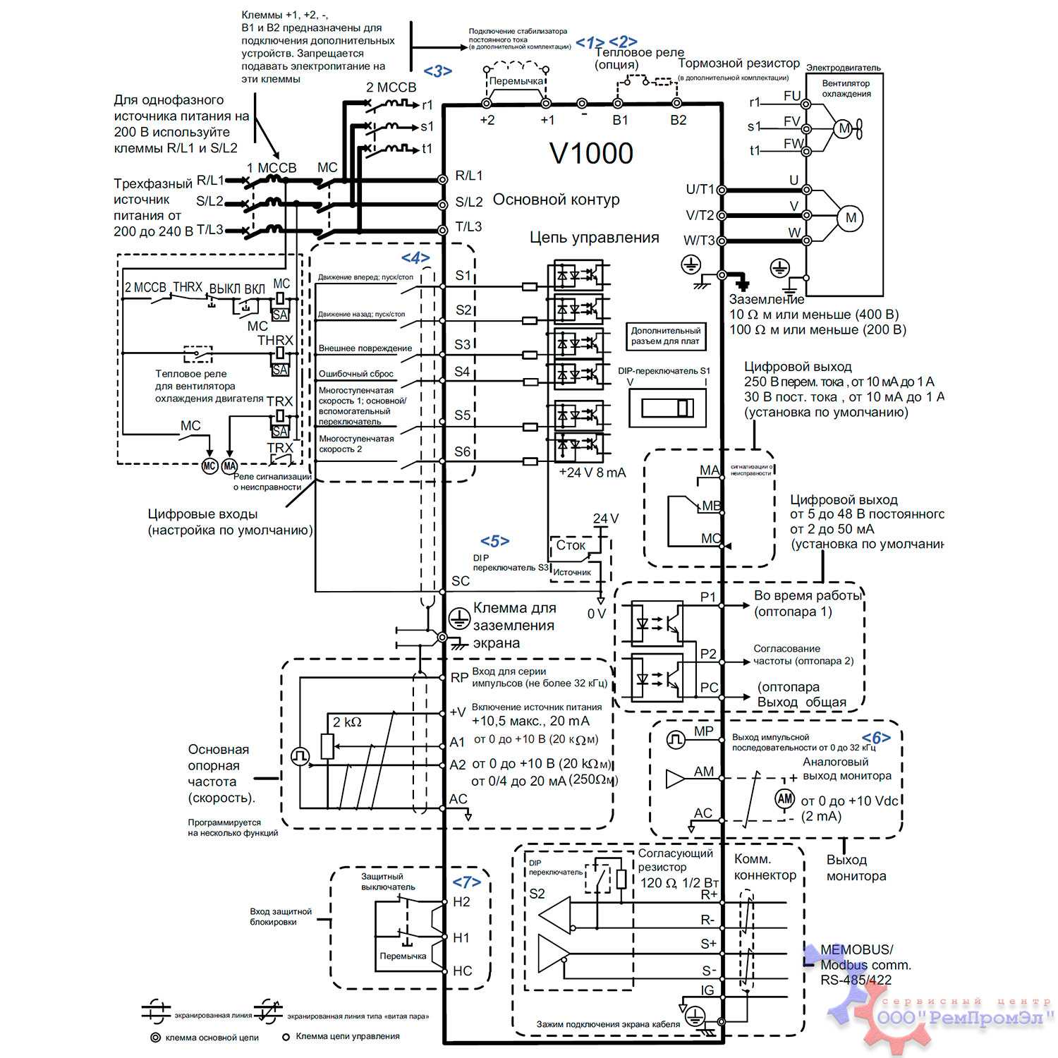
Типовые схемы подключения ПЧ YASKAWA
Типы частотных преобразователей YASKAWA
| Частотник | Тип частотного преобразователя |
|---|---|
|
YASKAWA A1000 |
CIMR-AC4AA0058AAA; CIMR-AU2A0004FAA; CIMR-AU2A0006FAA; CIMR-AU2A0008FAA; CIMR-AU2A0010FAA; CIMR-AU2A0012FAA; CIMR-AU2A0018FAA; CIMR-AU2A0021FAA; CIMR-AU2A0030FAA; CIMR-AU2A0040FAA; CIMR-AU2A0056FAA; CIMR-AU2A0069FAA; CIMR-AU2A0081FAA; CIMR-AU2A0110FAA; CIMR-AU2A0138FAA; CIMR-AU2A0169FAA; CIMR-AU2A0211FAA; CIMR-AU2A0250AAA; CIMR-AU2A0312AAA; CIMR-AU2A0360AAA; CIMR-AU2A0415AAA; CIMR-AU2A0004UAA; CIMR-AU2A0006UAA; CIMR-AU2A0008UAA; CIMR-AU2A0010UAA; CIMR-AU2A0012UAA; CIMR-AU2A0018UAA; CIMR-AU2A0021UAA; CIMR-AU2A0030UAA; CIMR-AU2A0040UAA; CIMR-AU2A0056UAA; CIMR-AU2A0069UAA; CIMR-AU2A0081UAA; CIMR-AU2A0110UAA; CIMR-AU2A0138UAA; CIMR-AU2A0169UAA; CIMR-ACA25P5; CIMR-ACA2011; CIMR-ACA2022; CIMR-ACA2045; CIMR-ACA45P5; CIMR-ACA4011; CIMR-ACA4022; CIMR-ACA4045; CIMR-ACA4075; CIMR-AB4A0038FBA; CIMR-AC4A0002FAA; CIMR-AC4A0004FAA; CIMR-AC4A0005FAA; CIMR-AC4A0007FAA; CIMR-AC4A0165AAA; CIMR-AC4A0208AAA; CIMR-AC4A0250AAA |
|
YASKAWA J1000 |
CIMR-JUBA0001BAA; CIMR-JUBA0002BAA; CIMR-JUBA0003BAA; CIMR-JUBA0006BAA; CIMR-JUBA0010BAA; CIMR-JU2A0001BAA; CIMR-JU2A0002BAA; CIMR-JU2A0004BAA; CIMR-JU2A0006BAA; CIMR-JU2A0010BAA; CIMR-JU2A0012BAA; CIMR-JU2A0020BAA; CIMR-JZA40P4BAA; CIMR-JZA40P7BAA; CIMR-JZA41P5BAA; CIMR-JZA42P2BAA; CIMR-JZA43P0BAA; CIMR-JZA44P0BAA; CIMR-JCBA0002BAA; CIMR-JCBA0003BAA; CIMR-JCBA0006BAA; CIMR-JCBA0010BAA ; CIMR-JC4A0001BAA; CIMR-JC4A0002BAA; CIMR-JB4A0001BBA; CIMR-JB4A0005BAA; CIMR-JB4A0007BAA; CIMR-JB4A0001BAA; CIMR-JB4A0004BAA; CIMR-JB4A0009BAA |
| YASKAWA V1000 | CIMR-V7AT21P5; CIMR-VB4A0011BBA; CIMR-VZ4A0038FAA; CIMR-VCBA0006BAA; CIMR-VC4A0007BAA; CIMR-VUBA0001FAA; CIMR-VUBA0002FAA; CIMR-VUBA0003FAA; CIMR-VUBA0006FAA; CIMR-VUBA0010FAA; CIMR-VUBA0012FAA; CIMR-VUBA0018FAA; CIMR-VU4A0002FAA; CIMR-VU4A0004FAA; CIMR-VU4A0005FAA; CIMR-VU4A0007FAA; CIMR-VU4A0009FAA; CIMR-VU4A0011FAA; CIMR-VU4A0018FAA; CIMR-VU4A0023FAA; CIMR-VU4A0031FAA; CIMR-VU4A0038FAA; CIMR-VUBA0001GAA; CIMR-VUBA0002GAA; CIMR-VU2A0040GAA; CIMR-VU2A0056GAA; CIMR-VU2A0069GAA; CIMR-VU4A0001GAA; CIMR-VU4A0002GAA; CIMR-VU4A0004GAA; CIMR-VU4A0005GAA; CIMR-VU4A0007GAA; CIMR-VU4A0009GAA; CIMR-VU4A0011GAA; CIMR-VU4A0018GAA; CIMR-VU4A0023GAA; CIMR-V7NU20P1; CIMR-V7NU20P2; CIMR-V7NU20P4; CIMR-V7NU20P5; CIMR-V7NU20P6; CIMR-V7NU20P7; CIMR-V7NU21P5; CIMR-V7NU22P2; CIMR-V7NU23P7; CIMR-V7NU24P0; CIMR-V7NU25P5; CIMR-V7NU27P5; CIMR-V7NU40P1; CIMR-V7NU40P2; CIMR-V7NU40P4; CIMR-V7NU40P7; CIMR-V7NU41P5; CIMR-V7NU42P2; CIMR-V7NU43P0; CIMR-V7NU43P7; CIMR-V7NU44P0; CIMR-V7NU45P5; CIMR-V7NU47P5; CIMR-V7NUB0P1; CIMR-V7NUB0P2; CIMR-V7NUB0P4; CIMR-V7NUB0P7; CIMR-V7NUB1P5; CIMR-V7NUB2P2; CIMR-V7NUB3P7; CIMR-V7NUB4P0 |
| YASKAWA VS mini V7 | CIMR-V7AM23P7; CIMR-V7AM20P41; CIMR-V7AM20P4; CIMR-V7AM41P5; CIMR-V7CU45P5; CIMR-V7CU43P7; CIMR-V7AZ47P5; CIMR-V7AZ42P2; CIMR-V7AU40P4; CIMR-V7AU23P7; CIMR-V7AM45P5; CIMR-V7AM42P2; CIMR-V7AZB0P7; CIMR-V7AZ20P7; CIMR-V7AZ20P2; CIMR-V7AZ20P3; CIMR-V7AZ20P4; CIMR-V7AZ20P5; CIMR-V7AZ20P6; CIMR-V7AZB0P1; CIMR-V7AZB0P2; CIMR-V7AZB0P3; CIMR-V7AZB0P4; CIMR-V7AZ21P5; CIMR-V7AZ22P2; CIMR-V7AZB0P7; CIMR-V7AZB1P5; CIMR-V7AZ40P2; CIMR-V7AZ41P2; CIMR-V7AA25P5; CIMR-V7AT43P7; CIMR-V7AT42P2; CIMR-V7CC41P5; CIMR-V7AT47P5; CIMR-V7AT20P7 ; CIMR-V7AT23P7; CIMR-V7AA23P7; CIMR-V7AT41P5; CIMR-V7AT45P5; CIMR-V7AT45P5; CIMR-V7AT22P2; CIMR-V7CCB2P27; CIMR-V7AT20P2; CIMR-V7AA20P7; CIMR-V7AT40P7; CIMR-V7AAB2P2; CIMR-V7AT21P5; CIMR-V7CCB0P4 |
| YASKAWA VS mini J7 | CIMR-J7AA20P2; CIMR-J7AZ20P1; CIMR-J7AM23P7; CIMR-J7AM41P5; CIMR-J7AM43P7; CIMR-J7AM40P4; CIMR-J7AM22P2; CIMR-J7AM21P5; CIMR-J7AA20P4; CIMR-J7AA21P5; CIMR-J7AM40P2; CIMR-J7AM20P7; CIMR-J7AZ20P2; CIMR-J7AZ20P4; CIMR-J7AZ20P7; CIMR-J7AZB0P1; CIMR-J7AZB0P2; CIMR-J7AZB0P4; CIMR-J7AZ21P5; CIMR-J7AZ22P2; CIMR-J7AZB0P7; CIMR-J7AZB1P5; CIMR-J7AZ40P2; CIMR-J7AZ42P2; CIMR-J7AZ24P0; CIMR-J7AZ44P0; CIMR-J7AA40P7; CIMR-J7ACB0P4; CIMR-J7AA20P7; CIMR-J7AA22P2; CIMR-J7ACB1P5; CIMR-J7AA43P7; CIMR-J7AA22P2; CIMR-J7AA23P7; CIMR-J7AA20P1; CIMR-J7AA40P4; CIMR-J7TA21P5; CIMR-J7AAB1P5; CIMR-J7AAB0P7; CIMR-J7AA42P2; CIMR-J7ACB0P7 |
| YASKAWA VS mini C | CIMR-XCACB0P2; CIMR-XCAEA0P7; CIMR-XCBC40P2; CIMR-XCBC40P4; CIMR-XCBC40P7; CIMR-XCBC41P5; CIMR-XCBCB0P2; CIMR-XCBCB0P4; CIMR-XCBCB0P7; CIMR-XCBCB1P5; CIMR-XCBEB0P7; CIMR-XCBA20P4; CIMR-XCBA21P5; CIMR-XCACB1P5; CIMR-XCAA20P7; CIMR-XCAA20P4; CIMR-XCBMA0P10; CIMR-XCBMA0P70; CIMR-XCBMA0P40; CIMR-XCBMA0P20; CIMR-XCHA21P5 |
В таблице указаны далеко не все типы частотных преобразоватетей YASKAWA ремонт которых предлагает наш сервисный центр. Мы предлагаем качественный ремонт частотных преобразователей YASKAWA в Тольятти абсолютно любого года выпуска.
Оставить заявку на ремонт частотного преобразователя YASKAWA
От того как и из каких комплектующих будет проводиться ремонт преобразователя зависит на сколько долго он сможет проработать в дальнейшем. Сделав правильный выбор, обратившись в сервисный центр "РемПромЭл" вы получите отремонтированный частотник в самые кратчайшие сроки, при этом мы стараемся использовать только оригинальные запасные части, на сколько это возможно, что дает возможность без каких либо рисков давать длинный гарантийный срок.
У вас есть проблемы с частотником? Вам нужен срочный ремонт частотного преобразователя YASKAWA или его настройка? Оставьте заявку на ремонт частотника YASKAWA в Тольятти воспользовавшись одноименной кнопкой на сайте либо обратитесь к нашим менеджерам. Связаться с ними можно несколькими способами:

- Заказав обратный звонок (кнопка в правом верхнем углу сайта)
- Посредством чата (кнопка расположена с левой стороны сайта)
- Позвонив по номеру телефона: +7(927)610-78-70; +7(848)255-80-30
- Написав на электронную почту: Адрес электронной почты защищен от спам-ботов. Для просмотра адреса в вашем браузере должен быть включен Javascript.















