Настройка и ремонт частотных преобразователей FUJI в Тольятти
Ремонт частотных преобразователей FUJI в Тольятти
Ремонт частотных преобразователей FUJI в Тольятти, одна из многих услуг предлагаемых сервисным центром "РемПромЭл". Преобразователи частоты относятся к сложной промышленной электронике и состоят из двух взаимосвязанных составляющих- это электронная и силовая часть. Подобное конструктивное исполнение значительно усложняет ремонт частотных преобразователей.
Преобразователь частоты достаточно распространенное промышленное оборудование, и как все подвержены износу. В зависимости от интенсивности использования, нагрузки, среды в которой работает оборудования частотные преобразователи выходят из строя останавливая рабочий процесс.
В целях сомнительной "экономии" некоторые пытаются провести ремонт частотного преобразователя FUJI самостоятельно на территории производства. Зачастую данные действия приводят к значительному удорожанию ремонта а при самом неблагоприятном исходе могут привести к не ремонтопригодности частотника.
В виду вышесказанного настоятельно рекомендуем, не пытайтесь проводить ремонт частотных преобразователей своими силами, обратитесь за помощью к специалистам. Современный специализированный сервисный центр имеет в наличии весь необходимый инструмент, включая специальное диагностическое оборудование, а компетентный персонал проведет качественный ремонт частотных преобразователей FUJI в Тольятти, к тому же сервисные центры дают гарантию на проведенные ремонтные работы.
Ремонт частотных преобразователей FUJI в СЦ "РемПромЭл"
Ремонт частотных преобразователей FUJI в сервисном центре самое разумное и экономически выгодное решение. Грамотные специалисты со знанием дела проведут глубокую диагностику неисправного блока и последующий ремонт частотного преобразователя FUJI в кратчайшие сроки. К написанному можно добавить то, что каждый без исключения ремонт частотного преобразователя FUJI в СЦ "РемПромЭл" проводится с применением оригинальных запасных частей.
В 2013-ом году специалистами компании был проведен первый ремонт частотного преобразователя положивший начало дальнейшему развитию в данном направлении. За прошедшее время были отремонтированы сотни единиц промышленного оборудования и накоплен колоссальный, бесценный опыт в ремонте частотных преобразователей различных производителей.
Сервисный центр "РемПромЭл" оснащен самым современным диагностическим и ремонтным оборудованием, имеются в наличии расходные материалы, а так же на складе компании богатый выбор оригинальных запасных частей, что дает возможность провести качественный ремонт частотных преобразователей FUJI.
Обратившись в СЦ за ремонтом частотных преобразователей FUJI в Тольятти вы получите:
- Глубокую диагностику с выявлением неисправного компонента;
- Чистку неисправного блока;
- Ремонт преобразователя в кратчайшие сроки;
- Настройку частотника;
- Проверку отремонтированного блока на специальном стенде в условиях максимально приближенных к реальным;
- Видео проверки отремонтированного сервопривода.
Отдельное внимание мы уделяем качеству проведения ремонта и даем гарантию на ремонт частотных преобразователей FUJI и на замененные в процессе ремонта запасные части и расходные материалы 6 месяцев.
Настройка частотных преобразователей FUJI в Тольятти
Настройка частотных преобразователей FUJI - это заключительный этап ремонта и в тоже время очень важный. Для правильной работы восстановленного блока просто необходимо провести грамотное программирование частотного преобразователя. Ремонт и дальнейшую настройку преобразователей частоты FUJI выполняют разные специалисты, так как подобная работа довольно сложная и имеет свою специфику.
Настройка частотных преобразователей FUJI в Тольятти или как еще называют программирование частотников неотъемлемая часть процесса ремонта преобразователя, ввиду того, что ремонт силовой части это только половина мероприятий направленных на восстановление работоспособности преобразователя.
В некоторых случаях возникает необходимость провести программирование частотного преобразователя без его ремонта. Причин по которым может возникнуть подобная необходимость масса.
Настройка частотного преобразователя FUJI может быть и отдельной услугой предоставляемой сервисным центром "РемПромЭл". Инженеры компании проведут необходимую настройку преобразователей FUJI в Тольятти как на территории сервисного центра так и с выездом на территорию заказчика (по предварительной договоренности).
От качественной настройки преобразователя частоты зависит правильная и безаварийная работа связки частотника и серводвигателя, а для этого требуется не много, просто программирование частотного преобразователя FUJI должен проводить компетентный персонал с богатым опытом по настройке частотников.
Подключение частотных преобразователей
Подключение частотных преобразователей FUJI к оборудованию заказчика это еще одна услуга предоставляемая нашей компанией. В случае необходимости специалист центра выполнит подключение преобразователя частоты FUJI с выездом на территорию заказчика.
В некоторых случаях на производстве может быть дефицит квалифицированны кадров которые могли бы произвести качественное подключение частотного преобразователя, по этому мы предлагаем услуги нашего сервисного центра.
Свяжитесь с нашими менеджерами и закажите выезд специалиста, и подключением частотного преобразователя FUJI займется инженер сервисного центра. В случае заказа на подключение частотных преобразователей FUJI силами наших специалистов вы получаете гарантию качества и работоспособности вашего оборудования.
Доверяя работу по подключению преобразователей частоты профессионалам, вы избавляетесь от головной боли и гарантированно получаете работающее оборудование в кратчайшие сроки и за разумную цену.
Ошибки частотных преобразователей FUJI
Каждый частотник, оснащен информационной панелью с помощью которой проходит процесс программирования частотных преобразователей, а так же на данную информационную панель в случае нештатной ситуации выводятся коды ошибок которые привели к остановке оборудования.
У каждого производителя разные коды ошибок у кого то это могут быть цифровые обозначения у кого то буквенные, но вся прелесть заключается в том, что открыв документацию и расшифровав код ошибки частотного преобразователя мы с большой долей вероятности можем исправить эту ошибку на месте, сбросить ее на частотнике и запустить оборудование заново.
К сожалению не все ошибки частотных преобразователей FUJI можно исправить и сбросить самостоятельно, в некоторых случаях придется обращаться к специалистам сервисного центра.
Самые распространенные ошибки частотных преобразователей FUJI:
- Превышение тока;
- Перенапряжение или недостаточное напряжение;
- Перегрузка;
- Ошибка сигнала энкодера;
- Превышение температуры IGBT-модуля ;
- Ошибка связи;
- Обрыв фазы питания;
- Короткое замыкание.
Это не полный список распространенных ошибок частотных преобразователей FUJI которые можно сбросить самостоятельно без обращения к специалистам.
Коды ошибок частотного преобразователя FUJI FRENIC Multi
ОСТОРОЖНО!!!
Если сработала функция защиты, сначала устраните ее причину. Далее, убедившись, что все команды управления отключены, снимите аварийное состояние. Помните, что при включенной команде управления после снятия аварийного состояния ПЧ попытается подать питание на двигатель и вызвать его вращение. Это может привести к травме.
- Даже еcли подключенный к ПЧ двигатель не вращается, наличие сетевого питания ПЧ на входных клеммах L1/R, L2/S и L3/T (L1/L и L2/N в случае однофазного питания) может привести к появлению напряжения на выходных клеммах U, V и W.
- Остаточный заряд может присутствовать на конденсаторе звена постоянного тока даже после отключения питания. Поэтому следует подождать, пока напряжения звена постоянного тока не снизится до безопасного уровня. Прежде, чем прикасаться к цепям, подождите не менее пяти минут после выключения питания, и проверьте мультиметром постоянное напряжение между клеммами P(+) и N(-) – оно должно быть менее 25 В.
Несоблюдение может привести к поражению электрическим током.
| Код ошибки | Описание |
|---|---|
| 0С1 | Кратковременная перегрузка по току |
| 0С2 | |
| 0С3 | |
| 0U1 | Перенапряжение |
| 0U2 | |
| 0U3 | |
| LU | Понижение напряжения |
| Lin | Обрыв входной фазы |
| OPL | Обрыв выходной фазы |
| OH1 | Перегрев радиатора |
| OH2 | Авария по внешним причинам |
| OH4 | Тепловая защита двигателя термистором (PTC) |
| DBH | Перегрев тормозного резистора |
| OL1 | Реле эл. тепловой перегрузки 1 |
| OL2 | Реле эл. тепловой перегрузки 2 |
| OLU | Перегрузка |
| Er1 | Сбой памяти |
| Er2 | Ошибка связи клавиатуры |
| Er3 | Ошибка в ЦП |
| Er4 | Ошибка карты связи (опция) |
| Er5 | Ошибка опциональной карты |
| Er6 | Ошибка в функциях |
| Er7 | Ошибка в настройках |
| Er8 | Ошибка связи RS485 |
| ErP | Ошибка связи RS485 (опциональной платы) |
| ErF | Ошибка сохранения параметров после понижения напряжения |
| ErH | Ошибка (платы питания) |
| Err | Имитацтя ошибки |
Документация
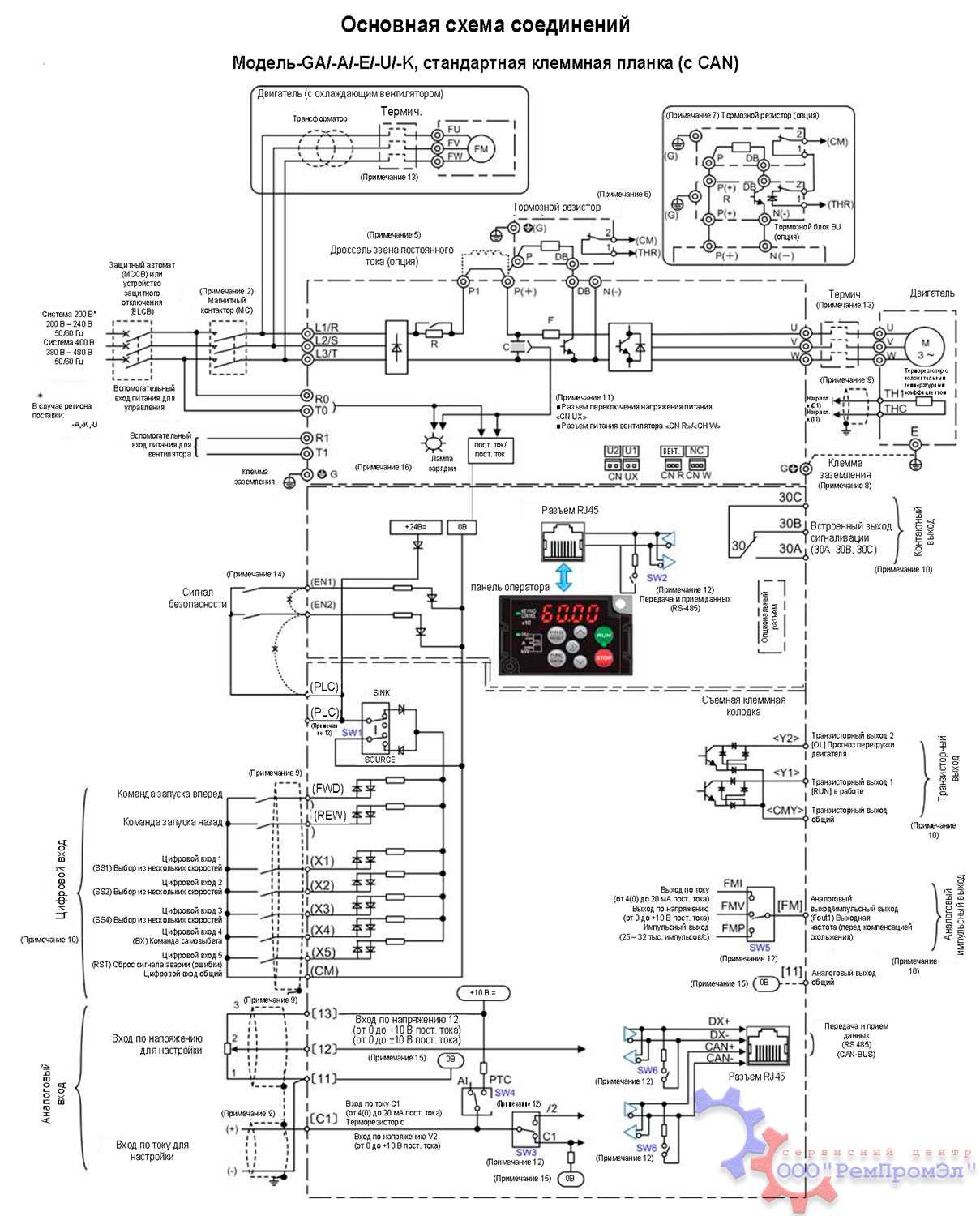
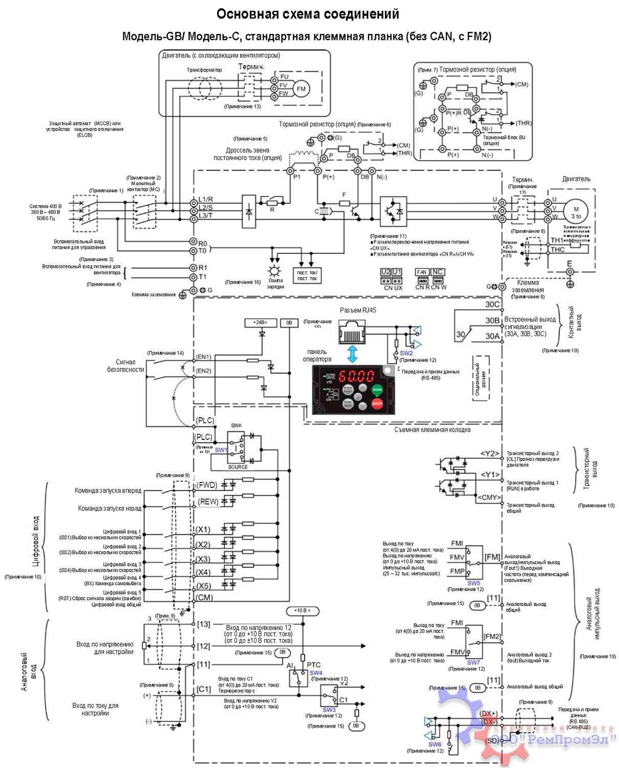
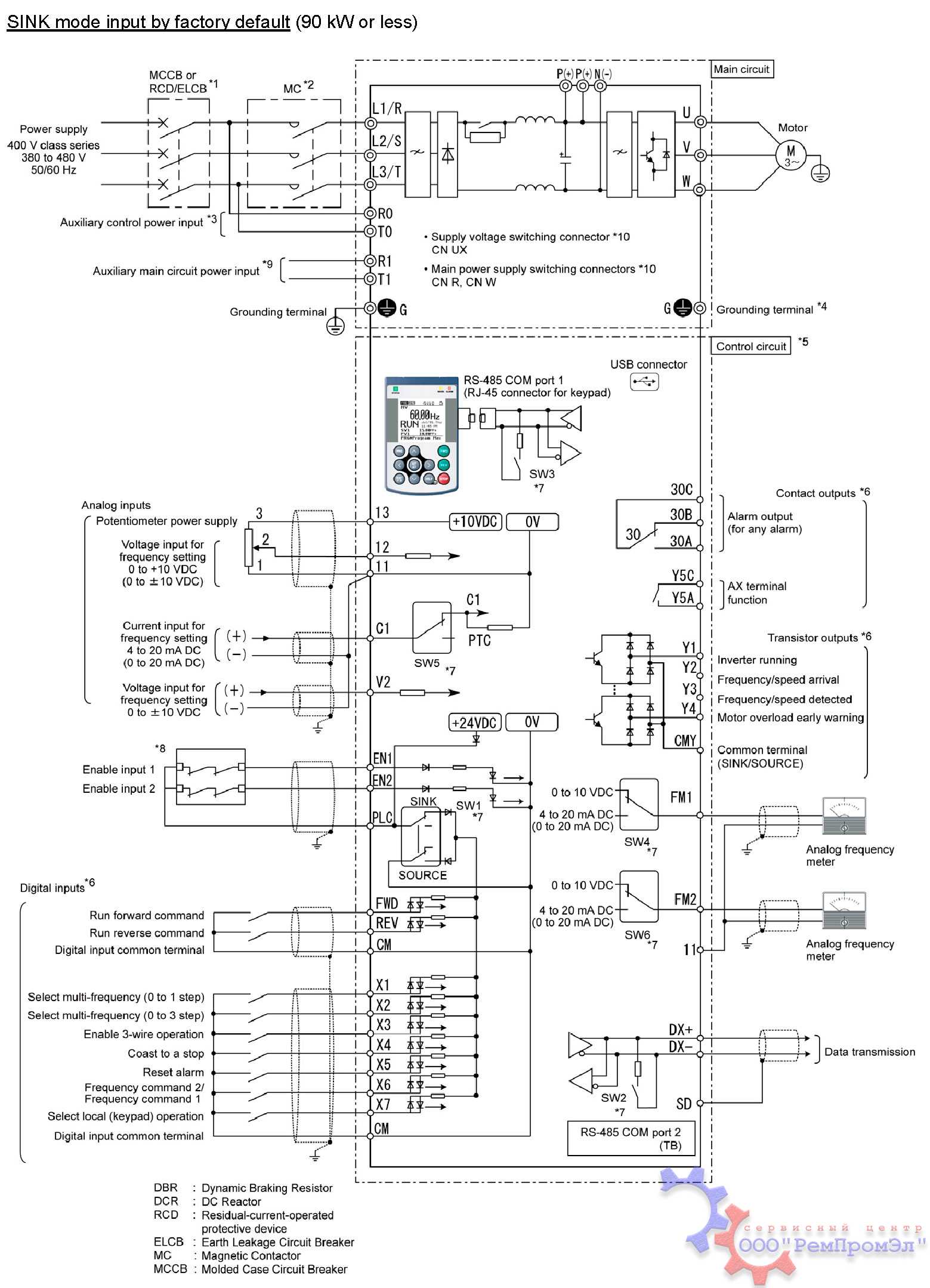
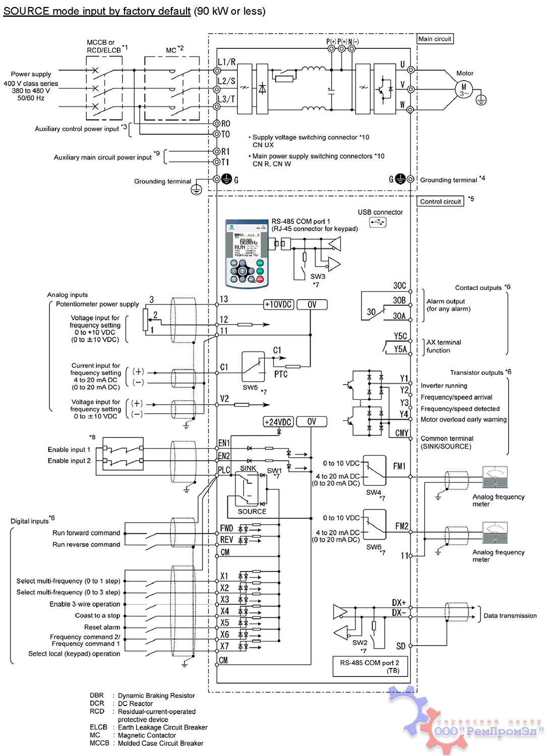
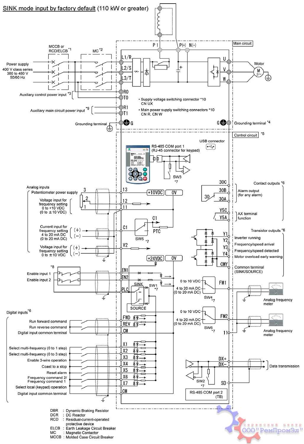
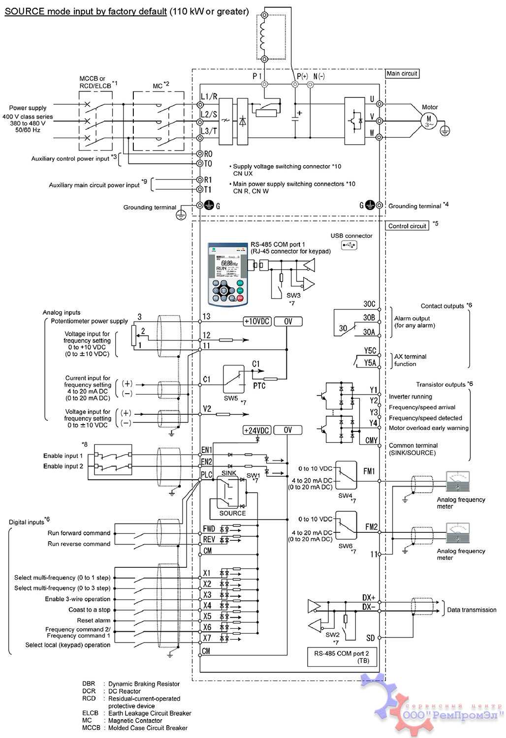
Типовые схемы подключения ПЧ FUJI
Типы частотных преобразователей FUJI
| Частотник | Тип частотного преобразователя |
|---|---|
|
FUJI FVR-Micro |
FVR0.4AS1S-4E; FVR0.75AS1S-4E; FVR1.5AS1S-4E; FVR2.2AS1S-4E; FVR3.7AS1S-4E; FVR0.4AS1S-7E; FVR0.75AS1S-7E; FVR1.5AS1S-7E; FVR2.2AS1S-7E; FVR0.2S1S-7E; 626,42; FVR0.4S1S-7E; FVR0.75S1S-7E; FVR1.5S1S-7E; FVR2.2S1S-7E; FVR2.2S1S-4E; FVR3.7S1S-4E |
|
FUJI Frenic Mini |
FRN0.1C1S-7E; FRN0.2C1S-7E; FRN0.4C1S-7E; FRN0.75C1S-7E; FRN1.5C1S-7E; FRN2.2C1S-7E; FRN0.4C1S-4E; FRN0.75C1S-4E; FRN1.5C1S-4E; FRN2.2C1S-4E; FRN4.0C1S-4E; FRN0.4C1Е-4E; FRN0.75C1Е-4E; FRN1.5C1Е-4E; FRN2.2C1Е-4E; FRN4.0C1Е-4E; FRN0.1C1Е-7E; FRN0.2C1Е-7E; FRN0.4C1Е-7E; FRN1.5C1S-4E21; FRN2.2C1S-4E21; FRN4.0C1S-4E21; FRN0001C2S-7E; FRN0002C2S-7E; FRN0004C2S-7E; FRN0006C2S-7E; FRN0010C2S-7E; FRN0012C2S-7E; FRN0001C2E-7E; FRN0002C2E-7E; FRN0004C2E-7E; FRN0006C2E-7E; FRN0010C2E-7E; FRN0012C2E-7E; FRN0001C2S-2A; FRN0002C2S-2A; FRN0004C2S-2A; FRN0006C2S-2A; FRN0010C2S-2A; FRN0012C2S-2A; FRN0020C2S-2A; FRN0025C2S-2A |
| FUJI Frenic Eco | FRN0.75F1S-4E; FRN1.5F1S-4E; FRN2.2F1S-4E; FRN4.0F1S-4E; FRN5.5F1S-4E; FRN7.5F1S-4E; FRN11F1S-4E; FRN15F1S-4E; FRN18.5F1S-4E; FRN22F1S-4E; FRN30F1S-4E; FRN37F1S-4E; FRN45F1S-4E; FRN55F1S-4E; FRN75F1S-4E; FRN90F1S-4E; FRN110F1S-4E; FRN132F1S-4E; FRN160F1S-4E; FRN200F1S-4E; FRN220F1S-4E; FRN280F1S-4E; FRN315F1S-4E; FRN355F1S-4E; FRN400F1S-4E; FRN450F1S-4E; FRN500F1S-4E; FRN560F1S-4E; FRN0.75F1L-4E; FRN1.5F1L-4E; FRN2.2F1L-4E; FRN4.0F1L-4E; FRN5.5F1L-4E; FRN7.5F1L-4E; FRN11F1L-4E; FRN15F1L-4E; FRN18.5F1L-4E; FRN22F1L-4E; FRN30F1L-4E; FRN37F1L-4E; FRN45F1L-4E; FRN55F1L-4E; FRN75F1L-4E; FRN90F1L-4E |
| FUJI Frenic Aqua | FRN0.75AQ1M-4E; FRN1.5AQ1M-4E; FRN2.2AQ1M-4E; FRN4.0AQ1M-4E; FRN5.5AQ1M-4E; FRN7.5AQ1M-4E; FRN11AQ1M-4E; FRN15AQ1M-4E; FRN18.5AQ1M-4E; FRN22AQ1M-4E; FRN30AQ1M-4E; FRN37AQ1M-4E; FRN45AQ1M-4E; FRN55AQ1M-4E; FRN75AQ1M-4E; FRN90AQ1M-4E; FRN0.75AQ1L-4E; FRN1.5AQ1L-4E; FRN2.2AQ1L-4E; FRN4.0AQ1L-4E; FRN5.5AQ1L-4E; FRN7.5AQ1L-4E; FRN11AQ1L-4E; FRN15AQ1L-4E; FRN18.5AQ1L-4E; FRN22AQ1L-4E; FRN30AQ1L-4E; FRN37AQ1L-4E; FRN45AQ1L-4E; FRN55AQ1L-4E; FRN75AQ1L-4E; FRN90AQ1L-4E; FRN110AQ1S-4E; FRN132AQ1S-4E; FRN160AQ1S-4E; FRN200AQ1S-4E; FRN220AQ1S-4E; FRN280AQ1S-4E; FRN315AQ1S-4E; FRN355AQ1S-4E; FRN400AQ1S-4E; FRN500AQ1S-4E; FRN630AQ1S-4E; FRN710AQ1S-4E |
| FUJI Frenic Hvac | FRN0.75AR1M-4E; FRN1.5AR1M-4E; FRN2.2AR1M-4E; FRN4.0AR1M-4E; FRN5.5AR1M-4E; FRN7.5AR1M-4E; FRN11AR1M-4E; FRN15AR1M-4E; FRN18.5AR1M-4E; FRN22AR1M-4E; FRN30AR1M-4E; FRN37AR1M-4E; FRN0.75AR1L-4E; FRN1.5AR1L-4E; FRN2.2AR1L-4E; FRN4.0AR1L-4E; FRN5.5AR1L-4E; FRN7.5AR1L-4E; FRN11AR1L-4E; FRN15AR1L-4E; FRN18.5AR1L-4E; FRN22AR1L-4E; FRN30AR1L-4E; FRN37AR1L-4E |
| FUJI Frenic Multi | FRN0.1E1S-7E; FRN0.2E1S-7E; FRN0.4E1S-7E; FRN0.75E1S-7E; FRN1.5E1S-7E; FRN2.2E1S-7E; FRN0.4E1S-4E; FRN0.75E1S-4E; FRN1.5E1S-4E; FRN2.2E1S-4E; FRN4.0E1S-4E; FRN5.5E1S-4E; FRN7.5E1S-4E; FRN11E1S-4E; FRN15E1S-4E; FRN0.4E1E-4E; FRN0.75E1E-4E; FRN1.5E1E-4E; FRN2.2E1E-4E; FRN4.0E1E-4E; FRN5.5E1E-4E; FRN7.5E1E-4E; FRN11E1E-4E; FRN15E1E-4E |
| FUJI Frenic Mega | FRN0.4G1E-4E; FRN0.75G1E-4E; FRN1.5G1E-4E; FRN2.2G1E-4E; FRN4.0G1E-4E; FRN5.5G1E-4E; FRN7.5G1E-4E; FRN11G1E-4E; FRN15G1E-4E; FRN18.5G1E-4E; FRN22G1E-4E; FRN30G1E-4E; FRN37G1E-4E; FRN45G1E-4E; FRN55G1E-4E; FRN75G1E-4E; FRN90G1E-4E; FRN110G1E-4E; FRN132G1E-4E; FRN160G1E-4E; FRN200G1E-4E; FRN220G1E-4E; FRN280G1E-4E; FRN315G1E-4E; FRN355G1E-4E; FRN400G1E-4E; FRN500G1E-4E; FRN630G1E-4E; FRN0.4G1E-4EAQ; FRN0.75G1E-4EAQ; FRN1.5G1E-4EAQ; FRN2.2G1E-4EAQ; FRN3.7G1E-4EAQ; FRN5.5G1E-4EAQ; FRN7.5G1E-4EAQ; FRN11G1E-4EAQ; FRN15G1E-4EAQ; FRN18.5G1E-4EAQ; FRN22G1E-4EAQ; FRN30G1E-4EBQ; FRN37G1E-4EBQ; FRN45G1E-4EBQ; FRN55G1E-4EBQ; FRN75G1E-4EBQ; FRN90G1E-4EBQ; FRN110G1E-4EBQ; FRN132G1E-4EBQ; FRN160G1E-4EBQ; FRN30G1E-4EAQ; FRN55G1E-4EAQ |
| FUJI Frenic Lift | FRN4.0LM1S-4EA; FRN5.5LM1S-4EA; FRN7.5LM1S-4EA; FRN11LM1S-4EA; FRN15LM1S-4EA; FRN18.5LM1S-4EA; FRN22LM1S-4EA; FRN30LM1S-4EA; FRN37LM1S-4EA; FRN45LM1S-4EA; FRN0011LM2A-7E; FRN0018LM2A-7E; FRN0006LM2A-4E; FRN0010LM2A-4E; FRN0015LM2A-4E; FRN0019LM2A-4E; FRN0025LM2A-4E; FRN0032LM2A-4E; FRN0039LM2A-4E; FRN0045LM2A-4E; FRN0060LM2A-4E; FRN0075LM2A-4E; FRN0091LM2A-4E |
| FUJI Frenic-VG | FRN37VG1S-2J; FRN45VG1S-2J; FRN55VG1S-2J; FRN75VG1S-2J; FRN90VG1S-2J; FRN30VG1S-4J; FRN37VG1S-4J; FRN45VG1S-4J; FRN55VG1S-4J; FRN75VG1S-4J; FRN90VG1S-4J; FRN110VG1S-4J; FRN132VG1S-4J; FRN160VG1S-4J; FRN200VG1S-4J; FRN220VG1S-4J; FRN280VG1S-4J; FRN315VG1S-4J; FRN355VG1S-4J; FRN400VG1S-4J; FRN500VG1S-4J; FRN630VG1S-4J; FRN30SVG1S-4J; FRN37SVG1S-4J; FRN45SVG1S-4J; FRN55SVG1S-4J; FRN75SVG1S-4J; FRN90SVG1S-4J; FRN110SVG1S-4J; FRN132SVG1S-4J; FRN160SVG1S-4J; FRN200SVG1S-4J; FRN220SVG1S-4J; FRN250SVG1S-4J; FRN280SVG1S-4J; FRN315SVG1S-4J; FRN630BVG1S-4J; FRN710BVG1S-4J; FRN800BVG1S-4J; FRN0.75VG1S-2J; FRN1.5VG1S-2J; FRN2.2VG1S-2J; FRN3.7VG1S-2J; FRN5.5VG1S-2J; FRN7.5VG1S-2J; FRN11VG1S-2J; FRN15VG1S-2J; FRN18.5VG1S-2J |
| FUJI Frenic Ace | FRN0002E2S-4E; FRN0004E2S-4E; FRN0006E2S-4E; FRN0007E2S-4E; FRN0012E2S-4E; FRN0022E2S-4E; FRN0029E2S-4E; FRN0037E2S-4E; FRN0044E2S-4E; FRN0059E2S-4E; FRN0072E2S-4E; FRN0085E2S-4E; FRN0105E2S-4E; FRN0139E2S-4E; FRN0168E2S-4E; FRN0203E2S-4E; FRN0240E2S-4E; FRN0290E2S-4E; FRN0361E2S-4E; FRN0415E2S-4E; FRN0520E2S-4E; FRN0590E2S-4E; FRN0002E2E-4E; FRN0004E2E-4E; FRN0006E2E-4E; FRN0007E2E-4E; FRN0012E2E-4E; FRN0022E2E-4E; FRN0029E2E-4E; FRN0037E2E-4E; FRN0044E2E-4E; FRN0059E2E-4E; FRN0072E2E-4E; FRN0085E2E-4E; FRN0105E2E-4E; FRN0139E2E-4E; FRN0168E2E-4E; FRN0203E2E-4E; FRN0240E2E-4E; FRN0290E2E-4E |
| FUJI FVR-C11 | FVRO.1C11S-2; FVR1.5C11S-2; FVR0.2C11S-2; FVR0.4C11S-2; FVR0.75C11S-2; FVR2.2C11S-2; FVR0.1C11S-7EN; FVR0.2C11S-7EN; FVR0.4C11S-7EN; FVR0.75C11S-7EN; FVR1.5C11S-7EN; FVR2.2C11S-7EN |
| FUJI FVR-E11S | FVRO.4E11S-2; FVR0.2E11S-2; FVR2.2E11S-2; FVRO.4E11S-4; FVR0.2E11S-4; FVR2.2E11S-4; FVR0.1E11S-7EN; FVR0.2E11S-7EN; FVR0.4E11S-7EN; FVR0.75E11S-7EN; FVR1.5E11S-7EN; FVR2.2E11S-7EN; FVR0.4E11S-4EN; FVR0.75E11S-4EN; FVR1.5E11S-4EN; FVR2.2E11S-4EN; FVR4.0E11S-4EN; FVR5.5E11S-4EN; FVR7.5E11S-4EN |
| FUJI FVR G7S | FVR004G7S-2; FVR015G7S-2UX; FVR008G7S-2; FVR015G7S-2; FVR022G7S-2; FVR040G7S-2; FVR055G7S-2; FVR075G7S-2; FVR110G7S-2; FVR150G7S-2; FVR220G7S-2; FVR008G7S-4EX; FVR015G7S-4EX; FVR022G7S-4EX; FVR055G7S-4EX; FVR075G7S-4EX; FVR150G7S-4EX; FVR055G7S-2UX; FVR008G7S-2UX; FVR022G7S-2UX; FVR040G7S-2UX; FVR075G7S-2UX; FVR110G7S-2UX; FVR150G7S-2UX; FVR037G7S-2 |
| FUJI AF-300 | 6KC1123F50X1A1; 6KC1123001X1A1; 6KLP23001X9A1; 6KC1123002X1A1; 6KC1123003X1A1; 6KE1111F12X1A1; AF-300C11; 6KLP23003X9A1; 6KF11H030X1A1; 6KF11H002X1A1; 6KF11L002X1A1; 6KF11L003X1A1; 6KF11H006X1A1; 6KF11L017X1A1; 6KF11L068X1A1; 6KF11H003X1A1; 6KF11H004X1A1; 6KF11H009X1A1; 6KF11H013X1A1; 6KF11H017X1A1; 6KF11H023X1A1; 6KF11H037X1A1; 6KF11H044X1A1; 6KF11H060X1A1; 6KF11H075X1A1 |
В таблице указаны далеко не все типы частотных преобразоватетей FUJI ремонт которых предлагает наш сервисный центр. Мы предлагаем качественный ремонт частотных преобразователей FUJI в Тольятти абсолютно любого года выпуска.
Оставить заявку на ремонт частотного преобразователя FUJI
От того как и из каких комплектующих будет проводиться ремонт преобразователя зависит на сколько долго он сможет проработать в дальнейшем. Сделав правильный выбор, обратившись в сервисный центр "РемПромЭл" вы получите отремонтированный частотник в самые кратчайшие сроки, при этом мы стараемся использовать только оригинальные запасные части, на сколько это возможно, что дает возможность без каких либо рисков давать длинный гарантийный срок.
У вас есть проблемы с частотником? Вам нужен срочный ремонт частотного преобразователя FUJI или его настройка? Оставьте заявку на ремонт частотника FUJI в Тольятти воспользовавшись одноименной кнопкой на сайте либо обратитесь к нашим менеджерам. Связаться с ними можно несколькими способами:

- Заказав обратный звонок (кнопка в правом верхнем углу сайта)
- Посредством чата (кнопка расположена с левой стороны сайта)
- Позвонив по номеру телефона: +7(927)610-78-70; +7(848)255-80-30
- Написав на электронную почту: Адрес электронной почты защищен от спам-ботов. Для просмотра адреса в вашем браузере должен быть включен Javascript.


















