Настройка и ремонт частотных преобразователей OMRON в Тольятти
Ремонт частотных преобразователей OMRON в Тольятти
Ремонт частотных преобразователей OMRON в Тольятти, одна из многих услуг предлагаемых сервисным центром "РемПромЭл". Преобразователи частоты относятся к сложной промышленной электронике и состоят из двух взаимосвязанных составляющих- это электронная и силовая часть. Подобное конструктивное исполнение значительно усложняет ремонт частотных преобразователей.
Преобразователь частоты достаточно распространенное промышленное оборудование, и как все подвержены износу. В зависимости от интенсивности использования, нагрузки, среды в которой работает оборудования частотные преобразователи выходят из строя останавливая рабочий процесс.
В целях сомнительной "экономии" некоторые пытаются провести ремонт частотного преобразователя OMRON самостоятельно на территории производства. Зачастую данные действия приводят к значительному удорожанию ремонта а при самом неблагоприятном исходе могут привести к не ремонтопригодности частотника.
В виду вышесказанного настоятельно рекомендуем, не пытайтесь проводить ремонт частотных преобразователей своими силами, обратитесь за помощью к специалистам. Современный специализированный сервисный центр имеет в наличии весь необходимый инструмент, включая специальное диагностическое оборудование, а компетентный персонал проведет качественный ремонт частотных преобразователей OMRON в Тольятти, к тому же сервисные центры дают гарантию на проведенные ремонтные работы.
Ремонт частотных преобразователей OMRON в СЦ "РемПромЭл"
Ремонт частотных преобразователей OMRON в сервисном центре самое разумное и экономически выгодное решение. Грамотные специалисты со знанием дела проведут глубокую диагностику неисправного блока и последующий ремонт частотного преобразователя OMRON в кратчайшие сроки. К написанному можно добавить то, что каждый без исключения ремонт частотного преобразователя OMRON в СЦ "РемПромЭл" проводится с применением оригинальных запасных частей.
В 2013-ом году специалистами компании был проведен первый ремонт частотного преобразователя положивший начало дальнейшему развитию в данном направлении. За прошедшее время были отремонтированы сотни единиц промышленного оборудования и накоплен колоссальный, бесценный опыт в ремонте частотных преобразователей различных производителей.
Сервисный центр "РемПромЭл" оснащен самым современным диагностическим и ремонтным оборудованием, имеются в наличии расходные материалы, а так же на складе компании богатый выбор оригинальных запасных частей, что дает возможность провести качественный ремонт частотных преобразователей OMRON.
Обратившись в СЦ за ремонтом частотных преобразователей OMRON в Тольятти вы получите:
- Глубокую диагностику с выявлением неисправного компонента;
- Чистку неисправного блока;
- Ремонт преобразователя в кратчайшие сроки;
- Настройку частотника;
- Проверку отремонтированного блока на специальном стенде в условиях максимально приближенных к реальным;
- Видео проверки отремонтированного сервопривода.
Отдельное внимание мы уделяем качеству проведения ремонта и даем гарантию на ремонт частотных преобразователей OMRON и на замененные в процессе ремонта запасные части и расходные материалы 6 месяцев.
Настройка частотных преобразователей OMRON в Тольятти
Настройка частотных преобразователей OMRON - это заключительный этап ремонта и в тоже время очень важный. Для правильной работы восстановленного блока просто необходимо провести грамотное программирование частотного преобразователя. Ремонт и дальнейшую настройку преобразователей частоты OMRON выполняют разные специалисты, так как подобная работа довольно сложная и имеет свою специфику.
Настройка частотных преобразователей OMRON в Тольятти или как еще называют программирование частотников неотъемлемая часть процесса ремонта преобразователя, ввиду того, что ремонт силовой части это только половина мероприятий направленных на восстановление работоспособности преобразователя.
В некоторых случаях возникает необходимость провести программирование частотного преобразователя без его ремонта. Причин по которым может возникнуть подобная необходимость масса.
Настройка частотного преобразователя OMRON может быть и отдельной услугой предоставляемой сервисным центром "РемПромЭл". Инженеры компании проведут необходимую настройку преобразователей OMRON в Тольятти как на территории сервисного центра так и с выездом на территорию заказчика (по предварительной договоренности).
От качественной настройки преобразователя частоты зависит правильная и безаварийная работа связки частотника и серводвигателя, а для этого требуется не много, просто программирование частотного преобразователя OMRON должен проводить компетентный персонал с богатым опытом по настройке частотников.
Подключение частотных преобразователей
Подключение частотных преобразователей OMRON к оборудованию заказчика это еще одна услуга предоставляемая нашей компанией. В случае необходимости специалист центра выполнит подключение преобразователя частоты OMRON с выездом на территорию заказчика.
В некоторых случаях на производстве может быть дефицит квалифицированны кадров которые могли бы произвести качественное подключение частотного преобразователя, по этому мы предлагаем услуги нашего сервисного центра.
Свяжитесь с нашими менеджерами и закажите выезд специалиста, и подключением частотного преобразователя OMRON займется инженер сервисного центра. В случае заказа на подключение частотных преобразователей OMRON силами наших специалистов вы получаете гарантию качества и работоспособности вашего оборудования.
Доверяя работу по подключению преобразователей частоты профессионалам, вы избавляетесь от головной боли и гарантированно получаете работающее оборудование в кратчайшие сроки и за разумную цену.
Ошибки частотных преобразователей
Каждый частотник, оснащен информационной панелью с помощью которой проходит процесс программирования частотных преобразователей, а так же на данную информационную панель в случае нештатной ситуации выводятся коды ошибок которые привели к остановке оборудования.
У каждого производителя разные коды ошибок у кого то это могут быть цифровые обозначения у кого то буквенные, но вся прелесть заключается в том, что открыв документацию и расшифровав код ошибки частотного преобразователя мы с большой долей вероятности можем исправить эту ошибку на месте, сбросить ее на частотнике и запустить оборудование заново.
К сожалению не все ошибки частотных преобразователей OMRON можно исправить и сбросить самостоятельно, в некоторых случаях придется обращаться к специалистам сервисного центра.
Самые распространенные ошибки частотных преобразователей OMRON:
- Превышение тока;
- Перенапряжение или недостаточное напряжение;
- Перегрузка;
- Ошибка сигнала энкодера;
- Превышение температуры IGBT-модуля ;
- Ошибка связи;
- Обрыв фазы питания;
- Короткое замыкание.
Это не полный список распространенных ошибок частотных преобразователей OMRON которые можно сбросить самостоятельно без обращения к специалистам.
Коды ошибок частотного преобразователя OMRON VARISPEED E7
| Код ошибки | Значенние | Причина |
|---|---|---|
| OC Over Current |
Перегрузка по току. Выходной ток инвертора превысил уровень обнаружения превышения тока. | Поступила команда внешней блокировки через один из входов Sx интерфейса MFDI, и вывод напряжения привода прекращен в соответствии с указаниями команды внешней блокировки. |
| GF Ground Fault |
Замыкание на землю. Ток цепи заземления на выходе инвертора превысил 50% выходного номинального тока инвертора и L8-09=1 (Защита от короткого замыкания на землю включена). | Один из выходов инвертора замкнулся на цепь заземления и/ или имеется неисправность DCCT. |
| PUF DC Bus Fuse Open |
Перегорел предохранитель шины постоянного тока. Перегорел предохранитель силовой цепи. Внимание: Ни в коем случае не запускайте инвертор после замены предохранителя шины постоянного тока, не проверив силовые цепи на отсутствие коротких замыканий. |
Короткое замыкание на выходе инвертора и/или повреждены IGBT-транзисторы. |
| OV DC Bus Overvolt |
Превышение напряжения шины постоянного тока. Напряжение шины постоянного тока превысило уровень обнаружения превышения напряжения. |
|
| UV1 DC Bus Undervolt |
Пониженное напряжение шины постоянного тока. Напряжение шины постоянного тока находится ниже уровня L2-05 (Уровень обнаружения пониженного напряжения). По умолчанию используются следующие значения:
Сбой в работе электромагнитного контактора силовой цепи. Электромагнитный контактор (MC) не срабатывает во время работы инвертора. (Максимальная используемая мощность инвертора |
|
| UV2 CTL PS Undervolt |
Пониженное напряжение питания схемы управления. Пониженное напряжение питания схемы управления во время работы инвертора. | Параллельно с инвертором включена внешняя нагрузка, потребляющая слишком большой ток, либо произошло внутреннее замыкание в цепях силовой/ преобразовательной платы. |
| UV3 MC Answerback |
Неисправность схемы защиты от пускового тока. Произошел перегрев зарядного резистора в цепи конденсаторов шины постоянного тока. Электромагнитный контактор (МС) зарядной схемы не срабатывает в течение 10 сек. после формирования сигнала включения электромагнитного контактора. (Максимальная используемая мощность инвертора: |
Неисправен контактор схемы защиты от пускового тока. |
|
PF |
Сбой напряжения силовой цепи. Обнаружены слишком большие пульсации напряжения шины постоянного тока. Ошибка сигнализируется только, когда параметр L8-05 равен 1, а в параметре L8-06 задан уровень обнаружения. |
|
| OH Heatsink Overtemp |
Перегрев радиатора. Температура охлаждающего ребра инвертора превысила значение параметра L8-02, а параметр L8-03 равен 0 .. 2. Охлаждающий вентилятор инвертора не работает. |
|
| OH1 Heatsnk MAX Temp |
Перегрев радиатора. Температура радиатора инвертора превысила 105 °C. Охлаждающий вентилятор инвертора не работает. |
|
| OH3 Motor Overheat 1 |
Перегрев двигателя. Ошибка сигнализируется, если сигнал на входе A2, запрограммированном на измерение температуры двигателя (вход терморезистора, H3-09=E), превышает уровень 1,17 В в течение времени, определяемого параметром L1-05, а L1-03 = 0…2. | С помощью терморезистора двигателя обнаружен перегрев двигателя. |
| OH4 Motor Overheat 4 |
Перегрев двигателя. Ошибка сигнализируется, если сигнал на входе A2, запрограммированном на измерение температуры двигателя (вход терморезистора, H3-09 = E), превышает уровень 1,17 В в течение времени, определяемого параметром L1-05. | С помощью терморезистора двигателя обнаружен перегрев двигателя. |
| OL1 Motor Overload |
Перегрузка двигателя. Ошибка сигнализируется, если L1-01 = 1…3 и выходной ток инвертора превысил уровень кривой перегрузки двигателя. |
|
| OL2 Inv Overload |
Перегрузка инвертора. Значение I2t (рассчитанное по номинальному току инвертора) превысило уровень обнаружения. |
|
| OL3 Overtorque Det 1 |
Обнаружение перегрузки. Выходной ток инвертора превышал уровень L6-02 дольше, чем время, заданное в L6-03, а L6-01 = 3 или 4. | Двигатель был перегружен. |
| OL7 HSB OL |
OL при торможении с повышенным скольжением. Выходная частота оставалась неизменной дольше, чем время, установленное в n3-04, во время торможения с повышенным скольжением. | Инерция нагрузки слишком велика. |
| LL3 Loss of Load Det |
Обнаружение потери нагрузки. Выходной ток инвертора был ниже уровня L6-02 дольше, чем время, заданное в L6-03, а L6-01 = 7 или 8. | Двигатель недогружен. |
| FBL Feedback Loss |
Потеря обратной связи ПИ- контура. Данная ошибка сигнализируется, если выбрано обнаружение потери обратной связи ПИ-контура (b5-12 = 2) и сигнал обратной связи находится ниже установленного уровня обнаружения (b5-13) дольше времени b5-14 (время обнаружения потери сигнала обратной связи ПИ-контура). | Источник сигнала обратной связи ПИ-контура (например, датчик, измерительный преобразователь, сигнал встроенной автоматики) установлен неправильно или не работает. |
Все возможные ошибки и предупреждения вы найдете в руководстве пользователя в файлах ниже.
Документация
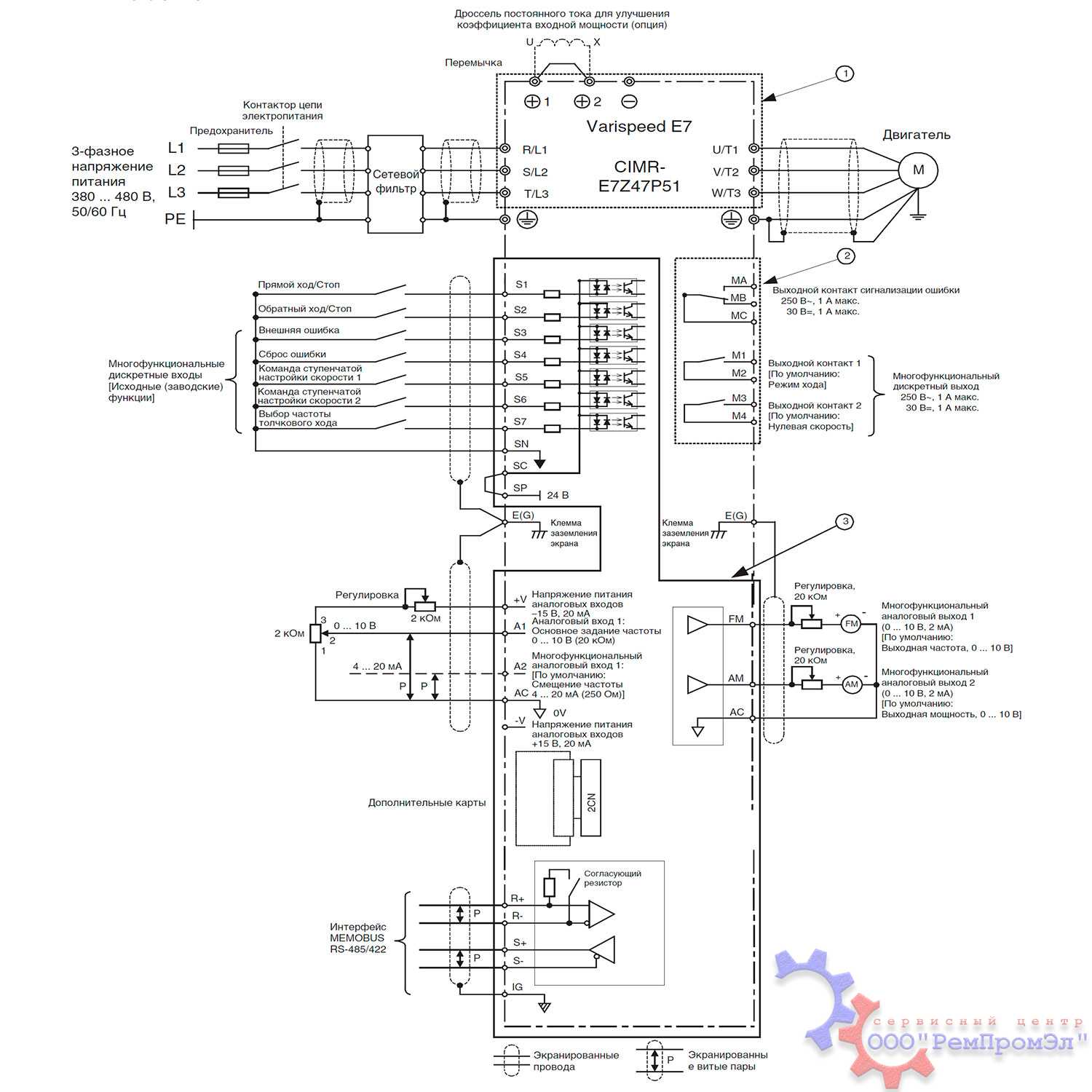
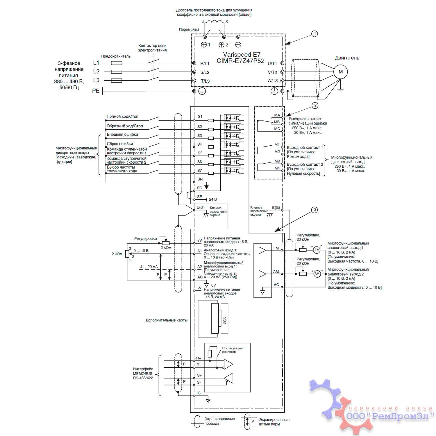
Типовые схемы подключения ПЧ OMRON
| Схема подключения инвертора в исполнении IP20 (модель CIMR-E7Z47P51) | Схема подключения инвертора в исполнении IP54 (модель CIMR-E7Z47P52) |
![]() |
![]() |
| Стандартная схема подключения OMRON V7 | |
![]() |
|
Типы частотных преобразователей OMRON
| Частотник | Тип частотного преобразователя |
|---|---|
|
OMRON VARISPEED E7 |
CIMR-E7Z40P4; CIMR-E7Z40P7; CIMR-E7Z41P5; CIMR-E7Z42P2; CIMR-E7Z43P7; CIMR-E7Z44P0; CIMR-E7Z45P5; CIMR-E7Z47P5; CIMR-E7Z4011; CIMR-E7Z4015; CIMR-E7Z4018; CIMR-E7Z4022; CIMR-E7Z4030; CIMR-E7Z4037; CIMR-E7Z4045; CIMR-E7Z4055; CIMR-E7Z4075; CIMR-E7Z4090; CIMR-E7Z4110; CIMR-E7Z4132; CIMR-E7Z4160; CIMR-E7Z4185; CIMR-E7Z4220; CIMR-E7Z4300; CIMR-E7Z20P4; CIMR-E7Z20P7; CIMR-E7Z21P5; CIMR-E7Z22P2; CIMR-E7Z23P7; CIMR-E7Z25P5; CIMR-E7Z27P5; CIMR-E7Z2011; CIMR-E7Z2015; CIMR-E7Z2018; CIMR-E7Z2022; CIMR-E7Z2030; CIMR-E7Z2037; CIMR-E7Z2045; CIMR-E7Z2055; CIMR-E7Z2075; CIMR-E7Z2090; CIMR-E7Z2110 |
|
OMRON VARISPEED G7 |
CIMR-G7C20P41; CIMR-G7C20P71; CIMR-G7C21P51; CIMR-G7C22P21; CIMR-G7C23P71; CIMR-G7C25P51; CIMR-G7C27P51; CIMR-G7C20111; CIMR-G7C20151; CIMR-G7C20181; CIMR-G7C20220; CIMR-G7C20300; CIMR-G7C20370; CIMR-G7C20450; CIMR-G7C20550; CIMR-G7C20750; CIMR-G7C20900; CIMR-G7C21100; CIMR-G7C40P41; CIMR-G7C40P71; CIMR-G7C41P51; CIMR-G7C42P21; CIMR-G7C43P71; CIMR-G7C45P51; CIMR-G7C47P51; CIMR-G7C40111; CIMR-G7C40151; CIMR-G7C40181; CIMR-G7C40220; CIMR-G7C40300; CIMR-G7C40370; CIMR-G7C40450; CIMR-G7C40550; CIMR-G7C40750; CIMR-G7C40900; CIMR-G7C41100; CIMR-G7C41320; CIMR-G7C41600; CIMR-G7C41850; CIMR-G7C42200; CIMR-G7C43000 |
| OMRON VARISPEED J7 | CIMR-J7AA20P2; CIMR-J7AZ20P1; CIMR-J7AM23P7; CIMR-J7AM41P5; CIMR-J7AM43P7; CIMR-J7AM40P4; CIMR-J7AM22P2; CIMR-J7AM21P5; CIMR-J7AA20P4; CIMR-J7AA21P5; CIMR-J7AM40P2; CIMR-J7AM20P7; CIMR-J7AZ20P2; CIMR-J7AZ20P4; CIMR-J7AZ20P7; CIMR-J7AZB0P1; CIMR-J7AZB0P2; CIMR-J7AZB0P4; CIMR-J7AZ21P5; CIMR-J7AZ22P2; CIMR-J7AZB0P7; CIMR-J7AZB1P5; CIMR-J7AZ40P2; CIMR-J7AZ42P2; CIMR-J7AZ24P0; CIMR-J7AZ44P0; CIMR-J7AA40P7; CIMR-J7ACB0P4; CIMR-J7AA20P7; CIMR-J7AA22P2; CIMR-J7ACB1P5; CIMR-J7AA43P7; CIMR-J7AA22P2; CIMR-J7AA23P7; CIMR-J7AA20P1; CIMR-J7AA40P4; CIMR-J7TA21P5; CIMR-J7AAB1P5; CIMR-J7AAB0P7; CIMR-J7AA42P2; CIMR-J7ACB0P7 |
| OMRON VARISPEED L7 | CIMR-L7Z43P77; CIMR-L7Z44P07; CIMR-L7Z45P57; CIMR-L7Z47P57; CIMR-L7Z40117; CIMR-L7Z40157; CIMR-L7Z40187; CIMR-L7Z40227; CIMR-L7Z40307; CIMR-L7Z40377; CIMR-L7Z40457; CIMR-L7Z40557; CIMR-L7Z23P77; CIMR-L7Z25P57; CIMR-L7Z27P57; CIMR-L7Z20117; CIMR-L7Z20157; CIMR-L7Z20187; CIMR-L7Z20227; CIMR-L7Z20307; CIMR-L7Z20377; CIMR-L7Z20457; CIMR-L7Z20557 |
| OMRON VARISPEED V7 | CIMR-V7AM23P7; CIMR-V7AM20P41; CIMR-V7AM20P4; CIMR-V7AM41P5; CIMR-V7CU45P5; CIMR-V7CU43P7; CIMR-V7AZ47P5; CIMR-V7AZ42P2; CIMR-V7AU40P4; CIMR-V7AU23P7; CIMR-V7AM45P5; CIMR-V7AM42P2; CIMR-V7AZB0P7; CIMR-V7AZ20P7; CIMR-V7AZ20P2; CIMR-V7AZ20P3; CIMR-V7AZ20P4; CIMR-V7AZ20P5; CIMR-V7AZ20P6; CIMR-V7AZB0P1; CIMR-V7AZB0P2; CIMR-V7AZB0P3; CIMR-V7AZB0P4; CIMR-V7AZ21P5; CIMR-V7AZ22P2; CIMR-V7AZB0P7; CIMR-V7AZB1P5; CIMR-V7AZ40P2; CIMR-V7AZ41P2; CIMR-V7AA25P5; CIMR-V7AT43P7; CIMR-V7AT42P2; CIMR-V7CC41P5; CIMR-V7AT47P5; CIMR-V7AT20P7 ; CIMR-V7AT23P7; CIMR-V7AA23P7; CIMR-V7AT41P5; CIMR-V7AT45P5; CIMR-V7AT45P5; CIMR-V7AT22P2; CIMR-V7CCB2P27; CIMR-V7AT20P2; CIMR-V7AA20P7; CIMR-V7AT40P7; CIMR-V7AAB2P2; CIMR-V7AT21P5; CIMR-V7CCB0P4 |
В таблице указаны далеко не все типы частотных преобразоватетей OMRON ремонт которых предлагает наш сервисный центр. Мы предлагаем качественный ремонт частотных преобразователей OMRON в Тольятти абсолютно любого года выпуска.
Оставить заявку на ремонт частотного преобразователя OMRON
От того как и из каких комплектующих будет проводиться ремонт преобразователя зависит на сколько долго он сможет проработать в дальнейшем. Сделав правильный выбор, обратившись в сервисный центр "РемПромЭл" вы получите отремонтированный частотник в самые кратчайшие сроки, при этом мы стараемся использовать только оригинальные запасные части, на сколько это возможно, что дает возможность без каких либо рисков давать длинный гарантийный срок.
У вас есть проблемы с частотником? Вам нужен срочный ремонт частотного преобразователя OMRON или его настройка? Оставьте заявку на ремонт частотника OMRON в Тольятти воспользовавшись одноименной кнопкой на сайте либо обратитесь к нашим менеджерам. Связаться с ними можно несколькими способами:

- Заказав обратный звонок (кнопка в правом верхнем углу сайта)
- Посредством чата (кнопка расположена с левой стороны сайта)
- Позвонив по номеру телефона: +7(927)610-78-70; +7(848)255-80-30
- Написав на электронную почту: Адрес электронной почты защищен от спам-ботов. Для просмотра адреса в вашем браузере должен быть включен Javascript.















