Топ-100 Настройка и ремонт частотных преобразователей SEW EURODRIVE в Актау

Услуги сервиса

Настройка и ремонт частотных преобразователей SEW EURODRIVE в Актау

Ремонт частотных преобразователей SEW EURODRIVE в Актау

Ремонт частотных преобразователей SEW EURODRIVEРемонт частотных преобразователей SEW EURODRIVE в Актау, одна из многих услуг предлагаемых сервисным центром "РемПромЭл". Преобразователи частоты относятся к сложной промышленной электронике и состоят из двух взаимосвязанных составляющих- это электронная и силовая часть. Подобное конструктивное исполнение значительно усложняет ремонт частотных преобразователей.

Преобразователь частоты достаточно распространенное промышленное оборудование, и как все подвержены износу. В зависимости от интенсивности использования, нагрузки, среды в которой работает оборудования частотные преобразователи выходят из строя останавливая рабочий процесс.

В целях сомнительной "экономии" некоторые пытаются провести ремонт частотного преобразователя SEW EURODRIVE самостоятельно на территории производства. Зачастую данные действия приводят к значительному удорожанию ремонта а при самом неблагоприятном исходе могут привести к не ремонтопригодности частотника.

В виду вышесказанного настоятельно рекомендуем, не пытайтесь проводить ремонт частотных преобразователей своими силами, обратитесь за помощью к специалистам. Современный специализированный сервисный центр имеет в наличии весь необходимый инструмент, включая специальное диагностическое оборудование, а компетентный персонал проведет качественный ремонт частотных преобразователей SEW EURODRIVE в Актау, к тому же сервисные центры дают гарантию на проведенные ремонтные работы.

Ремонт частотных преобразователей SEW EURODRIVE в СЦ "РемПромЭл"

Ремонт частотных преобразователей SEW EURODRIVEРемонт частотных преобразователей SEW EURODRIVE в сервисном центре самое разумное и экономически выгодное решение. Грамотные специалисты со знанием дела проведут глубокую диагностику неисправного блока и последующий ремонт частотного преобразователя SEW EURODRIVE в кратчайшие сроки. К написанному можно добавить то, что каждый без исключения ремонт частотного преобразователя SEW EURODRIVE в СЦ "РемПромЭл" проводится с применением оригинальных запасных частей.

В 2013-ом году специалистами компании был проведен первый ремонт частотного преобразователя положивший начало дальнейшему развитию в данном направлении. За прошедшее время были отремонтированы сотни единиц промышленного оборудования и накоплен колоссальный, бесценный опыт в ремонте частотных преобразователей различных производителей.

Сервисный центр "РемПромЭл" оснащен самым современным диагностическим и ремонтным оборудованием, имеются в наличии расходные материалы, а так же на складе компании богатый выбор оригинальных запасных частей, что дает возможность провести качественный ремонт частотных преобразователей SEW EURODRIVE.

Обратившись в СЦ за ремонтом частотных преобразователей SEW EURODRIVE в Актау вы получите:

  • Глубокую диагностику с выявлением неисправного компонента;
  • Чистку неисправного блока;
  • Ремонт преобразователя в кратчайшие сроки;
  • Настройку частотника;
  • Проверку отремонтированного блока на специальном стенде в условиях максимально приближенных к реальным;
  • Видео проверки отремонтированного сервопривода.

Отдельное внимание мы уделяем качеству проведения ремонта и даем гарантию на ремонт частотных преобразователей SEW EURODRIVE и на замененные в процессе ремонта запасные части и расходные материалы 6 месяцев.

Настройка частотных преобразователей SEW EURODRIVE в Актау

Ремонт частотных преобразователей SEW EURODRIVEНастройка частотных преобразователей SEW EURODRIVE - это заключительный этап ремонта и в тоже время очень важный. Для правильной работы восстановленного блока просто необходимо провести грамотное программирование частотного преобразователя. Ремонт и дальнейшую настройку преобразователей частоты SEW EURODRIVE выполняют разные специалисты, так как подобная работа довольно сложная и имеет свою специфику.

Настройка частотных преобразователей SEW EURODRIVE в Актау или как еще называют программирование частотников неотъемлемая часть процесса ремонта преобразователя, ввиду того, что ремонт силовой части это только половина мероприятий направленных на восстановление работоспособности преобразователя.

В некоторых случаях возникает необходимость провести программирование частотного преобразователя без его ремонта. Причин по которым может возникнуть подобная необходимость масса.

Настройка частотного преобразователя SEW EURODRIVE может быть и отдельной услугой предоставляемой сервисным центром "РемПромЭл". Инженеры компании проведут необходимую настройку преобразователей SEW EURODRIVE в Актау как на территории сервисного центра так и с выездом на территорию заказчика (по предварительной договоренности).

От качественной настройки преобразователя частоты зависит правильная и безаварийная работа связки частотника и серводвигателя, а для этого требуется не много, просто программирование частотного преобразователя SEW EURODRIVE должен проводить компетентный персонал с богатым опытом по настройке частотников.

Подключение частотных преобразователей

Ремонт частотных преобразователей SEW EURODRIVEПодключение частотных преобразователей SEW EURODRIVE к оборудованию заказчика это еще одна услуга предоставляемая нашей компанией. В случае необходимости специалист центра выполнит подключение преобразователя частоты SEW EURODRIVE с выездом на территорию заказчика.

В некоторых случаях на производстве может быть дефицит квалифицированны кадров которые могли бы произвести качественное подключение частотного преобразователя, по этому мы предлагаем услуги нашего сервисного центра.

Свяжитесь с нашими менеджерами и закажите выезд специалиста, и подключением частотного преобразователя SEW EURODRIVE займется инженер сервисного центра. В случае заказа на подключение частотных преобразователей SEW EURODRIVE силами наших специалистов вы получаете гарантию качества и работоспособности вашего оборудования.

Доверяя работу по подключению преобразователей частоты профессионалам, вы избавляетесь от головной боли и гарантированно получаете работающее оборудование в кратчайшие сроки и за разумную цену.

Ошибки частотных преобразователей

Ремонт частотных преобразователей SEW EURODRIVEКаждый частотник, оснащен информационной панелью с помощью которой проходит процесс программирования частотных преобразователей, а так же на данную информационную панель в случае нештатной ситуации выводятся коды ошибок которые привели к остановке оборудования.

У каждого производителя разные коды ошибок у кого то это могут быть цифровые обозначения у кого то буквенные, но вся прелесть заключается в том, что открыв документацию и расшифровав код ошибки частотного преобразователя мы с большой долей вероятности можем исправить эту ошибку на месте, сбросить ее на частотнике и запустить оборудование заново.

К сожалению не все ошибки частотных преобразователей SEW EURODRIVE можно исправить и сбросить самостоятельно, в некоторых случаях придется обращаться к специалистам сервисного центра.

Самые распространенные ошибки частотных преобразователей SEW EURODRIVE:

  • Превышение тока;
  • Перенапряжение или недостаточное напряжение;
  • Перегрузка;
  • Ошибка сигнала энкодера;
  • Превышение температуры IGBT-модуля ;
  • Ошибка связи;
  • Обрыв фазы питания;
  • Короткое замыкание.

Это не полный список распространенных ошибок частотных преобразователей SEW EURODRIVE которые можно сбросить самостоятельно без обращения к специалистам.

Таблица основных ошибок и неисправностей VLT® AutomationDrive FC 300

Идентификация Реакция Возможная причина Необходимые действия
00 Нет ошибок - - -
01 Избыточный ток Немедленное выключение с блокировкой
  • КЗ на выходе
  • Коммутация выхода при работающем выходном каскаде
  • Слишком мощный двигатель
  • Неисправен выходной каскад
  • Устраните КЗ
  • Подключение – только при заблокированном выходном каскаде
  • Подключите менее мощный двигатель
  • При повторном появлении неисправности обратитесь в технический офис SEW
03 Замыкание на землю Немедленное выключение с блокировкой
  • Замыкание на землю в двигателе
  • Замыкание на землю в преобразователе
  • Замыкание на землю в кабеле двигателя
  • Избыточный ток (см. F-01)
  •  Замените двигатель
  • Замените MOVITRAC® B
  • Устраните замыкание
  • См. F-01
04 Тормозной прерыватель Немедленное выключение с блокировкой
  • Слишком большая мощность в генераторном режиме
  • Обрыв цепи тормозного резистора
  • КЗ в цепи тормозного резистора
  • Слишком большое сопротивление тормозного резистора
  • Неисправен тормозной прерыватель
  • Замыкание на землю
  • Увеличьте темп замедления
  • Проверьте подводящий кабель тормозного резистора
  • Устраните КЗ
  • Проверьте технические данные тормозного резистора
  • Замените MOVITRAC® B
  • Устраните замыкание
06 Обрыв фазы в электросети. Немедленное выключение с блокировкой (только для 3-фазного преобразователя)
  •  Обрыв фазы
  • Слишком низкое напряжение сети
  •  Проверьте сетевой кабель
  • Проверьте напряжение сети
07 Повышенное напряжение в промежуточном звене Немедленное выключение с блокировкой
  • Слишком высокое напряжение промежуточного звена.
  • Увеличьте темп замедления
  • Проверьте подводящий кабель тормозного резистора
  • Проверьте технические данные тормозного резистора
  • Замыкание на землю
  • Устраните замыкание
08 Контроль частоты вращения Немедленное выключение с блокировкой

Регулятор тока работает на предельных значениях из-за:

  • механической перегрузки;
  • Уменьшите нагрузку.
  • Проверьте ограничение тока.
  • Увеличьте темп замедления
  • Увеличьте установленную задержку P501.1)
  • обрыва фазы в сети;
  • обрыва фазы в двигателе.
  • Превышена максимальная частота вращения для режима VFC.
  • Проверьте фазы сети.
  • Проверьте кабель питания двигателя и двигатель.
  • Уменьшите максимальную частоту вращения.
09 Ввод в эксплуатацию Немедленное выключение с блокировкой
  • Ввод в эксплуатацию преобразователя не выполнен
  • Выбран неизвестный двигатель
  • Выполните ввод преобразователя в эксплуатацию
  • Выбрать другой двигатель
10 Запрещенная команда IPOS Остановка с блокировкой Только с IPOS
  • Неправильная команда при выполнении программы.
  • Неправильные условия при выполнении программы.
  • В преобразователе нет данной функции.
  • Проверьте программу
  • Проверьте выполнение программы.
  • Используйте другую функцию.
11 Перегрев Остановка с блокировкой
  • Тепловая перегрузка преобразователя.
  • Уменьшите нагрузку и/или обеспечьте достаточное охлаждение.
  • Если тормозной резистор встроен в радиатор: установите его вне преобразователя.
17...24 Сбой системы Немедленное выключение с блокировкой
  • Неисправность системы управления преобразователя, возможно, из-за электромагнитных помех.
  • Проверьте заземление и экранирование, при необходимости восстановите.
  • При повторном появлении неисправности обратитесь в технический офис SEW.
25 EEPROM Остановка с блокировкой
  • Ошибка при доступе к памяти EEPROM.
  • Восстановите заводскую настройку, выполните сброс и отредактируйте параметры.
  • При повторном появлении неисправности обратитесь в технический офис SEW.
26 Внешняя неисправность Программируемая
  • Получен сигнал о внешней неисправности через вход, запрограммированный на функцию "/External Fault".
  • Устраните причину ошибки, при необходимости перепрограммируйте клемму.
31 Защита TF/TH Остановка с блокировкой
  • Перегрев двигателя, сработал термодатчик TF.
  • Дайте двигателю остыть и выполните сброс ошибки.
  • TF двигателя не подключен или подключен неправильно.
  • Обрыв связи MOVITRAC® В с TF на двигателе.
  • Проверьте разъемы/соединение между MOVITRAC® В и TF.
32 Переполнение индекса IPOS Остановка с блокировкой
  • Нарушены принципы программирования, из-за этого – внутрисистемное переполнение стека.
  • Проверьте и скорректируйте прикладную программу.
34 Тайм-аут по темпу Немедленное выключение с блокировкой
  • Превышение установленного значения темпа.
  • Если после отмены разрешения на остановку привода уходит больше времени, чем задано для темпа остановки t13, то преобразователь подает сигнал F34.
  • Увеличьте значение темпа разгона/торможения.
  • Увеличьте значение темпа остановки.
36 Отсутствие дополнительного устройства Немедленное выключение с блокировкой
  • Несоответствие типа дополнительного устройства
  • Установите соответствующее дополнительное устройство
  • Несоответствие источника уставки, источника управляющего сигнала или режима работы для данного дополнительного устройства
  • Установите соответствующий источник уставки
  • Установите соответствующий источник управляющего сигнала
  • Установите соответствующий режим работы
  • Проверьте параметры P120 и P121
37 Контрольный таймер системы Немедленное выключение с блокировкой
  • Ошибка в работе системного ПО.
  • Проверьте заземление и экранирование, при необходимости восстановите.
  • При повторном появлении неисправности обратитесь в технический офис SEW.
38 Системное ПО Немедленное выключение с блокировкой
  • Сбой системы
  • Проверьте заземление и экранирование, при необходимости восстановите.
  • При повторном появлении неисправности обратитесь в технический офис SEW.
43 Тайм-аут RS-485 Остановка без блокировки2)
  • Нарушен обмен данными между преобразователем и ПК.
  • Проверьте соединение преобразователя с ПК.
44 Степень использования преобразователя Немедленное выключение с блокировкой
  • Слишком высокая степень использования преобразователя (значение Ixt).
  • Уменьшите отдачу мощности.
  • Увеличьте время разгона и замедления.
  • Если вышеуказанное невозможно: используйте преобразователь большей мощности.
45 Инициализация Немедленное выключение с блокировкой
  • Ошибка при инициализации.
  • Обратитесь в сервисный центр или технический офис SEW.
47 Тайм-аут системной шины 1 Остановка без блокировки
  • Ошибка связи по системной шине.
  • Проверьте соединение системной шины.
77 Управляющее слово IPOS Остановка с блокировкой
  • Сбой системы
  • Обратитесь в сервисный центр или технический офис SEW.
80 Проверка RAM Немедленное выключение
  • Внутренняя неисправность аппаратного обеспечения, неисправна память RAM
  • Обратитесь в сервисный центр или технический офис SEW.
81 Условия пуска Немедленное выключение с блокировкой

Только в режиме работы "VFC & HOIST": Во время предварительного намагничивания ток двигателя не достигает требуемой величины:

  • Слишком малая номинальная мощность двигателя относительно номинальной мощности преобразователя
  • Проверьте соединение преобразователя с двигателем.
  • Проверьте данные ввода в эксплуатацию и при необходимости повторите ввод в эксплуатацию
  • Слишком малое сечение жил в кабеле питания двигателя.
  • Проверьте сечение подводящего кабеля двигателя и при необходимости замените его более мощным
82 Выход разомкнут Немедленное выключение с блокировкой

Только в режиме работы "VFC & HOIST":

  • Обрыв двух или всех фаз выхода
  • Слишком малая номинальная мощность двигателя относительно номинальной мощности преобразователя
  • Проверьте соединение преобразователя с двигателем.
  • Проверьте данные ввода в эксплуатацию и при необходимости повторите ввод в эксплуатацию
84 Защита двигателя Остановка с блокировкой
  • Слишком высокая степень использования двигателя.
  • Проверьте P345/346 IN-UL- контроль
  • Уменьшите нагрузку.
  • Увеличьте время разгона и замедления.
  • Увеличьте паузы
94 Контрольная сумма EEPROM Немедленное выключение с блокировкой
  • Неисправен модуль EEPROM.
  • Обратитесь в сервисный центр или технический офис SEW.
97 Ошибка копирования Немедленное выключение с блокировкой
  • Отсоединение модуля памяти параметров во время копирования.
  • Выключение/включение во время копирования.

Перед квитированием сигнала о неисправности:

  • восстановите заводскую установку или загрузите полный набор данных из модуля памяти параметров.
98 CRC Неисправность Flash-памяти Немедленное выключение
  • Внутренняя неисправность аппаратного обеспечения. Неисправна Flash-память.
  • Обратитесь в сервисный центр.
100 Вибрация / Предупреждение Индикация неисправности
  • Предупреждение датчика вибраций (→ Инструкция по эксплуатации "DUV10A")
  • Установите причину вибрации. Работу можно продолжить до появления F101.
101 Вибрация / Неисправность

Быстрый стоп

  • Датчик вибрации подает сигнал неисправности
  • SEW-EURODRIVE рекомендует сразу же устранить причину вибрации
102 Старение масла / Предупреждение Индикация неисправности
  • Предупреждение датчика старения масла
  • Запланируйте замену масла.
103 Старение масла / Неисправность Индикация неисправности
  • Датчик старения масла подает сигнал неисправности
  • SEW-EURODRIVE рекомендует сразу же заменить редукторное масло.
104 Старение масла/ Перегрев Индикация неисправности
  • Датчик старения масла подает сигнал перегрева
  • Дайте маслу остыть
  • Проверьте качество охлаждения редуктора
105 Старение масла / сигнал готовности Индикация неисправности
  • Датчик старения масла не готов к работе
  • Проверьте питающее напряжение датчика старения масла
  • Проверьте датчик старения масла, при необходимости замените
106 Износ тормоза Индикация неисправности
  • Износ тормозной накладки
  • Замените тормозную накладку (→ Инструкция по эксплуатации "Двигатели")
110 Ошибка "Защита Ex e" Остановка с блокировкой
  • Превышение продолжительности работы с частотой ниже 5 Гц
  • Проверьте проектирование
  • Сократите продолжительности работы с частотой ниже 5 Гц
113 Обрыв провода аналогового входа Программируемая
  • Обрыв провода аналогового входа AI1
  • Проверьте подключение проводов

1) Настройка контроля частоты вращения производится изменением параметров 500 / 502 и 501 / 503. При снятии или при установке слишком большой задержки не обеспечивается надежная блокировка проворачивания подъемных устройств. 2) Сброс необязателен, сигнал о неисправности исчезает после восстановления связи.

1) Настройка контроля частоты вращения производится изменением параметров 500 / 502 и 501 / 503. При снятии или при установке слишком большой задержки не обеспечивается надежная блокировка проворачивания подъемных устройств.
2) Сброс необязателен, сигнал о неисправности исчезает после восстановления связи.

Документация

Руководство по эксплуатации частотного преобразователя SEW EURODRIVE MOVITRAC - Скачать в формате PDF pdf
Руководство по эксплуатации частотного преобразователя SEW EURODRIVE MOVIDRIVE - Скачать в формате PDF pdf

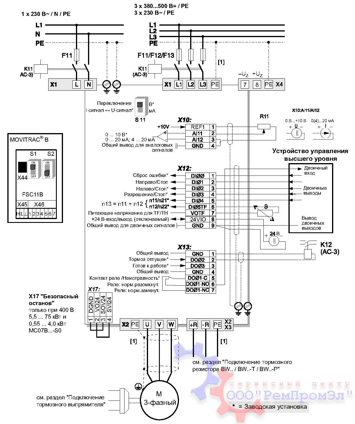
Типовая схема подключения ПЧ SEW EURODRIVE

Схематический черчеж базовой схемы подключения частотного преобразователя SEW EURODRIVE MOVITRAC
SEW EURODRIVE MOVITRAC

Частотные преобразователи SEW EURODRIVE: надежность и эффективность в каждом движении

Ремонт частотного преобразователя SEW EURODRIVE

астотные преобразователи SEW EURODRIVE представляют собой высокотехнологичное оборудование, которое позволяет управлять скоростью вращения электродвигателей. Эти устройства стали незаменимыми в современной промышленности благодаря своей способности оптимизировать энергопотребление и повышать эффективность производственных процессов.

Преимущества частотных преобразователей SEW EURODRIVE

Качество и надежность — главные характеристики продукции SEW EURODRIVE. Компания, имеющая более чем 100-летний опыт в производстве приводной техники, гарантирует высочайший стандарт качества каждого изделия. Частотные преобразователи этой марки отличаются:

  • Высокой точностью управления
  • Увеличенным сроком службы
  • Минимальными потерями энергии
  • Простотой интеграции в существующие системы

Области применения

Промышленное применение частотных преобразователей SEW EURODRIVE охватывает множество отраслей:

  • Металлургическая промышленность
  • Химическое производство
  • Пищевая промышленность
  • Горнодобывающая отрасль
  • Системы водоснабжения и водоотведения

Экономическая эффективность

Инвестиции в оборудование SEW EURODRIVE окупаются за счет:

  • Снижения энергопотребления
  • Увеличения срока службы электродвигателей
  • Повышения производительности
  • Уменьшения затрат на ремонт

Частотные преобразователи SEW EURODRIVE — это надежное решение для автоматизации производственных процессов. Сервисный центр «РемПромЭл» в Актау обеспечивает профессиональное обслуживание и ремонт данного оборудования, гарантируя бесперебойную работу вашего производства.

 

Сервисное обслуживание

Сервисный центр “РемПромЭл” предлагает комплексное обслуживание частотных преобразователей SEW EURODRIVE. Наши специалисты проводят профессиональную диагностику оборудования, выполняют ремонт любой сложности, осуществляют калибровку и настройку параметров работы. Мы также предоставляем услуги профилактического обслуживания и обеспечиваем поставку оригинальных запчастей для своевременного устранения неисправностей.

Выбор частотных преобразователей SEW EURODRIVE – это инвестиция в надежное и эффективное оборудование, которое обеспечит стабильную работу вашего производства. Профессиональное обслуживание специалистами “РемПромЭл” гарантирует длительную и безотказную работу преобразователей, позволяя вам сосредоточиться на основной деятельности.

Свяжитесь с нашими специалистами для получения консультации или записи на обслуживание – мы поможем подобрать оптимальное решение для ваших задач и обеспечим его надежную эксплуатацию.

Типы частотных преобразователей SEW EURODRIVE

Частотник Тип частотного преобразователя
SEW EURODRIVE MDX61B0110-5A3-4-00; MC07B0008-5A3-4-00/FSC11B; MC-LTE-B0004-101-1-00; MC-LTE-B0008-101-1-00; MC-LTE-B0011-101-4-00; MC-LTE-B0004-2B1-1-00; MC-LTE-B0008-2B1-1-00; MC-LTE-B0015-2B1-1-00; MC-LTE-B0015-2B1-4-00; MC-LTE-B0022-2B1-4-00; MC-LTE-B0040-2B1-4-00; MC-LTP-B0030-2A3-4-00; MC-LTP-B0040-2A3-4-00; MC-LTP-B0055-2A3-4-00; MC-LTP-B0008-5A3-1-00; MC-LTP-B0015-5A3-4-00; MC-LTP-B0022-5A3-4-00; MC-LTP-B0040-5A3-4-00; MC-LTP-B0055-5A3-4-00; MC-LTP-B0075-5A3-4-00; MC-LTP-B0110-5A3-4-00; MC-LTP-B0008-603-4-00; MC-LTP-B0015-603-4-00; MC-07B-0055-5A3-4-00; MC-07B-0075-5A3-4-00; MC-07B-0110-5A3-4-00; MC-07B-0150-503-4-00; MC-07B-0220-503-4-00; MC-07B-0300-503-4-00; MC-07B-0450-503-4-00; MC-07B-0550-503-4-00; MC-07B-0750-503-4-00; MD-X60-61B-0005-5A3-4-0; MD-X60-61B-0008-5A3-4-0; MD-X60-61B-0011-5A3-4-0; MUW-A055-231-S00-00/PF; MUW-A025-233-S00-00; MUW-A037-233-S00-00; MUW-A025-503-S00-00; MUW-A037-503-S00-00; MUW-A055-503-S00-00 0; MUW-A075-503-S00-00/PF; MUW-A110-503-S00-00/PF; MC-LTP-B0008-2B1-4-10; MC-LTP-B0015-2B1-4-10; MC-LTP-B0022-2B1-4-10; MC-LTP-B0008-2A3-4-10; MC-LTP-B0075-603-4-10; MC-LTP-B0110-603-4-10; MC-LTP-B0150-603-4-10; MC-LTP-B0185-603-4-10; MC-LTP-B0220-603-4-10; MC-LTP-B0300-603-4-10; MC-LTP-B0370-603-4-10; MC-LTP-B0450-603-4-10; MC-LTP-B0550-603-4-10; MC-LTP-B0750-603-4-10; MC-LTP-B0900-603-4-10; MC-LTP-B1100-603-4-10; MDX61B1100-503-4-0; MDX61B1320-503-4-0; MDX61B1600-503-4-0; MDX61B2000-503-4-0; MDX61B2500-503-4-0; MDX61B0015-2A3-4-0; MDX61B0022-2A3-4-0; MDX61B0037-2A3-4-0; MDX61B0055-2A3-4-0; MDX61B0075-2A3-4-0; MDX61B0110-203-4-0; MDX61B0150-203-4-0

В таблице указаны далеко не все типы частотных преобразоватетей SEW EURODRIVE ремонт которых предлагает наш сервисный центр. Мы предлагаем качественный ремонт частотных преобразователей SEW EURODRIVE в Актау абсолютно любого года выпуска.

Оставить заявку на ремонт частотного преобразователя SEW EURODRIVE

Ремонт частотника SEW EURODRIVEОт того как и из каких комплектующих будет проводиться ремонт преобразователя зависит на сколько долго он сможет проработать в дальнейшем. Сделав правильный выбор, обратившись в сервисный центр "РемПромЭл" вы получите отремонтированный частотник в самые кратчайшие сроки, при этом мы стараемся использовать только оригинальные запасные части, на сколько это возможно, что дает возможность без каких либо рисков давать длинный гарантийный срок.

У вас есть проблемы с частотником? Вам нужен срочный ремонт частотного преобразователя SEW EURODRIVE или его настройка? Оставьте заявку на ремонт частотника SEW EURODRIVE в Актау воспользовавшись одноименной кнопкой на сайте либо обратитесь к нашим менеджерам. Связаться с ними можно несколькими способами:

contact

  • Заказав обратный звонок (кнопка в правом верхнем углу сайта)
  • Посредством чата (кнопка расположена с левой стороны сайта)
  • Позвонив по номеру телефона: +7(927)610-78-70; +7(848)255-80-30
  • Написав на электронную почту: Адрес электронной почты защищен от спам-ботов. Для просмотра адреса в вашем браузере должен быть включен Javascript.

Информация

Режим работы: ПН-ПТ с 9-00 до 18-00 СБ-ВС выходной день

Прием онлайн-заказов: ПН-ПТ 24 часа / сутки

Способы оплаты:

Visa Mastercard YandexMoney

Контакты

Адрес: 445030, г. Тольятти, ул. 40 лет Победы 5 офис 1005

Телефоны  для связи с менеджерами

  • +7 (927) 610-78-70
  • +7 (848) 255-80-30

Электронная почта

support@remontservodrive.ru

Популярные услуги

Prev Next Page:

Ремонт устройств плавного пуска SILIUM в Актау

Ремонт устройств плавного пуска SILIUM в Актау

Ремонт устройств плавного пуска SILIUM в Актау Ремонт...

Настройка и ремонт частотных преобразователей SILIUM в Актау

Настройка и ремонт частотных преобразователей SILIUM в Актау

Настройка и ремонт частотных преобразователей SILIUM в...

Настройка и ремонт частотных преобразователей Hyundai в Актау

Настройка и ремонт частотных преобразователей Hyundai в Актау

Настройка и ремонт частотных преобразователей Hyundai в...

Программирование и ремонт панели оператора SEW EURODRIVE в Актау

Программирование и ремонт панели оператора SEW EURODRIVE в Актау

Программирование и ремонт панели оператора SEW EURODRIVE...

Ремонт ПЛК SEW EURODRIVE в Актау

Ремонт ПЛК SEW EURODRIVE в Актау

Ремонт ПЛК SEW EURODRIVE в Актау Ремонт программируемых...

Настройка и ремонт частотных преобразователей SEW EURODRIVE в Актау

Настройка и ремонт частотных преобразователей SEW EURODRIVE в Актау

Настройка и ремонт частотных преобразователей SEW EURODRIVE...

Диагностика и ремонт серводвигателей SEW EURODRIVE в Актау

Диагностика и ремонт серводвигателей SEW EURODRIVE в Актау

Диагностика и ремонт серводвигателей SEW EURODRIVE в...

Программирование и ремонт панели оператора Schneider Electric в Актау

Программирование и ремонт панели оператора Schneider Electric в Актау

Программирование и ремонт панели оператора Schneider Electric...

Ремонт линейных серводвигателей в Актау: профессионализм и надежность от «РемПромЭл»

Ремонт линейных серводвигателей в Актау: профессионализм и надежность от «РемПромЭл»

Ремонт линейных серводвигателей в Актау: профессионализм и...

Ремонт промышленных компьютеров SCHNEIDER ELECTRIC в Актау

Ремонт промышленных компьютеров SCHNEIDER ELECTRIC в Актау

Ремонт промышленных компьютеров SCHNEIDER ELECTRIC в Актау Ремонт...

Услуги сервиса